13.Repairing Electrical Components 电气元件修理
NOTE: The following methods are typical only. Refer to applicable manual for unit in work for specific instructions. 注:以下方法仅为典型示例。具体操作请参阅部件适用手册。
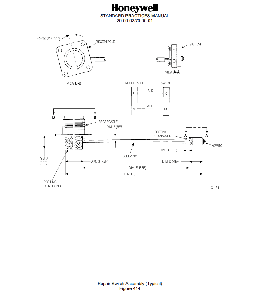
Method No. 413A:开关组件修理
Repair switch assembly as follows:
按以下步骤修理开关组件:
NOTE: After completion of repair. Switch must be in range of Dimension F. Refer to applicable manual and Figure 407. If sleeving requires replacement, remove Potting Compound C03-0008 from the two parts of assembly.
注:修理完成后,开关必须处于尺寸F范围内。参见适用手册及图407。若套管需更换,请从组件两零件清除灌封胶C03-0008。
(1) Remove Potting Compound C03-0008 from part to be replaced. Melt solder from connecting points on part and disconnect wiring from part.
从待更换零件清除灌封胶C03-0008。熔化零件连接点的焊料,断开零件的电线。
(2) If required, remove sleeving from wiring.
如需处理,清除电线上的套管。
(3) Cut new sleeving length as required. Refer to applicable manual.
按要求裁切新套管长度。参见适用手册。
(4) Slide new sleeving above wiring.
将新套管套入电线。
(5) Connect wiring. Refer to Figure 414.
连接电线。参见图414。
NOTE: Make sure of receptacles correct align before wiring installation.
注:电线安装前务必确保插座对准正确。
(6) Solder wiring. Refer to ASTM B 32. Use flux C06-0002, C06-0003, C06-0004, C06-0005 or C06-0006.
焊接电线。参照ASTM B 32标准。使用助焊剂C06-0002、C06-0003、C06-0004、C06-0005或C06-0006。
(7) Connect continuity meter between receptacle Pins A and B. There must be continuity indicated.
将连续性测试仪(电阻表)连接至插座A、B针脚(插针)。必须显示导通状态。
(8) Put switch to open condition. Continuity must be broken.
将开关置于开路状态。导通状态必须中断。
(9) Put switch to close condition. There must be continuity indicated.
将开关置于闭合状态。必须显示导通。
(10) Connect continuity meter between Pin A and case of receptacle. There must not be continuity indicated.
将连续性测试仪连接在插座针脚A与外壳之间。不得显示导通。
(11) Connect continuity meter between terminal C and switch condition. There must not be continuity.
将连续性测试仪连接在端子C与开关触点之间。不得显示导通。(没看懂)
(12) Mix potting compound. Use Potting compound C03-0008, 8 parts A to one part B by weight.
混合灌封胶。使用灌封胶C03-0008,按A零件8份与B零件1份的重量比混合。
NOTE: Make sure of correct Potting Compound C03-0008. Refer to applicable manual.
注:务必确认使用正确型号C03-0008灌封胶,详见适用手册。
(13) Apply Potting Compound C03-0008. Refer to Figure 414 for repaired limits.
涂覆C03-0008灌封胶。修理范围参照图414。
(14) Cure Potting Compound C03-0008 for four hours at 250°F (121°C).
将C03-0008灌封胶置于250°F(121°C)环境固化四小时。
![图片[1]-SECTION IV – REPAIR 13-电气元件修理-航修札记](https://www.aeroacm.com/wp-content/uploads/2025/11/20251115224105957-image.png)
Method No. 413B:电磁阀组件修理(插座更换)
Replace receptacle on solenoid assembly as follows:
按以下步骤更换电磁阀组件上的插座:
CAUTION: MAKE SURE THAT WIRING IS NOT DAMAGED OR CUT TOO SHORT WHILE REMOVING RECEPTACLE. IF WIRING IS DAMAGED, REPLACE SOLENOID ASSEMBLY.
注意:拆卸插座时务必确保电线未受损或被剪断过短。若电线受损,则需更换整个电磁阀组件。
(1) Remove applicable screws and washers, or rivets, and terminal.
拆卸相关螺钉、垫圈或铆钉及端子。
(2) Carefully disconnect receptacle from solenoid assembly sufficiently far to put a screwdriver or blunt tool to remove Potting Compound C03-0008 around terminals or receptacle.
小心将插座从电磁阀组件上拆下,使其远离组件足够距离,以便使用螺丝刀或钝器清除端子或插座周围的C03-0008灌封胶。
(3) Disconnect wiring from receptacle as near behind of receptacle as possible.
在插座后方尽可能靠近的位置断开插座与电线的连接。
(4) If required, remove spacer that attach between receptacle and solenoid assembly.
如需拆卸,移除插座与电磁阀组件间的间隔垫片(垫块)。
(5) Remove sufficient Potting Compound C03-0008 from receptacle hole in solenoid assembly to aid for a good bond on reassembly.
清除电磁阀组件插座孔内足够量的C03-0008灌封胶,以利于重新组装时形成良好粘接。
WARNING: METHYL-ETHYL-KETONE (MEK) IS TOXIC AND FLAMMABLE. USE IN WELL-VENTILATED AREA. AVOID BREATHING FUMES OR CONTACT WITH SKIN. OBSERVE ALL FIRE PRECAUTIONS.
警告:甲基乙基酮(MEK)具有毒性且易燃。请在通风良好的区域使用。避免吸入烟雾或接触皮肤。遵守所有防火预防措施。
(6) Clean mating surfaces of solenoid assembly and new receptacle. Use Methyl-ethyl ketone C04-0003.
清洁电磁阀组件与新插座的配合表面。使用甲基乙基酮C04-0003。
(7) If applicable, install spacer.
如适用,安装间隔件(垫块)。
(8) Attach wiring from solenoid assembly to applicable pins of new receptacle. Refer to applicable manual for wiring diagram and keyway location
将电磁阀组件的电线连接至新插座对应插针。电线图及键槽位置参见相关手册。
NOTE: Silver solder mechanical joints in accordance with ASTM B32 using silver brazing wire in accordance with AMS 4774.
注:按ASTM B32标准使用符合AMS 4774规范的银焊丝进行银焊机械连接。
(9) Flush bonded joints with a diluted solution of Sodium Bicarbonate C04-0039 (one ounce for each gallon of water) at room temperature.
用室温稀释的碳酸氢钠溶液C04-0039(每加仑水兑一盎司)冲洗粘接接头(焊接点)。
NOTE: Clean bonded joint using a stiff bristle brush.
注:使用硬毛刷清洁粘接接头。
(10) Trim ends of wiring to remove sharp protrusions through silver solder.
修剪线缆末端,去除银焊料形成的尖锐突起。
(11) Apply primer to the mating surfaces, receptacle and space in solenoid assembly, if applicable on spacer. Refer to applicable manual.
在配合面、插座及电磁阀组件间隙处(如间隔件(垫块)适用)涂覆底漆。参照相关手册。
(12) Let primer to cure for one hour at room temperature.
室温下固化底漆一小时。
(13) Apply a layer of Potting Compound C03-0008 to the mating surfaces of solenoid assembly, receptacle and if applicable on spacer.
在电磁阀组件、插座的配合面及间隔件(如适用)上涂覆一层灌封胶C03-0008。
NOTE: Do not abovefill the space of solenoid assembly.
注:勿使电磁阀组件空间过量填充。
(14) Fill space of solenoid assembly with specified Potting Compound C03-0008.
用指定灌封胶C03-0008填充电磁阀组件空间。
(15) Attach receptacle to solenoid assembly with screws and washers, or rivets, and applicable terminal lug. Upset rivets to attach.
用螺钉、垫圈或铆钉及适用端子片将插座固定于电磁阀组件。铆接时需进行铆头扩口处理。
(16) Cure Potting Compound C03-0008 at 300 to 350°F (148 to 176°C) for one hour.
将灌封胶C03-0008置于300至350°F(148至176°C)环境固化1小时。
NOTE: Set solenoid assembly with receptacle down while curing.
注:固化时需将带插座的电磁阀组件置于水平位置。
Method No. 413C: 电气连接器修理(钉针更换)
Repair bent or damage pins in electrical connectors as follows:
按以下步骤修理电气连接器中弯曲或损坏的插针:
NOTE: Pution and removal tools (MIL-I-81969-17 and MIL-I-81969-19) (SECTION VII) can be used with the following connectors and contacts: MIL-C-23216, MIL-C-26482, MIL-C-26500, MIL-C-26518, MIL-C-26636, MIL-C-38300, MIL-C-39029, and MS3190.
注:插拔工具(MIL-I-81969-17和MIL-I-81969-19)(第七节)可用于以下连接器及插针: MIL-C-23216、MIL-C-26482、MIL-C-26500、MIL-C-26518、MIL-C-26636、MIL-C-38300、MIL-C-39029 及 MS3190。
(1) Replace bent or damaged pin in electrical connectors as specified in applicable Military Standard for part requiring repair.
对于需要维修的部件,应按照适用的军用标准要求更换电气连接器中的弯曲或损坏的引脚。
Example: Military Standard for Connectors, Part No. MS24264XXX calls for using Tool (Part No. MS24256R) to remove contacts, and Tool (Part No. MS24256A) to install contacts.
示例:连接器军用标准(零件号MS24264XXX)要求使用工具(零件号MS24256R)拆卸插针,并使用工具(零件号MS24256A)安装插针。
Method No. 413D: 线束组件修理
Repair cable for small damage as follows:
轻微损伤电缆的修理方法如下:
NOTE: Tape C08-0017 or C08-0030 can be used in place of heat shrink or sleeving, where called out, in cases where the wire below repair is not required to be removed from the harness assembly.
注:当待维修的导线无需从线束组件中拆卸时,可使用胶带C08-0017或C08-0030替代热缩套管或套管。
NOTE: Splices are not to be used for thermocouple wires.
注:热电偶导线不得使用接头连接。
NOTE: Check harness assembly to applicable manual prior to repair to determine extent of work necessary.
注:维修前须参照适用手册检查线束组件,以确定所需维修范围。
NOTE: Apply Humiseal (Type 1B15) or equivalent to repaired or replaced harness lacing.
注:对修复或更换的线束绑扎处涂覆Humiseal(1B15型)或同等密封剂。
(1) Repair damage to outer insulation. Refer to Figure 415, Figure 415A, Figure 413B, Figure 413C and Figure 413D.
外层绝缘损伤修理。参照图415、图415A、图413B、图413C及图413D。
(a) If damage is to outer insulation, or if damage to shielding is abrasion, or deformation only no broken strands, repair as follows. Refer to Figure 415.
若损伤仅限于外绝缘层,或屏蔽层损伤为磨损/变形(无断丝),按以下步骤修理。参见图415。
1 Clean part. Use Alcohol Isopropyl C04-0004.
1 清洁零件。使用异丙醇C04-0004。
2 Let port dry.
2 待端口干燥。
3 Reshape damage strands to usual shape.
3 将损伤丝束复原至常规形状。
4 Wind the damaged area with Tape C08-0017 and C08-0030 or equivalent for less than one and one half times, and no more than two times. The tape must extend more than either side of the edge of the damage by a minimum of 0.5 inch.
4 用胶带C08-0017和C08-0030(或同等规格)缠绕受损区域,缠绕圈数不少于1.5圈且不超过2圈。胶带必须超出损伤边缘两侧至少0.5英寸。
NOTE: Steps (1)(a)5 and 6 maybe be deleted if using Tape C08-0030.
注:若使用胶带C08-0030,可省略步骤(1)(a)5和6。
5 Apply heat to the tape with a heat gun until tape is attach to the cable.
5 用热风枪对胶带加热,直至胶带与电缆粘合。
6 Use cable lacing or cable attaches at both ends of the repaired area to attach the repair. This can be done on the single repaired cable or to attach it to the adjacent cables. Refer to Figure 415C and Figure 415D.
6 在修复区域两端使用电缆扎带或电缆固定件固定修理部位。此操作可单独处理修理后的电缆,也可将其与相邻电缆连接。参见图415C和图415D。
(b) If damage to shielding includes broken strands, the damage cannot exceed more than one cord. A cord represents a grouping of individual strands that are braided together to form the shield. Broken strands must not penetrate the insulator around the inner conductor wire.
若屏蔽层损伤包含断裂股线,损伤范围不得超过一绞线。绞线指多股单股线编织形成的屏蔽层。断裂股线不得穿透内导体绝缘层。
1 Clean part to remove contaminates (fuel, oils, dirt, etc) and let to dry. Use Alcohol Isopropyl C04-0004.
1 清洁零件去除污染物(燃油、油脂、污垢等)并晾干。使用异丙醇C04-0004。
2 Fold the broken strands in a manner that cannot impinge on the insulation around the inner conductor.
2 将断裂股线折叠成不接触内导体绝缘层的形态。
3 Wind the damaged area with Tape C08-0017 and C08-0030 or equivalent no less than one and one half times, and no more than two times. The tape must extend more than either side of the edge of the damage by a minimum of 0.5 inch.
3 用胶带C08-0017和C08-0030(或同等规格)缠绕受损区域,缠绕圈数不少于1.5圈且不超过2圈。胶带必须超出损伤边缘两侧至少0.5英寸。
NOTE: Steps (1)(b)4 and 5 maybe be deleted if using Tape C08-0030.
注:若使用胶带C08-0030,可省略步骤(1)(b)4和5。
4 Apply heat to the tape with a heat gun until tape is attached to the cable.
4 用热风枪对胶带加热,直至胶带与电缆粘合。
5 Use cable lacing or attach cable at both ends of the repaired area to attach the repair. This can be done to one repaired cable or to attach it to adjacent cables.
5 使用电缆扎带或在修理区域两端固定电缆以加固修理部位。此操作可单独处理单根修理电缆,也可将其与相邻电缆固定连接。
(c) Damage that extends through or more than the inner insulation, around the conductor is not permitted. Refer to Figure 415A.
损伤若穿透或超过导体周围的内层绝缘层则不允许。参见图415A。
![图片[2]-SECTION IV – REPAIR 13-电气元件修理-航修札记](https://www.aeroacm.com/wp-content/uploads/2025/11/20251115224409314-image.png)
![图片[3]-SECTION IV – REPAIR 13-电气元件修理-航修札记](https://www.aeroacm.com/wp-content/uploads/2025/11/20251115224453487-image.png)
![图片[4]-SECTION IV – REPAIR 13-电气元件修理-航修札记](https://www.aeroacm.com/wp-content/uploads/2025/11/20251115224501241-image.png)
![图片[5]-SECTION IV – REPAIR 13-电气元件修理-航修札记](https://www.aeroacm.com/wp-content/uploads/2025/11/20251115224510176-image.png)
![图片[6]-SECTION IV – REPAIR 13-电气元件修理-航修札记](https://www.aeroacm.com/wp-content/uploads/2025/11/20251115224522489-image.png)
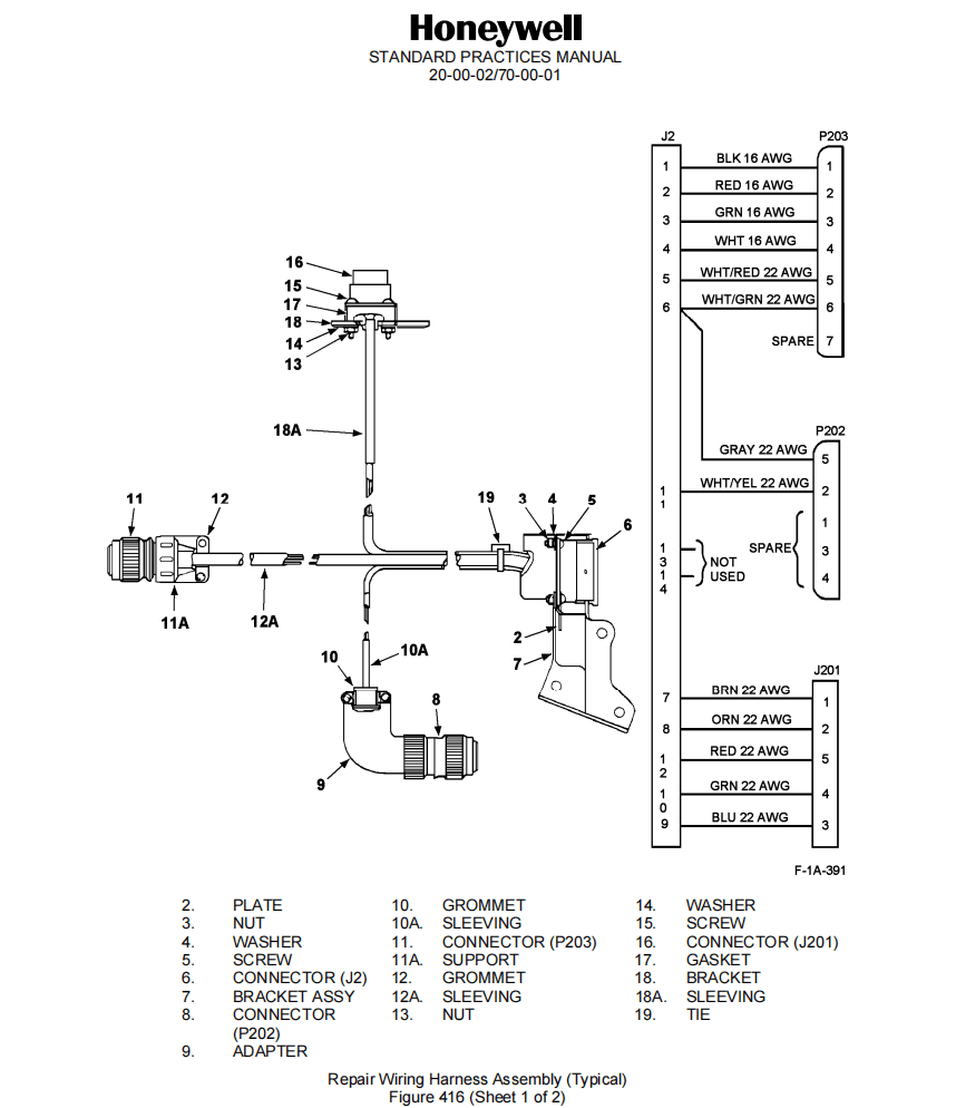
Repair wiring harness assembly (Typical) as follows:
按以下步骤修理线束组件(典型):
NOTE: Disassemble wiring harness only to extent necessary to replace faulty component. If wires require cutting for removal, it can not be possible to re-use wires.
注:拆解线束仅限于更换故障部件所需范围。若需剪断电线才能拆卸,则无法重复使用该电线。
(2) Disassemble wiring harness assembly. Refer to Figure 416 (Sheet 1).
拆解线束组件。参照图416(图1)。
(a) Remove nuts (3), washers (4), and screw (5).
卸下螺母(3)、垫圈(4)和螺钉(5)。
(b) Remove tie (19) from leads.
从导线上拆下扎带(19)。
(c) Cut wire leads to connector (6) as close as possible to retain maximum length of leads.
将连接器(6)的导线尽可能靠近连接器处剪断,以保留最大导线长度。
(d) Remove connector (6) and bracket assembly (7).
拆下连接器(6)和支架组件(7)。
(e) Remove screws from adapter (9), then using a rod of correct diameter, push pins of connector (8) through the front of connector.
从适配器(9)上拆下螺钉,然后使用正确直径的杆(退出工具)将连接器(8)的销钉从连接器前端推出。
(f) Remove connector (8), adapter (9), and grommet (10).
拆卸连接器(8)、适配器(9)及衬套(10)。
(g) Remove screws from connector (11) and support (11A). Remove support (11A), then using a rod of suitable diameter, push pins of connector (11) through the front face of connector.
卸下连接器(11)与支架(11A)的螺钉。取下支架(11A),使用适径金属杆将连接器(11)的销钉从连接器正面穿出。
(h) Remove connector (11) and grommet (12).
拆卸连接器(11)及衬套(12)。
(i) Remove nuts (13), washers (14), and screw (15).
拆卸螺母(13)、垫圈(14)及螺钉(15)。
(j) Remove adhesive compound.
清除粘合剂。
(k) Cut wire leads to connector (16) as close as possible to retain maximum length of leads.
将连接器(16)的导线尽可能靠近处剪断,以保留最大导线长度。
(l) Separate connector (16), gasket (17), and bracket (18).
分离连接器(16)、垫圈(17)和支架(18)。
(m) If wiring was cut too short during disassembly, replace each cut wire with a new wire cut to initial length.
若拆卸时导线剪切过短,需用初始长度的新导线替换每根剪断的导线。
NOTE: Install new sleeving on wires.
注:需为导线安装新套管。
(3) Re-assemble wiring harness.
重组线束。
(a) Cut new wiring to length of initial wiring.
将新导线剪至原始导线长度。
(b) Cut new sleeving to length of initial sleeving.
将新套管剪至原始套管长度。
(c) Apply primer, to both ends of sleeving for a length of one inch (25.4 mm). Refer to applicable manual.
在套管两端涂覆底漆,涂覆长度为1英寸(25.4毫米)。参照适用手册操作。
(d) Solder wire leads to connector (6), refer to ASTM B32. Use flux C06-0002, C06-0003, C06-0004, C06-0005, C06-0006, refer to ANSI/IPC J-STD.
将导线引脚焊接至连接器(6),参照ASTM B32标准。使用助焊剂C06-0002、C06-0003、C06-0004、C06-0005、C06-0006,参照ANSI/IPC J-STD标准。
(e) Install sleeving. Refer to applicable manual.
安装套管。参照适用手册。
NOTE: Make sure sleeving and wiring that connects to connector (8) is centered and wires are straight to pins.
注:确保连接器(8)的套管与电线居中,且导线与引脚对齐。
(f) Using a heat gun, shrink ends of sleeving installed in Sub-step (e).
使用热风枪收缩子步骤(e)中安装的套管末端。
(g) Install bracket (7) on the connector (6).
将支架(7)安装于连接器(6)。
(h) Put wiring and sleeving through gasket (17) and bracket (18).
将线束及套管穿过垫圈(17)与支架(18)。
(i) Solder wire leads to connector (6), refer to ASTM B32. Use flux C06-0002, C06-0003, C06-0004, C06-0005, refer to ANSI/IPC J-STD.
将导线引脚焊接至连接器(6),参照ASTM B32标准。使用助焊剂C06-0002、C06-0003、C06-0004、C06-0005,参照ANSI/IPC J-STD标准。
(j) Put wiring and sleeving through grommet (10) and adapter (9).
将线缆及套管穿过衬套(10)和适配器(9)。
(k) Put wiring and sleeving through grommet (12) and support (11A).
将线缆及套管穿过衬套(12)和支撑件(11A)。
(l) Crimp wire leads to connectors (8, 11) pins using appropriate crimping tools (SECTION VII). Put into connectors.
使用专用压接工具(第七节)将导线引脚压接至连接器(8,11)的引脚上,装入连接器。
(m) Install support (11A) to connector (11).
将支撑件(11A)安装至连接器(11)。
(n) Tighten support (11A) to 10 to 15 pound-inches torque.
以10至15磅英寸扭矩拧紧支撑件(11A)。
(o) Attach adapter (9) to connector (8).
将适配器(9)连接至连接器(8)。
(p) Install sleeving, above wiring harness and grommet (12). Tighten screws in adapter (9). Refer to applicable manual.
安装套管,置于线束及衬套(12)上方。拧紧适配器(9)内螺丝。参照适用手册。
(q) Install sleeving, above wiring harness and grommet (12). Tighten screws in adapter (11A). Refer to applicable manual.
安装套管,置于线束及衬套(12)上方。拧紧连接器(11A)内螺丝。参照适用手册。
(r) Install connector (16) and gasket (17) onto bracket (18). Align key of connector (16) with side of bracket (18) and with bracket (18) mounting holes.
将连接器(16)与垫圈(17)装入支架(18)。对齐连接器(16)的定位键与支架(18)侧面及支架(18)安装孔。
(s) Install screws (15), washers (14), and nuts (13).
安装螺钉(15)、垫圈(14)和螺母(13)。
(t) Install tie wrap (19) above wiring harness in 0.140 inch (3.55 mm) from bottom of connector (6).
在电线束上方、距连接器(6)底部0.140英寸(3.55毫米)处安装扎带(19)。
(u) Install plate (2) on one screw (5). Install bracket assembly (7) on connector (6). Attach using screws (5), washers (4), and nuts (3).
将板(2)安装于单颗螺钉(5)上。将支架组件(7)安装于连接器(6)。使用螺钉(5)、垫圈(4)和螺母(3)固定。
(v) Perform continuity check of wiring harness.
对线束进行导通性检查。
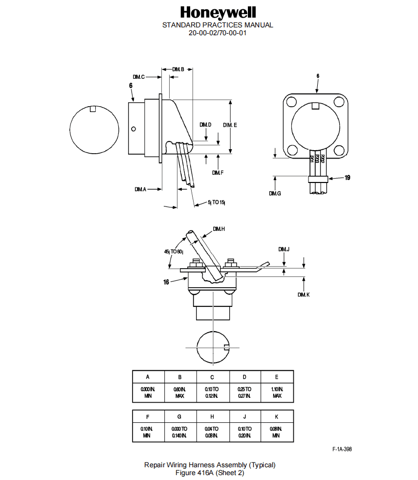
(4) Apply potting to connector Refer to Figure 416 (Sheet 2, Item 6).
对连接器进行灌封处理 参照图416(表2,项目6)。
(a) Set wiring to get Dimension A with a 5 to 15 degree bend, and sleeving above wiring inserted to Dimension F in connector (6) space.
调整线束使尺寸A弯曲5至15度,并将套管置于线束上方,插入连接器(6)空间的尺寸F处。
(b) Apply Potting Compound C03-0008 for each applicable manual, at rear of connector (6) to fully seal wiring end of connector (6).
根据各适用手册要求,在连接器(6)后部涂覆灌封胶C03-0008,确保完全密封连接器(6)的线束端。
(c) Potting Compound C03-0008 must extend to Dimension C, from rear of connector (6) where wiring bends, to Dimension B where wiring extends from connector (6).
灌封胶C03-0008必须从连接器(6)后部线束弯折处延伸至尺寸C,直至线束从连接器(6)延伸出的尺寸B。
(d) Make sure Potting Compound C03-0008 is in Dimension B and Dimension D to fully cover sleeving. The external dimension of adhesive compound must not be more than Dimension E.
确保灌封胶C03-0008覆盖尺寸B和尺寸D区域,完全包裹套管。胶体外延尺寸不得超过尺寸E。
(e) Cure Potting Compound C03-0008. Refer to applicable manual.
固化灌封胶C03-0008。参照适用手册操作。
(5) Apply potting to connector as follows. Refer to Figure 416 (Sheet 2, Item 16).
按以下步骤对连接器进行灌封。参照图416(表2,项目16)。
(a) Set wiring to obtain Dimension H with a 45 to 60 degree bend, and sleeving above wiring put on Dimension K in connector (16).
布线使尺寸H呈45至60度弯曲,并将套管置于电线束上方,安装至连接器(16)的尺寸K处。
(b) Apply Potting Compound C03-0008, for each applicable manual, behind of connector (16).
根据各适用手册要求,在连接器(16)后方涂覆灌封胶C03-0008。
(c) Fill the space connector (16) around wiring harness until adhesive compound is protruding from behind of connector (16) to the thickness of Dimension J.
填充线束周围的连接器(16)空隙,直至灌封胶从连接器(16)后方凸出至尺寸J的厚度。
(d) Cure Potting Compound C03-0008. Refer to applicable manual.
固化灌封胶C03-0008。参照适用手册。
(e) Install tie wind (19) to get Dimension G.
安装扎带(19)以获得尺寸G。
(6) Do insulation resistance check and dielectric strength check. Refer to applicable manual.
进行绝缘电阻测试和介电强度测试。参照适用手册。
![图片[7]-SECTION IV – REPAIR 13-电气元件修理-航修札记](https://www.aeroacm.com/wp-content/uploads/2025/11/20251115224555681-image.png)
![图片[8]-SECTION IV – REPAIR 13-电气元件修理-航修札记](https://www.aeroacm.com/wp-content/uploads/2025/11/20251115224603644-image.png)










暂无评论内容