通过对常用手动工具、量具和电气仪表的名称、功用、使用及注意事项等基本知识的介绍,使维修人员熟悉各类工具、量具和电气仪表的名称、使用和功能特性,掌握常用手动工具、量具和电气仪表的正确使用方法,从而减少不必要的损坏和人员伤害,提高工作效率。
一、游标卡尺:内 / 外径、深度的 “基础测量工具”
1. 普通机械型游标卡尺(英制 + 公制)
游标卡尺是常用的内孔、外径及深度的测量尺。它由主尺和副尺组成,游标卡尺的读数是由主尺和副尺两部分之和确定。普通游标卡尺的副尺一般在主尺上滑动,通过对刻度的方法进行测量。指针式和电子数显式卡尺与普通游标卡尺的主要区别在于副尺结构不同,但其测量方法基本相同。游标卡尺有公制和英制两种。

(1)英制游标卡尺
普通英制卡尺采用十进制,主尺上每英寸分 10 大格,每大格为 0.1in;每 1 大格又分成 4 小格,每小格为 0.025in;副尺刻线为 25 小格,对应主尺0.6in,每小格0.024in,与主尺每一小格差 0.001in,其精度为 0.001in。

测量时,工件置于固定卡脚与活动卡脚之间。从主尺上读出对应于副尺零刻度的大格数A 及最后 1 个大格后面的小格数 B;再找到主尺与副尺刻度线对正的副尺读数 C。工件尺寸 D,其读数 D=0.1×A + 0.025×B + 0.001×C。

(2)公制游标卡尺:适配公制零部件
公制游标卡尺主尺最小刻度 1mm,常以 1cm 为单位标注数值。副尺 49mm 长度上刻 50 小格,每格长度是 0.98mm,即该刻尺的精度为 0.02mm,副尺以 0.1mm 为单位标注数字,每 5格标注一个数字(见图 12-47)。使用方法与英制游标卡尺相同。其读数 D=1×A + 0.1×B +0.01×C。
公制游标卡尺的精度分三种:
I.十分度,精度0.1mm
II.二十分度,精度0.05mm
III.五十分度,精度0.02mm
普通公英制游标卡尺应定期校验,使用前应查看校验期,并将尺框向左滑动到固定卡脚与活动卡脚拢的端头位置,检查主尺与副尺“0”刻线对齐,测量触边平齐、无磨损。

2. 指针式与电子数显式游标卡尺
- 指针式 :指针式游标卡尺的副尺是表盘式,测量的滑动通过指针转动记录。有些采用英制单位的导管和紧固件等常用分数形式表示其直径和长度。测量时可以选用带分数的英制表盘式游标卡尺。此种游标卡尺的副尺在主尺上滑动 1in,表盘上指针转动一周,其表盘内圈一周 64 格,每小格 1/64in。表盘外圈一周分100 等分,每小格为 0.01in。读数时将主尺上整数读数与表盘读数相加。

- 电子数显式 :电子数显式卡尺通过副尺滑动后,电子系统记录并通过数字显示,可以直接从显示屏上读出尺寸。可以通过“in/mm”按钮公制与英制读数的转换。电子数显式卡尺需要钮扣电池。使用前按下电源开关,将尺框向左滑动到固定卡脚与活动卡脚并拢的端头位置,按下调零按钮调零,使用完毕及时关闭电源。

二、千分尺:精密尺寸的 “微米级测量工具”
I. 千分尺是精密测量工具之一,根据其功能分为:外径千分尺、内径千分尺和深度千分尺。有公制和英制两种,千分尺读数及使用方法相同。
II. 千分尺的可动部分是测微套筒和测量轴。测微套筒和测量轴固定在一起,当测微套筒在圆筒上转动时,测量轴随之转动并向左或向右移动。测量轴和砧座之间的开度为被测工件尺寸。千分尺圆筒上的刻度区称为主尺部分,测微套筒上的刻度区称为副尺部分。

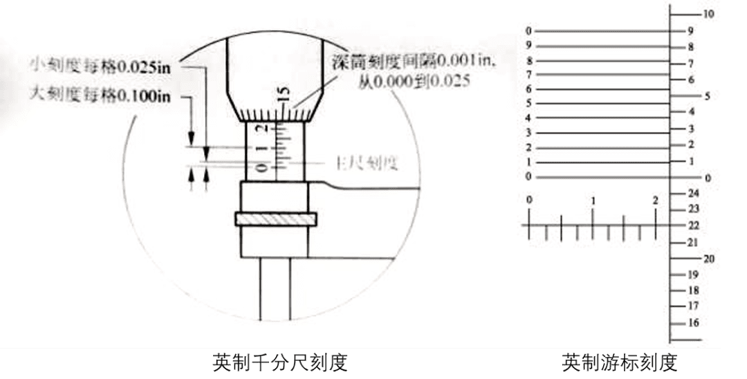
1. 英制千分尺
在以英寸为单位的千分尺上,主尺在轴向线上的数字是 0.1 英寸,数字线之间被分为 4小格,每小格为 0.025 英寸。副尺圆周等分 25 小格,其转动一圈在主尺上移动一小格(0.025英寸),副尺每小格为 0.001 英寸。如图 12-53 所示,测量时先读主尺数值,再读副尺上与轴向线相对处刻线格数,将主副尺读数相加即为被测件尺寸。为了更精确地测量,有些千分尺上带有游标尺(见图 12-54)。带游标尺的千分尺是在主尺轴线上方,靠近测微套筒横向排列 11 条(0~0)水平线构成游标尺。游标尺上 10 小格对应副尺上的 9 小格,即将副尺上一小格(0.001 英寸)再等分 10 份,每一小格为 0.0001 英寸。读值时应将三部分数据按位相加。

2. 公制千分尺
公制千分尺常以毫米为单位,主尺在轴线刻度距离是 0.5mm,副尺圆周等分 50 格,转动一周在主尺上移动 0.5mm,每小格代表 0.01mm,读尺时应先读主尺的数值,然后数副尺上与轴向线相对处刻线是多少格,副尺刻线读数乘以 0.01 即为副尺读数。将主副尺读数相加即为被测件尺寸。
每次使用前应将砧头和测量轴端面擦净,任何细小异物或油膜都会影响主、副尺零刻度的对齐。


三、千分表与内径量表:形位误差与内孔的 “相对测量工具”
1. 千分表:测形位误差(非直接读尺寸)
- 千分表(见图 12-56)是用相对测量法检查和测量工件尺寸和形位偏差的量具。不能直接读出工件的尺寸。千分表可用于检查不平行度、圆柱体锥度、圆柱体的椭圆度和间隙等(见图 12-57)。
- 常用英制千分表的最小读数是 0.001in。表盘圆周分 100 格,大指针转动一圈(100 格)为 0.1in,每小格代表 0.001 in。小指针是记录大指针旋转圈数,大指针转一圈,小指针转小一格,即 0.1in。
- 常用公制千分表的最小读数是 0.01mm。表盘圆周分 100 格,大指针转动一圈(100 格)为 1mm,每小格代表 0.01 mm。小指针是记录大指针旋转圈数,大指针转一圈,小指针转小一格,即 1mm。
- 用千分表测量工件时,需装到千分表支架上。
- 千分表与内径测量架连接,可用来测量工件孔径。



2. 内径量表(内卡表):测内孔尺寸
内径量表又称内卡表,是一种小量程测量表。使用时,将仪表侧边的手柄压下,两个测爪收缩到最小,并将其放入测量部位,松开手柄,测爪外张,此时读取表盘数据即为被测内孔尺寸。
内径表使用前,需选择正确量程,并将测量爪放入其配套的内孔规中检查是否与仪表起点一致。

四、专用量规:特定场景的 “快速检测工具”
1) 极限量规
检查工件是否在两个极限范围内,而不能读出工件的尺寸大小。极限量规分有通规和止规两种


2) 塞尺
塞尺是测量间隙的量规。它是一组厚薄不同的钢片,使用时选一片或两片合在一起放入待测间隙中,感到稍有摩擦就为合适,从片上的数字可以知道间隙的大小。塞尺有公英制之分。

3) 线径规
线径规是测量金属丝直径的量规(直径的大小用号数表示)。它的周边有很多大小不同的缺口。使用时找两个相邻缺口,金属丝能通过其中的一个但不能通过另一个,能通过的缺口上数字就是金属丝的直径或号数。

4) 圆角规
圆角规见,也称半径规。用来检测内、外圆角的半径。

5) 钻头规
钻头规,钻头的杆上注有钻头的规格,但如果它不清楚时,就可以利用钻头规来检定。它上面标有英制钻头的三种规格:分数型号、字母型号和数字号。分数标有 0.063( l / 16 )到 1 英寸直径,并有六十四分之几的刻度:字母型号从 A (最小)到 Z(最大);数字号从 1 号(最大)到 80 号(最小)。使用它测量钻头直径时,插钻头尖端到孔中,如钻头容易进入,再插下一个比较小孔,当找到正确尺寸时,钻头将轻碰孔壁。

6) 螺距规
图示为测量螺距的量规,是一组螺纹样板,有公制和英制之分。使用时,螺距规齿牙与螺纹牙配合,借助透光方法完成测量。如果密合就可以从样板上的数字测出螺距尺寸。

7) 孔规
孔规用于对一定深度位置的孔径测量,是一种尺寸取样工具。孔规自身没有刻度,需和千分尺或游标卡尺一起使用。孔规有 T 形规和球形规两种形式。孔规不适用于测量高精度的孔。

五、组合量具:多功能 “集成测量工具”
组合量具是由一个钢直尺和三个辅助测量件组合的多功能量具。根据测量需要,三个测量件安装在钢直尺上可以左右移动,完成测量工作。

1. 核心部件及功能
- 钢直尺 :钢直尺有公制和英制两种。钢直尺的一面有长槽用来安装测量件。公制钢尺与普通直尺一致。英制钢尺按其对每英寸的分度,有小数和分数刻度。
- 支撑座 :支撑座与钢尺组合,一侧与钢尺垂直,另一侧与钢尺成 45°,在垂直边头上装有水平仪和划针。它们的组合可以检查材料表面的平直度,同时显示另一边是否垂直或水平。也可以作为深度尺和高度尺使用。45°角边可用作 45°角划线规。
- 量角器(分度规) :量角器上装有水平仪和分度规,并有一锁扭。直尺与量角器配全可测量和检查工件的角度,并可给出任何要求角度的划线。单独使用量角器可以测量舵面偏转角度。
- 中心头 :中心头用于确定工件圆心。将所测材料放于中心头 V 形槽中,以钢尺中心为基准,在端头划一直线,再任意转动圆形材料一个角度,再划一直线,两线的交点即为圆工件的中心。
2. 组合量角器:测舵面 / 螺旋桨角度
组合量角器(见图 12-68)。由基座、圆环、圆盘、旋钮、水平仪组成。圆盘上有 0-180-0 的刻度,水平仪固定在圆盘上;圆环上在“0”刻线两侧只有 10 条刻线,为十分之几度;基座和圆环上的两个可调旋钮分别可使圆盘、圆环转动;圆环上的定位销用于圆环与圆盘“0”刻线对齐时,将圆盘与圆环固定。基座下角有一水平仪。组合量角器可以对舵面偏转角进行测量。也可以测量螺旋桨安装角度。

六、力矩扳手:紧固件力矩的 “合规控制工具”
力矩扳手是一种常用的带有力矩测量功能的专用工具。它可测量作用在紧固件上的扭力大小。力矩值等于转动紧固件力的大小乘以紧固件与施力点之间的距离。维修中常用力矩单位有:英寸·磅(in·lb)、英尺·磅(ft·lb)、米·牛顿(m·N)。
力矩工具按其工作原理分为:测力矩式和定力矩式。维修中常用力矩扳手有可弯梁式、肘节式、扭力杆式三种类型。

1. 常见类型及工作原理
1) 可弯梁式
可弯梁式也称为指针式。它是最简单直观且较为精确的力矩扳手。套筒装于连接端,扭力头上固定一指针,在扳杆梁靠近手柄处有指示刻度盘。当力矩作用于手柄时,梁弯曲变形,指针不弯曲,从而在刻度盘上指示出力矩的数值。可弯梁式力矩扳手属于测力式力矩工具。

2) 肘节式
肘节式力矩扳手属于定力扳手(见图 12-70)。使用时需要预定力矩值,当力矩达到预定值时,便会发出响声及震感,表示已达到调节预定值。其工作原理是内部有一肘节块,通过旋转手柄套筒改变手柄内弹簧对载荷杆上的作用力,当扭力头力矩达到预定值时,肘节块摆动使滑动块滑动发出震感。
使用时力矩扳手时应注意均匀缓慢施工,当发出响声和震感后,但若继续施力板头仍可旋转,会造成力矩值施加超过标准。


3) 扭力杆式
扭力杆式也称表盘式。属于测力式力矩工具。当扭力作用于工具内部的扭力轴上时,它将使扭力臂偏转,通过在力矩表连接端处安装的齿条,带动指针转动,显示出力矩的大小。

2. 使用核心规范
力矩扳手在使用时,必须注意正确的握持方法,操作不当会出现误指示。正确的握持为:手掌中部指线必须与力矩扳杆手柄上的中心线(点)对正,此时的力矩值才是正确值。
在拧动特殊部位的紧固件时,有时必须采用在扳头的前部加接延长杆才可以进行施工。使用加长杆时,设定值与显示值之间必须进行换算。
掌握这些量具的用法,是航空维修人员实现 “精准维修、安全放行” 的基础,直接关系到航空器的运行安全与可靠性。
来源:📌 原文链接:点此查看










暂无评论内容