一、名称
PRESSURE REGULATOR AND SHUTOFF VALVE CONTROLLER
PRSOVC
压力调节和关断活门控制器 PRSOVC
二、件号
3399102-2~-4,-6~-12,-20,-30,-40
三、章节号
36-13-59
四、适用机型
B777-200
五、系统
36-PNEUMATIC
气动
六、安装位置
发动机舱
BEJ 101-999
The PRSOVC is on the left side of the engine fan case at the 7:00 position.
BEJ 001-010
The PRSOVC is on the right side of the engine fan case at the 2:00 position.

七、部件原理
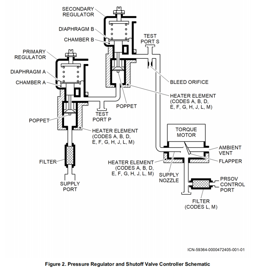
1.Pressure Regulator and Shutoff Valve Controller
(1) Refer to Figure 2.
(2) Operation of the controller occurs when it is connected to the PRSOV. Inlet air from an external source goes into the supply port and then through the filter to the primary regulator. Air flows past the poppet into Chamber A where the air pressure pushes against the area of Diaphragm A. When the diaphragm force is larger than the force of the regulator spring, the poppet will move in the direction of the closed position. When the regulator spring and the air pressure forces are equal, the pressure downstream of the primary regulator stays constant independently of a specified range of inlet pressures. This constant primary pressure goes to the secondary regulator which is calibrated to control to a lower specified pressure. The regulated pressure decrease occurs in two steps in sequence to get a more accurate secondary pressure during the complete range of inlet pressures. The secondary specified pressure goes to the torque motor. The two regulators also operate as alternates to each other if one of the two does not operate.
(3) With zero electrical current applied to the torque motor, the supply nozzle is open (maximum PRSOV control pressure) and the secondary regulator pressure goes to the control port. The pressure at the control port goes to the actuator of the remote PRSOV and causes the valve to open. Movement of the torque motor flapper in the direction of the supply nozzle occurs in proportion to the quantity of electrical current. This decreases the supply nozzle area and increases the vent nozzle area. This causes a decrease in pressure at the control port and at the PRSOV actuator. As the control pressure to the PRSOV actuator decreases, the PRSOV will move in the direction of the closed position. When maximum electrical current is applied, the torque motor flapper will seal off the supply nozzle and the control pressure will return to zero. This will cause the PRSOV to close fully.
(4) (Codes A, B, D, E, F, G, H, J, L, M) These PRSOV controllers have an electrical heater to prevent moisture freezing in the supply air during operation at low temperatures.
1.压力调节器和关断活门控制器
(1) 参见图2。
(2) 控制器需连接至PRSOV方可运行。外部气源的进气进入供气口,经气滤后送至主调节器。气流经阀芯进入A腔室,气压作用于膜片A的有效面积。当膜片受力大于调节器弹簧力时,阀芯将向关闭位置移动。当调节器弹簧力与气压力相等时,主调节器下游压力在指定进气压力范围内保持恒定。该恒定主压力输送至二级调节器(次级调节器),该调节器经校准可控制至较低的设定压力。为在全进气压力范围内获得更精确的二次压力,调节压力按两步顺序递减。二次设定压力输送至扭矩电机。若其中一个调节器失效,两个调节器将相互替代运行。
(3) 当扭矩电机未通电时,供气喷嘴处于开启状态(最大PRSOV控制压力),二级调节器(次级调节器)压力输送至控制口。控制口压力作用于远程PRSOV作动器,促使活门开启。扭矩电机摆片沿供气喷嘴方向的移动幅度与电流强度成正比,此举将缩小供气喷嘴面积并增大排气喷嘴面积。这将导致控制口和PRSOV作动器处的压力下降。随着PRSOV作动器控制压力的降低,PRSOV将朝关闭位置移动。当施加最大电流时,扭矩电机挡板将完全密封供气喷嘴,控制压力恢复为零,从而使PRSOV完全关闭。
(4) (代码A、B、D、E、F、G、H、J、L、M) 这些PRSOV控制器配备电加热器,可在低温运行时防止供气中的水分冻结。


八、工作参数

九、在飞机系统中的功能及其互联
ASCPC – air supply cabin pressure controller
ASCPC – 空气供应舱压控制器
The ASCPCs use the pressure regulating and shutoff valve controller (PRSOVC) and the high pressure and fan air controller (HPFAC) to control the engine bleed air. The PRSOVC and HPFAC usually adjust the positions of the pressure regulating and shutoff valve (PRSOV) and the high pressure shutoff valve (HPSOV) as necessary to regulate pressure and flow. The HPFAC adjusts the position of the fan air modulating valve (FAMV) as necessary to regulate temperature. See the engine air supply section for more information about the engine air supply (SECTION 36-11).
ASCPC通过压力调节和关断活门控制器(PRSOVC)以及高压和风扇空气控制器(HPFAC)来控制发动机引气。PRSOVC与HPFAC通常根据需要调节压力调节和关断活门(PRSOV)和高压关断活门(HPSOV)的位置以控制压力与流量。HPFAC则根据需要调节风扇空气调节活门(FAMV)的位置以控制温度。有关发动机供气系统的详细信息,请参阅发动机供气章节(第36-11节)。
The left and right ASCPCs monitor the sensors for flow, pressure, and temperature data. The ASCPCs monitor the RVDTs for valve position data. The ASCPCs use the data to control these components:
左右两侧的ASCPC通过传感器监测流量、压力及温度数据,同时通过RVDT监测活门位置数据。ASCPC利用这些数据控制以下组件:
* Three isolation valves
* APU shutoff valve
* Two pressure regulating and shutoff valve controllers (PRSOVC)
* Two high pressure fan air controllers (HPFAC).
* 三个隔离活门
* 辅助动力装置(APU)关断活门
* 两套压力调节和关断活门控制器 (PRSOVC)
* 两台高压风扇空气控制器(HPFAC)
The ASCPC supplies the primary and backup modes. The high pressure fan air controller (HPFAC) and the pressure regulating and shutoff valve controller (PRSOVC) are set to let the engine air supply system operate without ASCPC control. This is the pneumatic mode.
ASCPC提供主备两种工作模式。高压风扇空气控制器(HPFAC)与压力调节和关断活门控制器(PRSOVC)可设置为使发动机空气供应系统在无ASCPC控制下运行,此即气动模式。
The ASCPC controls the engine air supply pressure. The manifold pressure sensor and the intermediate pressure sensor monitor the pneumatic duct pressure. The pneumatic duct pressure data goes to the ASCPC. The ASCPC then sends a command to the HPFAC and the PRSOVC. The HPFAC adjusts the HPSOV and the PRSOVC adjusts the pressure regulating shutoff valve (PRSOV). The valves open and close as necessary to control the pressure.
ASPCP负责控制发动机供气压力。歧管压力传感器与中间压力传感器监测气动管道压力,相关数据传输至ASPCP。ASPCP随后向HPFAC和PRSOVC发送指令:HPFAC调节高压风门(HPSOV),PRSOVC调节压力调节和关断活门(PRSOV)。活门根据需要开闭以控制压力。
Temperature Control
The ASCPC controls the engine air supply temperature. The manifold dual temperature sensors monitor the pneumatic duct temperature. The pneumatic duct temperature data goes to the ASCPC. The ASCPC then sends a signal to the HPFAC. The HPFAC adjusts the fan air modulating valve (FAMV) to control the temperature.
If the temperature of the bleed air gets above the usual limits, a signal goes to the PRSOVC. The PRSOVC adjusts the PRSOV as necessary to decrease the amount of hot bleed air supplied.
温度控制
ASPCP控制发动机供气温度。歧管双温度传感器监测气路温度。气路温度数据传输至ASPCP,该控制器再向HPFAC发送信号。HPFAC通过调节风扇空气调节活门(FAMV)控制温度。
若引气温度超出常规范围,信号将传至PRSOVC。PRSOVC根据需要调节PRSOV以降低热引气供应量。
Flow Control
The ASCPC keeps the amount of bleed air that flows from the engine to a limit. The ASCPC uses inputs from these components or systems to monitor engine bleed airflow:
* Manifold flow sensor (FS)
* Engine anti-ice (EAI) system (not shown)
* Wing anti-ice (WAI) system (not shown).
The ASCPC uses the PRSOVC to control the flow. The PRSOVC adjusts the position of the PRSOV to regulate the bleed air flow into the air supply distribution system.
流量控制
ASCPC将发动机引气流量限制在设定范围内。通过以下组件或系统的输入数据监控发动机引气流量:
* 歧管流量传感器(FS)
* 发动机防冰系统(EAI)(未示出)
* 机翼防冰系统(WAI)(未示出)
ASCP通过PRSOVC控制流量。PRSOVC调节PRSOV位置以调控进入空气分配系统的引气流量。
BEJ 101-999
EAI and ECS controllers are sensitive to contamination. To remove contamination, a cyclonic collector assembly is installed upstream of the EAI controller and PRSOVC. The cyclonic collector spins the pneumatic air to remove contamination before it goes into the controllers.
BEJ 101-999
防冰和环境控制系统控制器对污染物敏感。为清除污染物,在防冰控制器和PRSOVC上游安装了旋风分离器组装。该组装通过旋转气流清除污染物,确保进入控制器的空气洁净。


BEJ 101-999
These are the engine left side components of the engine air supply system:
* Controller air cooler
* Fan air supply duct
* Fan air modulating valve (FAMV)
* Fan air transition duct
* High pressure fan air controller (HPFAC)
* Intermediate pressure sensor
* Pressure regulating and shutoff valve (PRSOV)
* Precooler
* Pressure regulating and shutoff valve controller (PRSOVC).
BEJ 101-999
以下是发动机左侧空气供应系统的组件:
* 控制器空气冷却器
* 风扇供气管道
* 风扇空气调节活门(FAMV)
* 风扇空气过渡管道
* 高压风扇空气控制器(HPFAC)
* 中间压力传感器
* 压力调节和关断活门(PRSOV)
* 预冷器
* 压力调节和关断活门控制器(PRSOVC)


ENGINE AIR SUPPLY SYSTEM – PRESSURE REGULATING AND SHUTOFF VALVE CONTROLLER
Purpose
The pressure regulating and shutoff valve controller (PRSOVC) supplies control pressure to the PRSOV.
Location
BEJ 101-999
The PRSOVC is on the left side of the engine fan case at the 7:00 position.
BEJ 001-010
The PRSOVC is on the right side of the engine fan case at the 2:00 position.
BEJ ALL
Physical Description
The PRSOVC is an electropneumatic controller. The PRSOVC has these parts:
* Two reference pressure regulators
* Torque motor
* Electrical connector
* Two pneumatic line connectors
* Filter (internal)
* Heater.
The reference pressure regulators set control pressure to a fixed value. The regulators are in series with each other. The torque motor adjusts the control pressure to values less than the reference pressure regulators. The torque motor always lets control pressure go to the PRSOV if it has no electrical power (fail safe on). The heater prevents the controller from freezing.
Training Information Point
The mounting bolt hole pattern on the PRSOVC helps you install it correctly. The two pneumatic line connectors are of different sizes. This also helps you install the PRSOVC correctly. The filter is line replaceable.
发动机空气供应系统 – 压力调节和关断活门控制器
功能
压力调节和关断活门控制器(PRSOVC)为PRSOV提供控制压力。
位置
BEJ 101-999
PRSOVC位于发动机风扇壳体左侧7点钟位置。
BEJ 001-010
PRSOVC位于发动机风扇壳体右侧2点钟位置。
BEJ ALL
物理描述
PRSOVC为电-气控制装置,包含以下零件:
* 两套基准压力调节器
* 扭矩电机
* 电气连接器
* 两组气动管路接头
* 气滤(内置)
* 加热器
参考压力调节器将控制压力设定为固定值。两组调节器串联工作。扭矩电机将控制压力调节至低于参考压力值。当扭矩电机断电时(故障安全开启状态),控制压力始终传递至PRSOV。加热器可防止控制器冻结。
培训要点
PRSOVC的安装螺栓孔位布局有助于正确安装。两个气动管路接头尺寸不同,同样有助于正确安装PRSOVC。气滤可在线更换。


Functional Description
The pressure regulating and shutoff valve controller (PRSOVC) sets the pressure of the control air for the PRSOV. The PRSOVC uses two pressure regulators and a torque motor to set control air pressure. These devices are in series with each other.
Two regulators in series give an accurate control air pressure, at a fixed value. The fixed value gives these functions:
* Pneumatic and backup modes of operation for the PRSOV (PRSOV regulates to approximately 65 psig)
* Protection for the PRSOV actuator by setting the maximum pressure limit of the control air.
The primary and backup modes of the ASCPC use the torque motor to change the position of the PRSOV. The torque motor changes the amount of control air pressure to the valve.
The torque motor supplies maximum control air pressure to the PRSOV when it gets no current. When the ASCPC sends current to the torque motor, the flapper moves to let control air pressure vent to ambient. The amount of air that vents has a relation to the amount of current that goes to the torque motor. This is an example: if the ASCPC wants to close the PRSOV, it supplies full current to the torque motor. This sets the position of the flapper in the torque motor to stop supply air and vents control air pressure. A spring in the PRSOV (not shown) and duct pressure downstream of PRSOV moves the valve closed.
功能描述
压力调节和关断活门控制器(PRSOVC)为PRSOV设定控制气压力值。该控制器通过两个压力调节器和扭矩电机协同工作设定控制气压力,这些装置串联连接。
串联式双调节器可实现精确的固定值控制气压力。该固定值提供以下功能:
* PRSOV的气动模式与备用模式操作(PRSOV调节压力约为65 psig)
* 通过设定控制气体的最大压力限值保护PRSOV作动器
ASCP的主备模式通过扭矩电机改变PRSOV位置。扭矩电机调节活门的控制气压大小。
当扭矩电机未通电时,其向PRSOV提供最大控制气压。当ASCP向扭矩电机供电时,挡板移动使控制气压排至环境。排气量与输往扭矩电机的电流强度成正比。例如:当ASCPC需关闭PRSOV时,向扭矩电机提供全电流。这将设定扭矩电机内活门的开度,停止供气并释放控制空气压力。PRSOV内部弹簧(未示出)及活门下游管道压力共同推动活门关闭。













暂无评论内容