737NG TECHNICAL TRAINING MANUAL
技术培训手册
ATA 35 氧气系统
1.介绍
2.机组氧气
1)一般描述
2)界面
3)氧气瓶
4)氧气面板
6)口鼻面罩
3.旅客氧气
1)介绍
2)门锁作动器
3)氧气发生器
4)旅客氧气面罩
5)压力电门和继电器
6)门锁作动器功能描述
4.便携式氧气设备
1)介绍
缩略语和简称
· C 摄氏度
· EE 电子设备
· F 华氏度
· F/O 副驾驶
· oxy 氧气
· pass 旅客
· ASU 乘务员服务组件
· LSU 盥洗室服务组件
· pnl 面板
· FCU 流量控制组件
· VAU 电压平均组件
· PSU 旅客服务组件
· press 压力
· rly 继电器
· SCF 标准立方英尺
![图片[1]-737NG-ATA 35 氧气系统【系统原理】-航修札记](https://www.aeroacm.com/wp-content/uploads/2026/04/20260409001703208-word-image-12615-1.png)
2.机组氧气
1)一般描述
用途
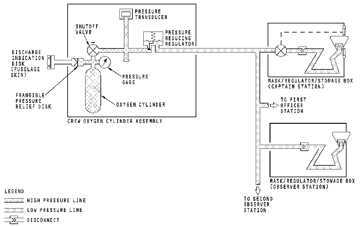
机组氧气系统向驾驶舱里的机组成员提供低压气态氧。
概述
高压气态氧储存在氧气瓶中。
氧气瓶由过压装置提供保护,位于机身蒙皮上的一个绿色释放指示片提供氧气瓶过压释放的指示(此时指示片不在位)。
氧气瓶通过其头部组件和机上分配系统相连。
氧气分配系统的供应管由无缝不锈钢管及喇叭口接头装配组成。
机组氧气面罩向机组供给氧气,它具有氧气纯度调节的控制功能。氧气面罩是一个标准组件,可单独调整且易于佩戴。
当氧气瓶内压力低于运行标准时,需要更换此瓶。
位置
系统的以下部件位于电子/电气设备舱:
· 高压的氧气瓶
· 气瓶头部组件
· 过压释放管
培训要点
氧气系统的维护需要格外小心和清洁。系统维护人员应当熟知系统勤务时的特殊材料和程序。相关材料和程序可参考维护手册第 12 章。
应保持氧气系统的清洁和干燥。应使用批准的清洁材料。
警告:不允许油液、油脂、灰尘或其它可燃性物质与氧气系统部件接触,这些物质暴露在有压力的氧气环境中会燃烧并引起爆炸。
起火和爆炸将导致人员伤害及设备损坏。
![图片[2]-737NG-ATA 35 氧气系统【系统原理】-航修札记](https://www.aeroacm.com/wp-content/uploads/2026/04/20260409001703920-word-image-12615-2.png)
2)界面
用途
机组氧气系统具有以下界面
· 系统供气管
· 压力指示
· 过压释放和指示
· 机组通讯系统
· 关断活门
系统管路
系统管路包括以下部件
· 耐腐蚀无缝不锈钢管
· 喇叭口接头
· 卡口式快卸接头
· 带保护用编织套的柔性硅胶软管
关断活门
位于氧气瓶头部的关断活门打开或关闭气瓶往供应系统的通路。
压力指示
氧气瓶上有一个机械式压力表显示瓶内压力,该压力与氧气瓶关断活门位置无关。
在氧气瓶出口接头上有一个压力传感器向驾驶舱的氧气压力表提供电信号。
过压释放和指示
氧气瓶上的一个易碎堵片用来防止过压损伤,当瓶内压力过大使堵片破裂后,瓶内氧气就通过该口排出机外,此时机身上出口末端的绿色指示片被吹除。氧气瓶释压功能与瓶上关断活门的开或关没有关系。
![图片[3]-737NG-ATA 35 氧气系统【系统原理】-航修札记](https://www.aeroacm.com/wp-content/uploads/2026/04/20260409001703452-word-image-12615-3.png)
3)氧气瓶
用途
氧气瓶用于储存机组氧气系统的氧气。
特性描述
氧气瓶表面漆为绿色。
瓶口的组件有以下特点:
· 慢速打开的关断活门
· 瓶口压力表
· 过压安全释压活门
位置
机组氧气瓶位于电子/电气设备舱,在横梁支架的右下区域。
功能描述
机组氧气瓶是一个压力容器,瓶口组件上的易碎片防止气瓶过压。
瓶上的机械式压力表显示瓶内压力,在 70 华氏度(21 摄氏度)充满时压力为 1850psig。
氧气瓶安装在圆形支承上,由卡箍固定。
培训要点
对氧气瓶的勤务即更换。
可从前货舱接近氧气瓶。
氧气瓶有不同规格,更换时要确认瓶子规格相同,且瓶子与其支承架要适配。
要保持氧气瓶及其部件干净,不受油脂、油液,或其它污染物的沾染,只能使用批准的清洁、安装和测试材料。
在脱开氧气瓶接头前应先从机组氧气面罩上将管道压力放出。在管道仍有压力时不要去拧动管子接头。
不要用过大的力矩去拧气瓶关断活门或气瓶接头。
![图片[4]-737NG-ATA 35 氧气系统【系统原理】-航修札记](https://www.aeroacm.com/wp-content/uploads/2026/04/20260409001704613-word-image-12615-4.png)
4)氧气面板
用途
氧气面板上显示机组氧气瓶的压力。
特性描述
机组氧气压力表为圆形,带照明,量程从 0 到2000psi。
位置
氧气面板在 P5 后头顶板上。
运行显示
压力表显示机组氧气系统压力,环境温度在 70 华氏度(21 摄氏度)时气瓶压力为 1850psi。
培训要点
机组氧气瓶关断活门应打开使瓶头组件增压后,面板上的压力表才指示气瓶压力。
飞机电瓶电门要在“ON”位,使压力表有电指示。
![图片[5]-737NG-ATA 35 氧气系统【系统原理】-航修札记](https://www.aeroacm.com/wp-content/uploads/2026/04/20260409001705184-word-image-12615-5.png)
5)释压指示片
用途
释压指示片不在位即表明氧气瓶因过压而释放。
特性描述
释压指示片是一个绿色的塑料片,由一个卡环保持在安装位置。
位置
释压指示片与机身蒙皮平齐,位于电子/电气设备舱门的后部。
功能描述
机组氧气瓶上的一个易碎片防止瓶内压力过大,当压力大于 2600psig 时易碎片破裂,使瓶内压力通过高压管路排向机外,并将堵在管路出口的释压指示片吹除。
释压指示片不在位即表明氧气瓶出现了过压释放。
运行显示
航前目视检查时应确认绿色的机组氧气释压指示片在位。
![图片[6]-737NG-ATA 35 氧气系统【系统原理】-航修札记](https://www.aeroacm.com/wp-content/uploads/2026/04/20260409001705181-word-image-12615-6.png)
6)口鼻面罩
用途
机组氧气面罩为每个机组成员提供单独可调的氧气气源。
特性描述
所有机组氧气面罩都是同样的组件,包含以下部件:
· 一个硬壳口鼻罩
· 一套气胀式束带
· 带保护套的柔性供氧管,接头为卡口式
· 护目镜
· 带通信接头的麦克风导线
两个飞行员的氧气面罩置于其储存盒内,该储存盒有以下部件:
· 一个自动关断活门
· 一个氧气流动显示器(黄色十字)
· 一个复位/测试杆
两个观察员的氧气面罩置于储存罩内,该储存罩没有上述储存盒的特点。
位置
机组氧气面罩在各个机组座位的外侧。
操作控制
机组氧气面罩有以下控制特点:
· 稀释或 100%氧气供应
· 测试按
· 按需或连续的供氧流量
· 护目镜通气活门(烟雾清除)
· 面罩束带可充气膨胀
面罩储存盒有以下控制特点:
· 盒子关断活门测试
· 面罩存放后盒子可复位
运行显示
储存盒上的氧气流动指示器在氧气流向面罩时提供指示,此时出现一个黄色的十字。
储存盒门上的一个白色“OXY ON”旗标在储存盒关闭但其关断活门仍打开时会出现。
![图片[7]-737NG-ATA 35 氧气系统【系统原理】-航修札记](https://www.aeroacm.com/wp-content/uploads/2026/04/20260409001705143-word-image-12615-7.png)
3.旅客氧气
1)介绍
用途
旅客氧气系统在应急情况下向乘客和客舱乘务员供氧。
位置
以下组件安装有旅客氧气发生器、面罩、触发机构和放下门锁作动器等部件:
· 旅客服务组件(PSU)
· 盥洗室服务组件(LSU)
· 乘务员服务组件(ASU)
一个带保护盖的用于手动放下旅客氧气面罩的电门位于 P5 后顶板上。
一个用于自动放下旅客氧气面罩的压力电门位于电子/电气设备舱内的 J23 接线盒上。
概述
旅客氧气系统使用化学发生器来产生氧气,并通过柔性气管供应到旅客氧气面罩。
旅客氧气面罩可由以下任一方式电控放下:
· 机组人工作动 P5 氧气系统控制板上的带保护盖的扳动电门
· 由气压式电门(座舱高度达 14000 英尺)自动控制
运行显示
P5 后顶板上的旅客氧气使用(PASS OXY ON)灯在旅客氧气面罩放下后亮。
![图片[8]-737NG-ATA 35 氧气系统【系统原理】-航修札记](https://www.aeroacm.com/wp-content/uploads/2026/04/20260409001706601-word-image-12615-8.png)
2)门锁作动器
功能
门锁作动器用于打开氧气面罩门使面罩自由落下。
特性描述
门锁作动器上有以下部件:
· 电磁线圈
· 弹簧加载的锁作动器
· 弹簧加载的撞锤
· 弹簧加载的锁钩
位置
以下组件都装有门锁作动器:
· 旅客服务组件(PSU)
· 盥洗室服务组件(LSU)
· 乘务员服务组件(ASU)
功能描述
门锁作动器内有一电控的电磁线圈,它可解脱撞锤的阻铁,使弹簧加载的撞锤顶开锁钩,这样氧气面罩门即可打开。
培训要点
面罩门上的测试止动块在系统测试时使门不会完全打开。
![图片[9]-737NG-ATA 35 氧气系统【系统原理】-航修札记](https://www.aeroacm.com/wp-content/uploads/2026/04/20260409001707968-word-image-12615-9.png)
3)氧气发生器
用途
氧气发生器用于应急情况下向旅客和客舱乘务员供氧。
特性描述
氧气发生器为一金属外壳的圆筒状物,一端是一个弹簧加载的击发机构,另一端装有输出总管和释压活门。
位置
以下组件都装有氧气发生器:
· 旅客服务组件(PSU)
· 盥洗室服务组件(LSU)
· 乘务员服务组件(ASU)
功能描述
氧气发生器由化学反应来制氧。在反应过程中,氯酸钠和铁产生反应生成了盐和气态氧。该反应一旦开始则不能停止,将一直持续到氯化钠耗尽为止。同时该反应会产生热量,发生器表面温度能达到 450 华氏度/232 摄氏度。
气态氧通过过滤介质后进入输出总管,输出总管出口则通过柔性软管与旅客氧气面罩连接。
释压活门用于防止发生器出现过压情况。
操作控制
氧气发生器由机械作动。当旅客拉下面罩时,面罩拉索会带动释放绳,将释放销从弹簧加载的击针上抽出,释放击针去撞击雷管。
雷管提供激发氧气发生器反应所需的能量。
操作指示
发生器上贴有热敏指示器来显示其状态。热敏指示器是一条橙黄色的薄带,制氧反应时的热量会使之变为黑色。
用过的发生器不能由一般维护人员再次充填反应物。若指示带变黑则更换该发生器。
培训要点
为防止维护时的意外击发,在氧气发生器上设计有安全销以阻止释放销被拔出。在击针尾部钻有交叉的十字孔以插入释放销和安全销,在安装安全销时需用一钳子把击针往后拔使安装孔露出来。安全销应系有警示带,在氧气发生器装上安全销后可警告该发生器不能正常使用。
警告:确认已经从氧气发生器击针上卸下安全销,装有安全销的发生器在应急时将不能被击发。
注意:在安装和拆卸氧气发生器时需要非常小心,不要损坏发生器或让它掉下。如果发生器有损伤的话可能就无法击发。
注意:不要从氧气发生器上拆卸击发机构,它在拆下后不能再组装回去。
![图片[10]-737NG-ATA 35 氧气系统【系统原理】-航修札记](https://www.aeroacm.com/wp-content/uploads/2026/04/20260409001707204-word-image-12615-10.png)
4)旅客氧气面罩
用途
旅客氧气面罩在飞机紧急释压情况发生时向机上旅客和乘务员输送呼吸所需的氧气。
特性描述
旅客氧气面罩有以下部件:
· 一个亮黄色的硅橡胶面罩,其上带有呼吸活
门、塑料头带和发生器释放拉索。
· 柔性供气管和储气袋。
位置
旅客氧气面罩装在旅客服务组件(PSU)、盥洗室服务组件(LSU)和乘务员服务组件(ASU)上,各个组件内额外带有一个婴幼儿面罩。
功能描述
面罩收好时存放在服务组件里。
面罩放出后,即被其拉索悬吊着。在拉下面罩戴在脸上时,面罩拉索会带动释放绳,使制氧反应开始。
从发生器输出总管来的氧气经过面罩气管流到储气袋中,没有吸气时储气袋存储发生器持续流出的氧气。
吸气时,氧气从储气袋通过面罩吸气活门流出,在储气袋内的氧气被吸走后面罩上的一个通气活门会打开,让周围的空气进入面罩。
呼气时,吸气活门和通气活门都关闭,呼气活门打开,将呼出气体排出面罩。
操作控制
将黄色的面罩戴在口鼻处,面罩柔软的硅橡胶边缘能够与脸型贴合以提供良好封严。可以用手或者戴上面罩上的弹性带子来保持面罩的位置,可以通过带子的一端来调节其长度。
操作指示
在储气袋上印有面罩的使用说明。
某些型号的储气袋上自带流量指示器,在氧气流入储气袋时会鼓起,此指示器为暗绿色以便识别。其它构型的储气袋则有一管路流量指示器,在供氧时变成绿色。
培训要点
不同的储气袋和气管组件里的供氧管长度是不同的,要确保安装的是正确长度的组件。
在座舱等级构型需要重新布置旅客服务组件时,应确保其通风管支架不会与旅客供氧管发生干涉。如果间距不当,则在关上旅客服务组件时支架会压到或切破供氧管。
![图片[11]-737NG-ATA 35 氧气系统【系统原理】-航修札记](https://www.aeroacm.com/wp-content/uploads/2026/04/20260409001708595-word-image-12615-11.png)
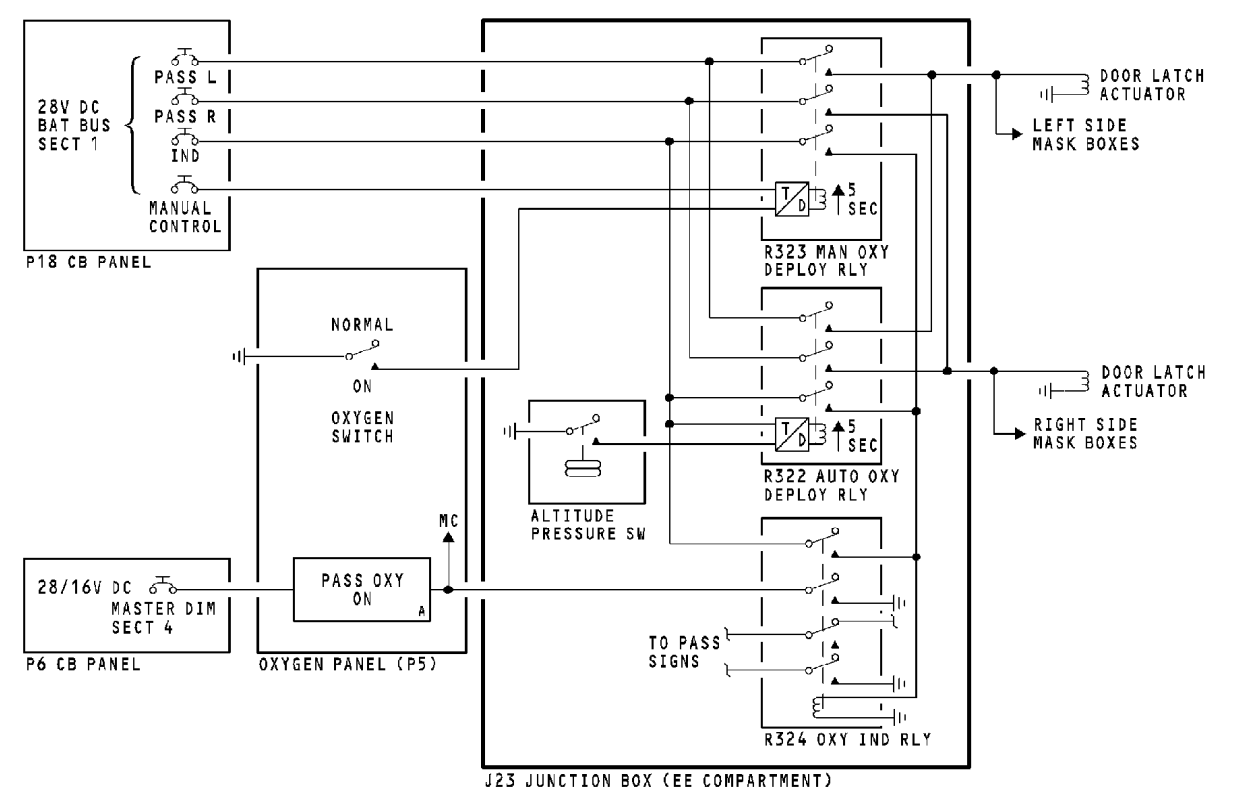
5)压力电门和继电器
用途
高度气压电门用于在座舱高度达到或超过 14000英尺时使旅客氧气面罩自动放出。
氧气面罩的自动或人工放出都是电气作动的。
位置
氧气放出系统的部件位于电子/电气设备舱内的J23 接线盒里,在设备舱门的左侧。
特性描述
J23 接线盒里有以下部件:
· 氧气人工放出继电器,R323
· 氧气自动放出继电器,R322
· 氧气指示继电器,R324
· 高度气压电门
![图片[12]-737NG-ATA 35 氧气系统【系统原理】-航修札记](https://www.aeroacm.com/wp-content/uploads/2026/04/20260409001709964-word-image-12615-12.png)
6)门锁作动器功能描述
功能描述
氧气面罩门平时由弹簧加载的锁钩保持在关闭位。
旅客氧气面罩由 28 伏直流电控制放出,此时门锁作动器电磁线圈被激励,将弹簧加载的锁作动器杆销缩回,使撞锤向下顶锁钩把门打开。
位置
电子/电气设备舱内的 J23 接线盒装有以下部件:
· R323 氧气人工放出继电器
· R322 氧气自动放出继电器
· R324 氧气指示继电器
· 高度气压电门
旅客氧气控制电门和琥珀色旅客氧气使用(PASS OXY ON)灯位于 P5 后顶板上。
以下组件都装有旅客氧气门锁作动器:
· 旅客服务组件(PSU)
· 盥洗室服务组件(LSU)
· 乘务员服务组件(ASU)
操作控制
门锁作动器可在以下任一个氧气放出继电器激励后通过其连通的触点得电:
· R323(旅客氧气控制电门打到开位)
· R322(14000 英尺气压电门作动)
操作显示
氧气指示继电器在任一个氧气放出继电器激励后通过其连通的触点得电吸合,使下列情形出现:
· 琥珀色的旅客氧气使用(PASS OXY ON)灯亮
· 主警告灯和顶板警告牌亮
· 继电器自保持电路接通
自保持电路使指示继电器一直吸合直到 28 伏直流电瓶汇流条断电。
培训要点
释压情况出现时的驾驶舱警告参见 23 章通讯。
释压情况出现时的驾驶舱信号灯参见 33 章灯光。
![图片[13]-737NG-ATA 35 氧气系统【系统原理】-航修札记](https://www.aeroacm.com/wp-content/uploads/2026/04/20260409001709877-word-image-12615-13.png)
4.便携式氧气设备
1)介绍
用途
手提氧气瓶用于随身医疗急救和生命维持的供氧。
保护性呼吸设备(PBE)为机组成员提供防烟面罩和呼吸供气系统,在灭火操作时保护其不受烟尘和毒气的伤害。
位置
便携式氧气设备位于以下部位:
· 客舱屏风、盥洗室和厨房的外壁板
· 带提示标牌的头顶行李架
· 带提示标牌的储物柜
概述
每个手提氧气瓶是一个独立的系统,瓶内储存着高压氧气(70 华氏度/21 摄氏度时压力为1800Psig),瓶上的压力表显示瓶内压力的大小(表明可用的氧气量)。氧气瓶头部的关断活门控制流向瓶头组件的高压氧气的流量,随后瓶头组件调节其压力并供到相连的氧气面罩。
手提氧气瓶有以下部件:
· 识别和说明标牌
· 高压储气瓶
· 气瓶压力表
· 关断活门
· 瓶头组件
· 面罩
· 背带
每个 PBE 是一个独立的系统,有以下部件:
· 真空封严,带识别和说明标牌的储存盒
· 带口鼻面罩和呼吸供气系统,宽松配合的通用尺寸防烟套。
界面
便携式氧气设备独立于飞机上的其它设备。
手提氧气瓶使用标准的卡口输出接头。
![图片[14]-737NG-ATA 35 氧气系统【系统原理】-航修札记](https://www.aeroacm.com/wp-content/uploads/2026/04/20260409001710156-word-image-12615-14.png)










暂无评论内容