A330-200/300 TECHNICAL TRAINING MANUAL-PNEUMATIC-技术培训手册-气动
一、气动
1、气动线路简要
2、引气分配和供应
3、发动机引气管理系统
4、发动机引气输送系统
5、发动机引气调压系统
6、发动机引气温度调节系统
7、泄漏检测系统
二、维护
气动系统基础维护
三、其他
1、部件件号
2、英文缩写
一、气动
1、气动线路简要
概述
气动系统向各个系统提供空气。此模块将介绍:
-系统来源和用户
-APU和高压地面气源组件引气管理系统
-泄漏检测系统
-控制和指示
也介绍一些典型的维护活动
![图片[1]-A330-36引气(气动系统)【系统原理】-航修札记](https://www.aeroacm.com/wp-content/uploads/2026/03/20260301224939542-word-image-11907-1.png)
来源和用户
高压引气三个来源:
-地面气源车
-APU
-发动机
气动系统向以下系统提供温度和压力调节后的空气。
-水增加系统
-液压储液器增压
-机翼防冰系统
-发动机启动系统
-空调间通风系统
-空调组件PACK
气动系统是气动运行和由BMC 1和2 检测。
每个发动机引气系统有一个BMC,两个相近的BMC交换数据,如果一个失效,另一个接管大部分监测系统。
发动机引气
发动机引气经温度和压力调节后供应到气动系统。
三处引气:
-高压压缩机级
-中压级IP
-高压级HP
只有发动机在低功率时,才使用HP引气,IPC和HPV控制引气供应,当IP引气充足时,HPV关闭和IPC打开。
所有的发动机引气通过主发动机引气活门(或PRV)供应到气源系统。若BMC监测到超压,则关闭发动机引气。另外,OPV装在PRV的下游,若超压,则关闭,从而保护系统。
注:引气活门(或PRV)作用-关断和压力调节;OPV为常开活门;
发动机引气温度被调节到一个最大值,通过FAV调节的空气进入预冷器,来保持温度在限定范围内。若BMC监测到系统超温,则关闭发动机引气。
APU引气/外部空气供应
APU也可用于引气供应。
通常在地面上进行,用于空调和发动机起动。
APU引气也可在飞行中使用,取决于海拔高度。
APU引气供应连接到交叉引气管道的左侧。当APU引气为系统供气时,交输活门活门自动打开,为右侧供气。交输活门可实现左右两边的互连或隔离。
在地面上,高压地面动力装置可以连接到左侧气动系统,与APU地面一样。
![图片[2]-A330-36引气(气动系统)【系统原理】-航修札记](https://www.aeroacm.com/wp-content/uploads/2026/03/20260301225011963-word-image-11907-2.png)
泄漏检测
泄漏检测元件沿气动系统的热空气供应管道串联安装,并由BMC进行监测。
双环路A和B:
-安装位置:机翼、机身中部、空调舱、APU供应管道。沿管道平行布置。
-作用:监测Packs和引气管道:
-BMC使用“AND”逻辑生成泄漏警告并防止虚假警告。
单环路:
-安装位置:每个发动机吊架
-由各自的BMC监测泄漏。
![图片[3]-A330-36引气(气动系统)【系统原理】-航修札记](https://www.aeroacm.com/wp-content/uploads/2026/03/20260301225026694-word-image-11907-3.png)
MEL/失效
根据MEL,若一台PRV失效,可放行飞行。此时PRV锁定在关闭位,相关发动机系统不工作。
根据MEL,若一台HRV失效,可放行飞行。此时HRV锁定在关闭位,相关发动机系统在怠速时不可用。
![图片[4]-A330-36引气(气动系统)【系统原理】-航修札记](https://www.aeroacm.com/wp-content/uploads/2026/03/20260301225028702-word-image-11907-4.png)
![图片[5]-A330-36引气(气动系统)【系统原理】-航修札记](https://www.aeroacm.com/wp-content/uploads/2026/03/20260301225029620-word-image-11907-5.png)
维修提示
PRV和FAV不需要电源,气动控制操作。此外,用于指示和控制的传感器位于远处,并通过信号管路连接到PRV和FAV。
若气动系统压力和温度出现故障,检查所有气动管路连接的完整性。BMC BITE无法确认系统的完整性。
有一套测试程序用于对气动系统进行排故。可单独对部件、部分进行检查。
如果ECAM上显示ENG BLEED LEAK(发动机引气泄漏)警告,则发动机气动管道上可能存在高压空气泄漏。可以通过使用(铝箔)包裹程序确定泄漏源。此步骤也用于活门或管道安装后的检查。
步骤:
-将箔片缠绕在接头上一次,
-拧紧箔片的接缝,
-用锁线将箔片固定在接头的两侧,
-运行发动机,
-停机后,检查是否有任何泄漏迹象。
ECAM BLEED页面上的GND指示会引起混淆。无法确定是外部气源连接,还是接近门已打开。
当飞机在地面上时,BLEED页面上出现GND,表示外部气动电源直接连接到系统的左侧。提供外部地面空气的唯一指示是左侧的系统压力指示。
地面供气口位于机身下部。接近门在机腹整流罩上。
在地面气源启动时,必须手动操作交输活门。为了安全,建议使用地面气源启动1发(A330)。然后断开地面气源,并为后续启动做交叉启动。
![图片[6]-A330-36引气(气动系统)【系统原理】-航修札记](https://www.aeroacm.com/wp-content/uploads/2026/03/20260301225031232-word-image-11907-6.png)
![图片[7]-A330-36引气(气动系统)【系统原理】-航修札记](https://www.aeroacm.com/wp-content/uploads/2026/03/20260301225036848-word-image-11907-7.png)
![图片[8]-A330-36引气(气动系统)【系统原理】-航修札记](https://www.aeroacm.com/wp-content/uploads/2026/03/20260301225038744-word-image-11907-8.png)
概述
交输活门连接或断开左侧和右侧的气动歧管。当连接到地面车时,高压气供应到左侧,并通过交输活门供应到右侧。
APU供气:
-地面上
-爬升至23000 feet(7010米)
-从21000 feet(6400米)下降期间。
发动机引气系统连接到相应的气动歧管。
![图片[9]-A330-36引气(气动系统)【系统原理】-航修札记](https://www.aeroacm.com/wp-content/uploads/2026/03/20260301225040197-word-image-11907-9.png)
高压地面气源供应
地面电源通过(位于腹部整流罩左侧下部的)两个HP地面接头(包括单向活门和内置喷嘴)供气。
使用一根短导管将HP接地连接器连接到交输活门左侧。
地面气源的供应的连通并打开显示在ECAM BLEED页。
该压力指示通过发动机引气系统给出。
注意:在地面车对交叉引气歧管加压之前,必须关闭飞机所有引气系统。
![图片[10]-A330-36引气(气动系统)【系统原理】-航修札记](https://www.aeroacm.com/wp-content/uploads/2026/03/20260301225112323-word-image-11907-10.png)
APU引气供应
主要部件
1.APU引气活门(①电磁铁控制和气动工作;②FC/NOT FC开关指示和监测)
2.APU单向活门
当APU BLEED P/B设置为ON时,一个地面信号发送到BMCs。
如果有以下情况,BMCs发送打开指令到ECB。
-APU主控开关ON;
-APU BLEED P/B 设置为ON;
-APU 引气管无泄漏;
-LH气动歧路无泄漏。
当ECB接收到打开指令,只有在以下状态时,引气活门电磁铁通电。
-APU速度超过95%;
-未执行APU关闭;
-爬升时,高度低于23000 feet(7010米)或下降期间低于21000 feet (6400米)
因此,当APU向用户供气时,APU引气活门打开,两台发动机的PRV自动关闭,交叉活门自动打开。APU引气活门位置和引气压力显示在ECAM BLEED页上(压力值由发动机引气系统给出)。
![图片[11]-A330-36引气(气动系统)【系统原理】-航修札记](https://www.aeroacm.com/wp-content/uploads/2026/03/20260301225113608-word-image-11907-11.png)
交输系统
交输活门:
电控关断活门;
两个独立的电控马达用于手动或者自动操作;
两个微动开关(FO和FC开关)指示位置并发送给两个BMC;
AIR面板上的交输活门选择器可选择手动或自动控制。
自动控制:
当交输活门选择器位于AUTO位置,BMC通过主马达对活门进行控制。
当以下情况时,BMCs发送一个地面信号给交输活门自动控制继电器。
-APU BLEED P/B 在ON位;
-APU引气活门未全关;
-无泄漏。
结果:继电器给主力矩马达供电,交输活门打开。FO位反馈显示在ECAM BLEED页。
当APU BLEED未选择,APU引气活门关闭,随后交输活门关闭,FC位反馈显示在ECAM BLEED页。
手动控制:
手动打开控制可在以下情况使用:
-地面车交叉供应;
-交叉引气发动机启动;
-或发动机引气系统出现故障。
当手动控制选择后,主马达电源断开。
当交输活门选择器设置为OPEN时,直接向备用马达供电,从而打开活门。
当交输活门选择器设置为CLOSE时,备用马达关闭活门。
在自动模式下,活门位置通过2个微动开关显示在ECAM BLEED页上。
错误操作:
如果活门位置和指令不一致,BMC将触发ECAM信息,并自动显示BLEED页。
![图片[12]-A330-36引气(气动系统)【系统原理】-航修札记](https://www.aeroacm.com/wp-content/uploads/2026/03/20260301225115515-word-image-11907-12.png)
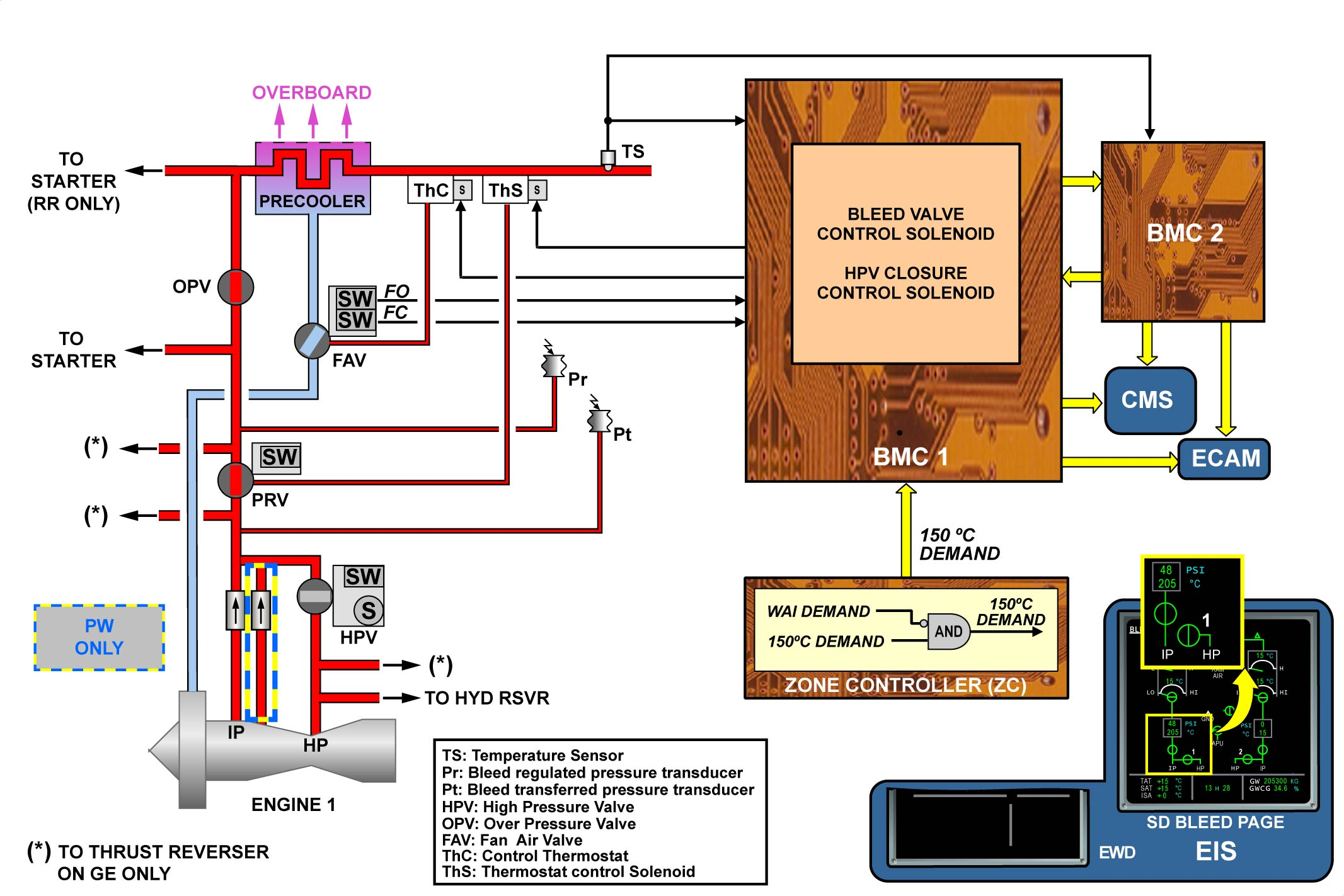
3、发动机引气管理系统
概述
引气源主要来自于发动机。
通常来源于IP压缩机(8级)的中压级,最大限度来减少燃油消耗。
当中压级引气不足,自动选择高压级(6级)。
每个发动机包含以下子系统:
-气动传输系统。(选择IP或HP);
-压力限制系统(调节引气压力以防止超压);
-温度限制系统(调节引气温度以防止超温)。
![图片[13]-A330-36引气(气动系统)【系统原理】-航修札记](https://www.aeroacm.com/wp-content/uploads/2026/03/20260301225116408-word-image-11907-13.png)
引气传输
取决于可用压力和发动机速度。
一个引气口到另一个引气口,在HP级通过HPV实现。
高速时。IP口引气。
低速时,尤其是下降过程怠速时,IP引气不充足,则从HP引气。
可以通过关闭HPV强行转移到IP级,相关发动机的EEC对HPV的电磁铁进行控制。
发动机BLEED P/B也可以关闭HPV。
在HP引气时,装在IP级的单向活门防止返流。
压力限制
空气首先进入发动机引气压力调节系统。
该系统由PRV构成。PRV连接着电磁阀温度传感器,起关断和压力调节作用。
PRV由恒温器/电磁阀组件 (ThS) 完全气动操作和控制。
PRV通过电磁阀温度传感器的关闭功能由相应的BMC控制,或使用位于AIR面板或发动机FIRE P/B上的ENG BLEED P/B控制。
OPV保护系统免受超压。
温度限制
FAV调节气流通过热交换器来完成引气系统的温度调节。
FAV由BMC通过Thc控制。
调节以下两个温度:
①200 ℃,标准状况(电磁铁未通电)
②150 ℃,如果机翼防冰系统不工作(电磁阀通电),则空调系统需求150°C。
监测
在ECAM BLEED页上显示:
-活门位置
-引气温度
-压力显示
![图片[14]-A330-36引气(气动系统)【系统原理】-航修札记](https://www.aeroacm.com/wp-content/uploads/2026/03/20260301225117189-word-image-11907-14.png)
4、发动机引气输送系统
描述
HP压缩机级源的选择是通过HPV和中压单向活门完成的。
HPV:
HPV是气动操作的,用于压力限制和安全。
HPV在弹簧载荷下为关闭状态。
HPV通过双线圈电磁阀进行电气控制来关闭。
HPV最小工作压力为12 Psi,气动压力调节在40 Psi左右。
HPV有一个FC/NOT FC微动开关用于监测和指示。
出于维护目的,HPV有一个地面测试端口、一个机械位置指示器和一个螺纹孔,可使HPV锁定在关闭位。
IP单向活门:
当HPV打开时,单向活门自动关闭,以防止HP空气进入IP级。
引气输送压力传感器:
引气传输压力传感器安装在发动机吊架的支架上。感应HPV下游的压力。
正常工作
IP/HP引气输送控制是气动完成的,当IP级压力超过HPV调节压力的平均值(40Psi),HPV关闭,随后从IP级引气。
出现以下情况,EEC给HPV电磁铁通电,实现电控关闭:
-内部逻辑;
-通过继电器在ENG BLEED P/B上作动
HPV位置显示在SD BLEED页。
HPV异常关闭
为了保护系统或特定工作时,则使用异常BMC关闭功能。
BMC通过继电器向EEC发送HPV关闭命令。
每当PRV被命令关闭时,也会发送HPV关闭命令。
当以下情况时,HPV也会关闭。
– HP压力高于85 psi,未选择机翼防冰(WAI)且海拔高于26000 feet(7925米)时
-或者当压缩机出口温度高于430 ℃且HP压力高于75 psi时。
如果IP/HP输送失效,当上游压力高于185 psi时,HPV气动关闭。
活门位置不一致
当HPV被控制打开,并被检测到处于关闭位置时,BMC触发ECAM信息,BLEED页自动显示。
监测
引气输送压力传感器用于PRV和HPV的系统监测和故障隔离。
为了维护,相关的故障信息被发送到中央维护系统(CMS)。
![图片[15]-A330-36引气(气动系统)【系统原理】-航修札记](https://www.aeroacm.com/wp-content/uploads/2026/03/20260301225118104-word-image-11907-15.png)
5、发动机引气调压系统
系统描述
组成:
-PRV(连接着Ths)
-OPV
-引气调节压力传感器
PRV:
功能:调节压力,但无返流保护功能,返流保护功能由HPV实现。
PRV是蝶板类型的活门,由ThS气动操作和电气控制。
Ths通过气动线路连接连接到PRV,安装在预冷器交换器的下游管路上。
关位由微动开关监测和指示。
PRV有一个地面测试口和一个带螺纹孔的位置指示器。可以将活门锁定在关闭位置。
OPV:
若PRV异常(超压),OPV保护下游的气动系统。
OPV是气动操控的常开活门。
活门作动压力来自于活门上游。
引气压力调节传感器:
是一种硅型传感器,连接到PRV的下游。
传感器连接到两个BMC。
压力调节
在上游没有压力时,PRV关闭。
PRV最小打开压力为8 Psi。
PRV将下游静压调节至:
-52 psi(最大)。
-44 psi(最小)。
当预冷器下游温度超过235℃时,ThS将控制PRV减小引气流量,从而在FAV已完全打开的情况下,辅助降低引气温度。
引气系统隔离功能
在异常或特定条件下,通过关闭PRV将每个发动机引气系统与气动歧管隔离。
手动隔离:
通过释放AIR面板上相应的BLEED P/B,从而给ThS通电,从而关闭PRV,可以手动将发动机引气系统与气动歧管隔离。
在ECAM引气页面上显示PRV位置。
火情隔离:
如果发动机起火,通过释放FIRE P/B,使ThS通电,隔离受影响发动机的引气系统。
ECAM BLEED页显示PRV的位置。
自动隔离:
BMC可以通过通电ThS自动隔离发动机引气供应:
-如果检测到吊架或机翼泄漏,
-如果超压,
-如果超温,
-在发动机启动期间,
-在APU引气供应期间。
超压保护
如果调节压力高于60 Psi,BMC监测到超压并关闭PRV。
EWD上显示警告信息,BLEED页自动显示HPV和PRV关闭(琥珀色)。
除了BMC进行监测外,OPV在发生故障时还提供备用保护。
OPV在当上游压力增加到75 Psi以上时自动开始关闭,并在85 Psi时完全关闭。只要上游压力高于52 Psi(±3 Psi),活门就会保持关闭状态。
监测
引气调节压力传感器用于PRV和OPV的系统监测和故障隔离。
相关故障信息被发送到ECAM和中央维护系统(CMS),用于维护。
![图片[16]-A330-36引气(气动系统)【系统原理】-航修札记](https://www.aeroacm.com/wp-content/uploads/2026/03/20260301225123554-word-image-11907-16.png)
6、发动机引气温度调节系统
概述
目的:控制供应到气动歧路的引气温度。
两个温度设定:
①200 ℃,正常状态或机翼防冰系统不工作
②150 ℃,WAI系统不工作时,区域控制器(ZC)发出150℃的空调要求。
此外,它还保护用户系统免受引气过热和低温事件的影响。
描述
温度调节系统组成:
-FAV(连接Thc)
-预冷器
-温度传感器
FAV:
FAV调节流向预冷器的风扇气流来调节引气温度。
根据预冷器出口温度,ThC气动控制FAV,在没有作动压力的情况下,FAV在弹簧载荷下关闭。
ThC具有两个温度探杆,通过电磁铁选择两个温度设置。
FO和FC由微动开关来监测。
出于维护目的,FAV有一个机械位置指示器和一个螺纹孔,可以用螺钉将活门锁定在关闭位置。
预冷器:
预冷器是一个空气-空气热交换器,位于发动机吊架中。
它使用发动机风扇空气将从发动机排出的空气冷却到适宜的温度。
出口引气温度传感器:
传感器是铂电阻式的双传感器。
每个感测元件向BMC提供温度测量。
安装在发动机吊架的引气管上,位于预冷器的下游。
温度调节
Thc使用的压力是从预冷器交换器的出口分离出来的。
连接FAV打开腔的压力由温度探杆的膨胀调节。
如果ZC要求,如果未选择ANTI ICE WING P/B,则200 ℃温度指令可切换到150 ℃。在这种情况下,BMC会给电磁铁通电,备用探杆会工作(激活)。
温度限制和超温保护:
引气温度限制功能优先于引气压力控制。
当温度超过235 ℃时,ThS激活该限制。FAV已经完全打开,ThS将命令PRV减小引气流量来降低温度。
在257 ℃以上,PRV由BMC控制自动关闭,ECAM上显示的温度变为琥珀色,并出现ECAM信息。
低温检测:
当ANTI ICE WING P/B打开时,如果温度传感器温度低于150 ℃,BMC将检测到低温。
ECAM上触发警告,引气温度显示为琥珀色。
监测
当过热或低温时,通过分析两个FAV位置开关的反馈,来进行FAV工作监测和故障隔离。
相关故障信息被发送到ECAM和中央维护系统(CMS),用于维护。
![图片[17]-A330-36引气(气动系统)【系统原理】-航修札记](https://www.aeroacm.com/wp-content/uploads/2026/03/20260301225125788-word-image-11907-17.png)
7、泄漏检测系统
概述
泄漏检测系统分为左右两个子系统(交输活门为界限)。
检测环路沿引气网络排布。每个环路由串联的过热传感元件组成。
双回路探测系统安装在机翼、空调组件(PACKS)和交输活门区域以及APU引气管道区域。
吊架中安装了单回路检测系统。
感应元件
感应元件有被氧化铝绝缘层包裹的固态中心导体,并且集成于连接在飞机接地的外管中。
共晶盐填充外管和中心导体之间的空间。
每个感应元件都永久的受其所保护的室温的影响。
对于任何温度高于预设值,并应用于元件的一小段长度,共晶盐的电阻迅速下降,并且在外管和导体之间建立连续性。中心导体接地。
![图片[18]-A330-36引气(气动系统)【系统原理】-航修札记](https://www.aeroacm.com/wp-content/uploads/2026/03/20260301225126682-word-image-11907-18.png)
BMC环路监测
BMC监测四个检测回路:
-发动机吊架
-左机翼和左组件上方
-右机翼和右组件上方
-APU环路。
两个BMC都通过ARINC总线交换环路数据。BMC 1向BMC 2发送APU泄漏离散信号。
如果一个BMC不工作,另一个BMC将接管机翼/组件和APU泄漏监测,但相应的吊架泄漏检测丢失。
泄漏检测操作
一旦发生泄漏,热空气就会增加受影响区域检测回路的温度,从而改变其电阻。BMC检测到电阻变化,BMC关闭相关活门来隔离受影响的系统。
在APU引气操作期间,如果检测到热空气泄漏,BMC给ECB发送关闭指令,使APU引气活门关闭(主发动机启动(MES)顺序期间除外)。
如果APU引气活门被命令关闭,且交输活门选择器处于AUTO位,则交输活门也会关闭。
一旦检测到泄漏,EWD上显示警告消息。此外,AIR面板BLEED P/BSW用于指示泄漏,其FAULT灯以琥珀色显示。
如果在左侧气动歧管中检测到泄漏,则发动机1 BLEED P/BSW的FAULT灯亮。
如果在右侧气动歧管中检测到泄漏,则发动机2 BLEED P/BSW的FAULT灯亮。
如果在APU引气系统中检测到泄漏,则APU BLEED P/BSW的FAULT灯亮。
只要泄漏持续存在,则BLEED P/BSW的FAULT灯保持常亮。
![图片[19]-A330-36引气(气动系统)【系统原理】-航修札记](https://www.aeroacm.com/wp-content/uploads/2026/03/20260301225127789-word-image-11907-19.png)
二、维护
气动系统基础维护
介绍
警告:发动机关闭后,零件可能会高温1小时。
警告:在开始工作之前,请确保气动系统已释压。加压空气可能会对人身伤害。
![图片[20]-A330-36引气(气动系统)【系统原理】-航修札记](https://www.aeroacm.com/wp-content/uploads/2026/03/20260301225129339-word-image-11907-20.png)
引气输送压力传感器的功能测试
此任务可使用外部压缩空气进行检查。
![图片[21]-A330-36引气(气动系统)【系统原理】-航修札记](https://www.aeroacm.com/wp-content/uploads/2026/03/20260301225131824-word-image-11907-21.png)
设置:
在驾驶舱内,给A/C电路通电后,确保发动机系统和引气系统断电,并在发动机启动面板(145VU)、发动机主控面板(125VU),维护面板的发动机部分(285VU)和空气控制面板(225VU)上张贴警告通知,告诉人们不要操作这些系统。
在腹部整流罩上的高压(HP)接地连接器上,贴上警告通知,告诉人们不要给气动系统加压。
接近吊架顶部,取下面板,找到压力传感器。
断开引气传输压力传感器和引气压力调节传感器的电气接头。使用测试装置(98F36003002000或98D36003000001)的电缆束连接道电气连接器。从传输的压力传感器上断开感应管路。
![图片[22]-A330-36引气(气动系统)【系统原理】-航修札记](https://www.aeroacm.com/wp-content/uploads/2026/03/20260301225132339-word-image-11907-22.png)
![图片[23]-A330-36引气(气动系统)【系统原理】-航修札记](https://www.aeroacm.com/wp-content/uploads/2026/03/20260301225133665-word-image-11907-23.png)
![图片[24]-A330-36引气(气动系统)【系统原理】-航修札记](https://www.aeroacm.com/wp-content/uploads/2026/03/20260301225135741-word-image-11907-24.png)
![图片[25]-A330-36引气(气动系统)【系统原理】-航修札记](https://www.aeroacm.com/wp-content/uploads/2026/03/20260301225137501-word-image-11907-25.png)
程序:
将TEST SET电源连接到传感器压力端口。
按下ECAM控制面板上的BLEED键,显示ECAM BLEED页面。
在TEST SET上,打开气瓶的关闭阀。使用主压力调节器将测试装置加压至100 Psi。
然后使用NO.1压力调节器将传感器从10 Psi缓慢加压至90 Psi。在BLEED页面上,检查压力值是否与NO.1压力表±2 Psi一致。
![图片[26]-A330-36引气(气动系统)【系统原理】-航修札记](https://www.aeroacm.com/wp-content/uploads/2026/03/20260301225138962-word-image-11907-26.png)
![图片[27]-A330-36引气(气动系统)【系统原理】-航修札记](https://www.aeroacm.com/wp-content/uploads/2026/03/20260301225139911-word-image-11907-27.png)
结束:
对TEST SET进行减压。
将TEST SET从引气传输压力传感器上断开,并将其重新连接到传感管路上。
从压力传感器上断开电缆束,并重新连接传感器的电气连接器。
在MCDU的BMC页面上,选择TEST进行BITE TEST。按START TEST并等待测试结束。
测试完成后,检查是否有与传感器相关的维护信息。
关闭相应的接近面板,将A/C恢复到其初始配置。
![图片[28]-A330-36引气(气动系统)【系统原理】-航修札记](https://www.aeroacm.com/wp-content/uploads/2026/03/20260301225140809-word-image-11907-28.png)
![图片[29]-A330-36引气(气动系统)【系统原理】-航修札记](https://www.aeroacm.com/wp-content/uploads/2026/03/20260301225141741-word-image-11907-29.png)
![图片[30]-A330-36引气(气动系统)【系统原理】-航修札记](https://www.aeroacm.com/wp-content/uploads/2026/03/20260301225143844-word-image-11907-30.png)
![图片[31]-A330-36引气(气动系统)【系统原理】-航修札记](https://www.aeroacm.com/wp-content/uploads/2026/03/20260301225144508-word-image-11907-31.png)
![图片[32]-A330-36引气(气动系统)【系统原理】-航修札记](https://www.aeroacm.com/wp-content/uploads/2026/03/20260301225145176-word-image-11907-32.png)
三、其他
1、部件件号
![图片[33]-A330-36引气(气动系统)【系统原理】-航修札记](https://www.aeroacm.com/wp-content/uploads/2026/03/20260301225146201-word-image-11907-33.png)
2、英文缩写
![图片[34]-A330-36引气(气动系统)【系统原理】-航修札记](https://www.aeroacm.com/wp-content/uploads/2026/03/20260301225146962-word-image-11907-34.png)










暂无评论内容