1.背景
B-XXXX飞机监控到有ANTI ICE ENG1 VALVE CLSD信息,航后更换1发防冰活门,试车故障依旧;进一步检查发现防冰活门连接的SENSELINE有漏气,更换漏气的软管后,试车正常。
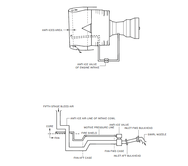
2.原理
CFM56发动机防冰活门提供HP5级引气为发动机进气道提供防冰保护。它是一个蝶形活门,当没有动力压力时,该活门由弹簧加载至关闭位置。活门上有一个电磁阀控制阀门的关闭。当电磁阀失电时,在有足够动力压力的情况下,活门会完全打开。从HP9级引出的空气为该阀门提供动力压力,当动力压力超过 10 psi,阀门开始工作。当电磁阀通电时,活门关闭。

3.机队故障履历
4.故障分析
(1)我们知道发动机防冰活门想要打开,不仅需要打开发动机防冰电门(也就是电信号),还要来自HP9级的大于10PSI的压力信号。那我们就可以通过译码去分析当机组按压发动机防冰电门后,相关参数状态。
由译码我们可以看出当发动机防冰活门按压之后,防冰处于关闭位,这时N1 29.6%,过了将近三分钟后防冰活门打开,此时N1 31.7。有理由怀疑由于发动机防冰活门信号管路的漏气使得发动机防冰活门在这三分钟之内由于压力不足未打开。航后也证实了信号管路出现漏气的情况。


(2)如何检查防冰活门信号管路
①目视检查
可参考AMM30-21-49-210-040-A检查信号管路有没有与机匣磨损,搭接的地方。
②渗漏测试
信号管路的位置不难接近,可以使用引气测试设备里面工装和接头连接氮气瓶和信号管路,将信号管路的另一头堵住。使用侧漏剂涂抹到信号管路进行检查。也可检查管路有无堵塞。
(3)常见管路损伤位置


5.总结
当监控到有ANTI ICE ENG1(2) VALVE CLSD故障时,可以通过译码的情况分析出大概率故障的部件。减少工作量,增加排故准确率。
来源: 📌 原文链接:点击查看