Honeywell-INTRODUCTION介绍
介绍INTRODUCTION 1. How to Use This Manual 怎么使用手册 A. General 通用 (1) This publication gives maintenance instructions for the equipment shown on the Title page. 本出版物提供...
SOPM20-10-01高强度钢零件的修理和表面处理
高强度钢零件的修理和表面处理REPAIR AND REFINISH OF HIGH STRENGTH STEEL PARTS 1. INTRODUCTION 介绍 A.The procedures in this subject are applicable to high strength, low-alloy steel ...
SOPM20-42-11低氢脆锌-镍合金电镀
低氢脆锌-镍合金电镀LOW HYDROGEN EMBRITTLEMENT ZINC-NICKEL ALLOY PLATING 1. INTRODUCTION 介绍 A. The data in this subject comes from Boeing Process Specification BAC 5680. Access to...
Aviation Mechanic Handbook-Introduction
Introduction Introduction介绍Your time as an aviation mechanic is too valuable to be spent looking through stacks of reference books to find a particular chart, formula or diagram ...
电气性能之绝缘电阻、介电强度、电阻、搭接电阻的介绍
电气性能之绝缘电阻、电阻、搭接电阻、介电强度 我们在做机械部件电气测试时,CMM要求测试的电气性能主要有:绝缘电阻、电阻、电连接、介电强度等,下面为大家简单讲解它们的具体的功能及区...
SOPM20-42-10低氢脆性触针镀镉
低氢脆性触针镀镉LOW HYDROGEN EMBRITTLEMENT STYLUS CADMIUM PLATING 1. INTRODUCTION 介绍 A. The data in this subject comes from Boeing process specification BAC5854 for low hydrog...
107492 BLEED AIR REGULATOR【部件介绍】
引气调节器107492 一、名称 BLEED AIR REGULATOR 引气调节器BAR 二、件号 107492-1~-3,-5,-6,10-62008-10,-23,-37,-40,-41 三、章节号 36-13-95 四、适用机型 B737-300/-400/-500/-600/-700/-80...
SOPM20-60-01清洁材料
清洁材料CLEANING MATERIALS 1. INTRODUCTION 介绍 A. Cleaning materials identified in the overhaul instructions are in this list. 大修说明中列出的清洁材料都在此清单中。 B. Vendor pro...
SOPM20-50-01螺栓和螺母的安装
螺栓和螺母的安装BOLT AND NUT INSTALLATION 1. INTRODUCTION 介绍 A. The data in this subject comes from Boeing Process Specification BAC5009. Access to the Boeing Process Specific...
766A0000PNEUMATIC TEMPERATURE SENSOR
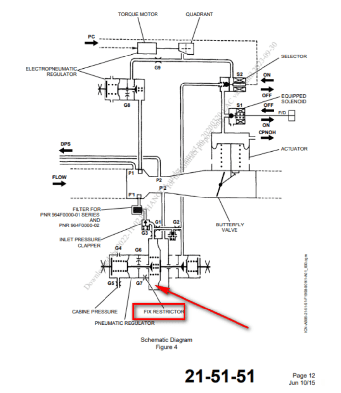
一、名称PNEUMATIC TEMPERATURE SENSOR气动温度传感器二、件号766A0000-01,766B0000-01,766C0000-01三、章节号21-52-28四、适用机型A318/A319/A320/A321/A330/A340五、系统21 AIR CONDITIONING...
SOPM20-60-03润滑油
润滑油LUBRICANTS 1. INTRODUCTION 介绍 A. Lubricants identified in the overhaul instructions are in this list. 大修说明中确定的润滑油列于本清单中。 B. Vendor product names and numbe...
SOPM20-50-19通用密封
通用密封GENERAL SEALING 1. INTRODUCTION 介绍 WARNING :DO NOT USE THIS PROCEDURE TO APPLY SEALANT TO ENCAPSULATE FASTENERS IN THE FUEL TANK. THIS PROCEDURE WILL NOT AGREE WITH EME ...
SOPM20-11-06缠绕导线电气连接的修理
缠绕导线电气连接的修理REPAIR OF WRAPPED WIRE ELECTRICAL CONNECTIONS 1. INTRODUCTION 介绍 A. A wrapped wire connection consists of a helix of continuous, solid, uninsulated wire ...
Honeywell-REPAIR修理
修理REPAIR 1. Planning Data 计划数据 A. Reason for the Job 工作原因 (1) Use these procedures for the modulating shutoff valve to replace defective parts and replace or repair de...
SOPM20-10-04镀铬零件的研磨
镀铬零件的研磨GRINDING OF CHROME PLATED PARTS 1. INTRODUCTION 介绍 A. The data in this subject comes from Boeing Process Specification BAC5032. Access to the Boeing Process Specifi...
开关知识和常用术语【转】
开关是一种控制电路中电流通断的装置,广泛用于家庭、工业和电子设备中。 1. 极和掷的命名约定 开关的基本功能用“极”和“掷”来描述: •极 (Pole):表示开关的输入触点数量,或一个...
SOPM20-11-04电气和电子元件标准维护说明
电气和电子元件标准维护说明ELECTRICAL AND ELECTRONIC COMPONENT STANDARD MAINTENANCE INSTRUCTIONS 1. INTRODUCTION 介绍 A. This subject gives general instructions for overhaul of a...
SOPM20-10-05热喷涂涂层的应用和表面处理
热喷涂涂层的应用和表面处理APPLICATION AND FINISHING OF THERMAL SPRAY COATINGS 1. INTRODUCTION 介绍 A. The data in this subject comes from Boeing Process Specifications BAC5851 a...























