空客A320 -35章氧气系统
概要
氧气系统部件位置(2)
飞机维护环境中的氧气系统(2)
机组氧气
机组氧气面罩使用/储存/测试(2)
乘客氧气
乘客氧气系统描述/工作(3)
乘客氧气组件描述/工作(3)
乘客气态氧气系统描述/工作(选装)(3)
便携氧气
机组便携氧气系统描述/工作(3)
客舱便携氧气装备描述/工作(3)
维护经验
氧气系统线路维护(2)
机组氧气瓶拆除与安装(2)
氧气系统部件位置(2)
系统总览
氧气系统包括:
-机组系统
-乘客系统
-便携系统
机组氧气系统:
飞行机组氧气系统向飞行机组提供氧气。在驾驶舱发生释压、烟雾或者危险气体时使用。在驾驶舱,氧气由高压氧气瓶储存,通过快速连接的面罩供氧。
乘客氧气系统:
乘客和客舱服务员氧气系统有化学氧气发生器组件提供,氧气发生器组件位于客舱、服务员工作站、厕所和厨房区域。
有两种类型的化学发生器可以提供15分钟或者22分钟的氧气。
便携氧气系统:
在紧急情况下,需要做急救处理时,便携氧气系统向乘客、客舱乘务员和机组提供氧气。
便携呼吸设备(PBE)向飞行机组和客舱乘务员提供呼吸手段和眼部保护。
它可以使他们自由的灭火。
高压便携氧气瓶包括持续流量型面罩并且可向乘客提供急救氧气。
![图片[1]-A320-35氧气【系统原理】-航修札记](https://www.aeroacm.com/wp-content/uploads/2026/02/20260228225057940-word-image-11815-1.png)
飞行机组氧气系统
飞行机组氧气由一个压力为127.5bar(1850psig)高压氧气瓶供氧。
维护时氧气瓶可以通过人工ON/OFF活门隔离。
无论人工活门的位置在开位还是关位,均可以通过一个直读压力表读取瓶内压力。
氧气瓶安装在电子设备舱左侧以两个快卸卡箍固定。
一个压力调节器传感器组件直接连接在氧气瓶上。
它包括两个状态,一个高压状态由综合压力传感器给ECAM指示和一个低压状态。
压力调节器调制输出4.48到6.48bar(65到94psig)的低压。
一个供气活门可以开启或者关闭氧气源。在氧气面板上,CREWSUPPLYP/B控制这个供气活门。
安全装置提供高压和低压的保护,它包括一个高压安全出口和一个低压安全出口。
高压安全出口是一个易碎片。低压安全出口是一个压力释放活门。当氧气瓶压力到达2500至2755psig时易碎片破裂。低压释放活门低压氧气设定值为175psig。
一个机外绿色释放指示器连接到高压安全出口和低压安全出口管路上。如果超压,绿色的盘片被吹出,黄色的指示器显现,这意味着氧气瓶释放或者压力释放活门开。
一个压力电门和一个测试接口连接在分配总管上。
当供氧氧气压力降低到3.45±0.35bar(50±5psig)压力电门做动,向ECAM/DOOR/OXY页面传输一个警告信息REGUL LO PR(调节压力低)。
选装充氧接头可向氧气瓶充氧,无需从飞机上拆除氧气瓶。
在下ECAMDU的氧气页面上,容量77立方英尺的氧气瓶的氧气压力显示如下:
(a)<400psig,琥珀色。
(b)400psig,绿色。当压力低于800psig的时候绿色的指示闪烁,DOOR/OXY页面自动显示。
(c)当氧气压力小于1500psig的时候一个琥珀色的半框显示。
对于容量为115立方英尺的氧气瓶:
(d)<300psig,琥珀色。
(e)300psig,绿色。当压力低于600psig的时候绿色的指示闪烁,DOOR/OXY页面自动显示。
(f)当氧气压力小于1000psig的时候一个琥珀色的半框显示。
如果氧气压力减少到小于最低工作压力3.45±0.35bar(50±5psig)时,在DOOR/OXY页面上琥珀色的REGUL LO PR显示。
氧气面罩组件和储存箱安装在每一个机组成员座位附近的。
储存箱储存面罩。当氧气面罩从箱内取出的时候,安装在储存箱内的供气活门打开,使得氧气流向面罩。
欲使用面罩,需捏紧红色的压片(2个)。这样可使面罩上的膨胀导管膨胀。
将面罩放置到位,并且松开红色压片。
当松开红色压片,通往膨胀导管的氧气切断并且存留在膨胀导管中的氧气被释放到空气中。
![图片[2]-A320-35氧气【系统原理】-航修札记](https://www.aeroacm.com/wp-content/uploads/2026/02/20260228225058297-word-image-11815-2.png)
乘客氧气系统
当客舱压力高于14,000feet氧气面罩自动放下或者一个机组成员按压MASK MAN ON按压电门时氧气面罩人工放下。
一个录制的信息被发送至乘客广播系统。
当乘客氧气系统电源接通时,白色乘客SYStemON指示灯亮。
氧气面罩收起后,可以重置使得电气系统重新预位。
如果氧气面罩容器门打开系统故障,通过使用释放工具人工打开氧气面罩容器门。
当按压TiMeR RESET按压电门后,TMRR ESET按压电门灯的白色ON灯亮。
SYSON灯熄灭并且录制的公告停止播放。
在地面,使用过的化学氧气装置必须更换并且所有面罩必须收起。
在维护面板上按压TMRRESET按压电门灯的同时系统被重置。
容器门上安装有人工操纵的门止动块。这些止动块可用来落实面罩释放系统操作测试。
在测试位由于有止动块阻挡,门不会完全打开并且面罩不会从容器中掉出。
![图片[3]-A320-35氧气【系统原理】-航修札记](https://www.aeroacm.com/wp-content/uploads/2026/02/20260228225059194-word-image-11815-3.png)
机组便携氧气系统
机组氧气瓶压力显示在气瓶直读表上。
当指针指向表盘的FULL范围时,压力正常。
如果压力不正常,需要更换便携氧气瓶。
PBE是真空包装的,装在一个运输/储藏容器内。
容器有两个指示器,这些指示可以用做飞行前检查:
-一个良好状态指示器(根据PBE的类型,例如绿色-可用,红色-不可用)
-一个一次性封严(在位-可用,损坏-不可用)
![图片[4]-A320-35氧气【系统原理】-航修札记](https://www.aeroacm.com/wp-content/uploads/2026/02/20260228225111337-word-image-11815-4.png)
部件位置
驾驶舱机组氧气系统位于飞机前部区域左侧。
乘客和客舱机组氧气容器位于帽架、厕所、厨房和客舱服务员岗位座椅上方。便携氧气瓶和防烟罩位于驾驶舱和客舱靠近客舱服务员岗位的地方。
![图片[5]-A320-35氧气【系统原理】-航修札记](https://www.aeroacm.com/wp-content/uploads/2026/02/20260228225112955-word-image-11815-5.png)
![图片[6]-A320-35氧气【系统原理】-航修札记](https://www.aeroacm.com/wp-content/uploads/2026/02/20260228225114875-word-image-11815-6.png)
飞机维护环境中的氧气安全(2)
氧气特性
空气是由21%的氧气、78%氮气和1%其它气体构成。
气态氧气是无色、无嗅、无味的。
气态氧气不能燃烧,但是是助燃的。
气态氧气比空气重并且可以聚集到低洼区域。
氧气可以和大多数金属和有机材料燃烧。
因材料类型不同反应也不同:
-反应可能会放缓,并且会产生俗称铁锈的氧化铁,
-当氧气接触到石化产品可能会加速反应,并且能产生火焰或者爆炸。
![图片[7]-A320-35氧气【系统原理】-航修札记](https://www.aeroacm.com/wp-content/uploads/2026/02/20260228225116360-word-image-11815-7.png)
![图片[8]-A320-35氧气【系统原理】-航修札记](https://www.aeroacm.com/wp-content/uploads/2026/02/20260228225117125-word-image-11815-8.png)
飞机氧气系统
在高高度时,飞机内增压(ATA21)系统可以保持足够的大气压力,在飞机中形成氧分压。
在飞机失压的情况下,氧气系统(ATA35)向机组和乘客提供充足氧分压,直到飞机降到低高度(10000ft)许多的系统使用瓶装的高压氧气。
![图片[9]-A320-35氧气【系统原理】-航修札记](https://www.aeroacm.com/wp-content/uploads/2026/02/20260228225118536-word-image-11815-9.png)
![图片[10]-A320-35氧气【系统原理】-航修札记](https://www.aeroacm.com/wp-content/uploads/2026/02/20260228225119728-word-image-11815-10.png)
失火三角
下列因素中有一个缺失,就不会有火灾/爆炸发生:
-氧气
-易燃物
-点火源
以上因素集合起来,即可导致火灾并且持续燃烧。
![图片[11]-A320-35氧气【系统原理】-航修札记](https://www.aeroacm.com/wp-content/uploads/2026/02/20260228225120203-word-image-11815-11.png)
点火源
点火源有(举例):
-暗火(例如点燃的香烟)
-火星(例如结构修理摩擦出来的火星)
-电气过热(例如电气发动机,接触不良)
-放电(静电释放、短路、移动电话运行、雷暴的闪电)
-当出现过高的压力或者快速的开、关氧气活门(瞬间增压)或者氧气瓶受到撞击(分子扰动)的时候导致氧气过热。
-微量的碳氢化合物(石化产品)与纯氧混合。
![图片[12]-A320-35氧气【系统原理】-航修札记](https://www.aeroacm.com/wp-content/uploads/2026/02/20260228225121146-word-image-11815-12.png)
富氧空气
当氧气含量大于等于24%时,空气被称作富氧空气。
比较空气中的火焰,富氧空气中的火焰有如下特点:
-更加猛烈
-更高高温
-更大热能
高压下纯氧将与下列物质发生剧烈反应,例如油、油脂、纺织品和橡胶,并且产生强烈的火焰。大多数情况下,富氧条件下发生的火焰在火源没有被隔离的情况下无法熄灭。
急救
人员不能直接进入富氧失火区域救助伤员。救助者也有着火的风险。受伤人员必须用水喷淋,并且尽可能快的运出到自由空气当中。紧急救护必须尽快实施并且如条件允许应将严重烧伤人员送往专门救助单位。
![图片[13]-A320-35氧气【系统原理】-航修札记](https://www.aeroacm.com/wp-content/uploads/2026/02/20260228225123335-word-image-11815-13.png)
加压气体的危险
氧气以高压的形式储存在气瓶里:在气温为21°C时压力位1850psi,130kg/cm2。这样一个高的压力是潜在危险的。高压气体系统的压力墙上任意一个裂痕都会导致气体从裂痕中猛烈喷射。这会导致一个高强度甚至猛烈的爆炸。
举例说明,如果一个高压瓶的活门损坏,瓶体将成为一个无法控制的导弹。这就是为什么氧气瓶和减压阀必须在固定的时间间隔内进行测试(依据相应的标准/特殊的许可每3~5年要进行流体力学测试)的原因。
![图片[14]-A320-35氧气【系统原理】-航修札记](https://www.aeroacm.com/wp-content/uploads/2026/02/20260228225125759-word-image-11815-14.png)
限制区域泄露
飞行过程中,氧气瓶储藏区域通过客舱通风系统进行自然通风(从DADO面板的空气流到外流活门)。
在地面,当飞机停放没有通电(死飞机),没有通风。氧气瓶和分配管路被安装在限制区域。当氧气泄露时,空气中的氧气百分比将升高。
![图片[15]-A320-35氧气【系统原理】-航修札记](https://www.aeroacm.com/wp-content/uploads/2026/02/20260228225126328-word-image-11815-15.png)
氧气探测器
富氧不能被人察觉。
在进入一个充有氧气的区域内之前,可以使用一个氧气探测器。如果要进入的区域氧气浓度过高,不要进入此区域并且进行通风。
![图片[16]-A320-35氧气【系统原理】-航修札记](https://www.aeroacm.com/wp-content/uploads/2026/02/20260228225127223-word-image-11815-16.png)
衣物、皮肤和设备
衣服、皮肤和设备必须无油或者油脂。
衣服和头发可吸附氧气。因此,在富氧区域内人员自身将保留高浓度氧气。氧气将保持一段时间。人员一定要远离任何火源15分钟,例如吸烟。
![图片[17]-A320-35氧气【系统原理】-航修札记](https://www.aeroacm.com/wp-content/uploads/2026/02/20260228225128632-word-image-11815-17.png)
安全规程
确认你在相应的飞机上使用了正确的文件(AMM工卡、IPC中的PN、SB)。谨慎遵守维护维护规程指令。如果你不遵守这些指令,你可能导致失火或者爆炸。
禁止在飞机5m(16.4ft)以内的工作区域内进行维护工作。
停止所有的加油工作,以及所有的燃油和液压系统的维修工作。
停止所有的使用易燃物的工作,例如清洁和除冰材料。
停止所有可能导致热量和火花的操作(例如:钻孔)。
![图片[18]-A320-35氧气【系统原理】-航修札记](https://www.aeroacm.com/wp-content/uploads/2026/02/20260228225129735-word-image-11815-18.png)
安全规程
氧气勤务过程
在驾驶舱、工作区域和客舱放置一个警告牌,告知人员在氧气填充工作中不得操作电门。
飞机接地并且将充氧设备同飞机电气链接到一起。
如果可能发生雷暴,马上停止所有氧气加添工作。
如果氧气瓶内压力不能平滑增长立即停止加添工作。
仅使用AIRBUS指定的飞行员呼吸用氧。
避免所有碳氢化合物(燃油、防腐剂、润滑剂等)与氧气源解除。
氧气与碳氢化合物接触会发生爆炸。开启手动氧气瓶活门时应十分缓慢并且将活门打开到全开位。飞行前,在人工开启活门没有在全开位,在相应的ECAM页面的氧气压力数据会不正确。
![图片[19]-A320-35氧气【系统原理】-航修札记](https://www.aeroacm.com/wp-content/uploads/2026/02/20260228225132862-word-image-11815-19.png)
![图片[20]-A320-35氧气【系统原理】-航修札记](https://www.aeroacm.com/wp-content/uploads/2026/02/20260228225134735-word-image-11815-20.png)
氧气部件的拆装
确认地面支持设备经过认可可以在氧气系统上使用。没有经过认可的设备可能导致系统污染和损坏。
工作时始终穿着干净的衣服、使用干净的工具。保持双手清洁(如果可能佩戴棉线手套)。不能赤手触碰氧气部件的接头和内部,因为皮肤油脂和细菌是污染源。
在氧气系统上落实工作前后,氧气部件周围区域必须使用认可的清洁设备清洁。任何没有清洁并且除油脂的工具、抹布、垫布或者设备不能使用或者放置到氧气部件周围的区域。确认所有氧气瓶活门关闭。在生产线上由于可能残留压力的,应小心断开连接。
在所有管路或者临时拆除的组件上安装干燥、干净的金属或者塑料堵头。将每一个管路或者组件放置于密封的乙烯基袋里。
氧气系统里存在不需要的材料可能导致系统损坏,如果有油进入可能导致爆炸。
警告:不要使用标准润滑油润滑接头的螺纹(有爆炸风险)。仅能使用经过特别认证,氧气系统可以使用的润滑剂和丝扣油进行润滑。一些组件/部件非常重。支撑组件/附件要小心,放置发生人员受伤和部件损坏。
在氧气管路接头断开和链接过程中使用两个扳手:一个拧螺母,一个拧埋头螺母,这样可以避免将力传递到材料上(破裂和泄露的风险)。
确认软管没有扭曲或紧绷。如果软管扭曲或紧绷连接会被破坏并且导致泄漏。
连接力矩应根据维护手册加到正确的数值。
小心的打开和闭合弹簧加载卡箍,防止破坏氧气瓶附近的电器导线。
![图片[21]-A320-35氧气【系统原理】-航修札记](https://www.aeroacm.com/wp-content/uploads/2026/02/20260228225136214-word-image-11815-21.png)
![图片[22]-A320-35氧气【系统原理】-航修札记](https://www.aeroacm.com/wp-content/uploads/2026/02/20260228225138516-word-image-11815-22.png)
泄漏探测
确认泄漏探测产品好测试设备适用于氧气系统。
不适用的产品和设备可能导致系统的污染和人员的伤害(失火、爆炸)。
确认所有“固定工具、工具、测试和支持设备”段落中部件适用于你的飞机。参考相应的工卡和子工卡。
![图片[23]-A320-35氧气【系统原理】-航修札记](https://www.aeroacm.com/wp-content/uploads/2026/02/20260228225139737-word-image-11815-23.png)
氧气特殊使用
氧气必须仅能用于氧气系统勤务。
决不能将氧气用于其它用途,例如充机轮或者吹电瓶,吹灰尘
![图片[24]-A320-35氧气【系统原理】-航修札记](https://www.aeroacm.com/wp-content/uploads/2026/02/20260228225140459-word-image-11815-24.png)
氧气运输
氧气瓶或者氧气化学发生器是被划分为危险材料的。
所以,他们的飞机运输是受限制的并且必须依照国际空运协会(IATA)的特殊标准来执行。
![图片[25]-A320-35氧气【系统原理】-航修札记](https://www.aeroacm.com/wp-content/uploads/2026/02/20260228225141141-word-image-11815-25.png)
机组氧气面罩使用/储存/测试(2)
使用
氧气面罩组件和储存箱安装在接近每个机组人员座椅的地方。储存箱可以储存氧气面罩,当从箱体中取出氧气面罩的时候也可以控制氧气流量。使用氧气面罩需捏住两个红色的夹片,使得氧气面罩软管膨胀;松开红色夹片切断通往面罩软管的氧气并且放出氧气软管内残留的氧气到空气中。氧气流建立的指示是由一个显示黄色黄黑指示器和OXYON旗指示的,当储存箱左门关闭时上述指示器显示。面罩调节器提供正常或者纯氧及NORMAL/100%选择器。在NORMAL位置时,用户可以呼吸客舱空气和氧气的混合气。
当选择器在100%位置时,用户呼吸的是纯氧气。当旋转应急旋钮时,面罩调节器提供恒定压力值的100%氧气,不受normal/100%选择器位置的限制。欲摘下面罩,必须对充气导管充气。可以捏住两个红色薄片是你完成这个动作。
![图片[26]-A320-35氧气【系统原理】-航修札记](https://www.aeroacm.com/wp-content/uploads/2026/02/20260228225142984-word-image-11815-26.png)
储存
正确的装载氧气面罩可以快速有效的适用氧气面罩。打开储存盒的门,将柔性管放置到正确位置。激发氧气面罩组件、顶部的调节器。小心闭合储存盒左侧门,按压重置滑扭收起OXYON旗。完成储存工作后,落实:IN SITU TESTING。
![图片[27]-A320-35氧气【系统原理】-航修札记](https://www.aeroacm.com/wp-content/uploads/2026/02/20260228225143259-word-image-11815-27.png)
测试
按压测试滑扭。黄黑指示器变黄后又恢复黑色表示调节器无漏损。
按压软管膨胀控制。黄黑指示器变黄后又恢复黑色表示软管无漏损。
按压应急旋钮来测试相应的系统。
![图片[28]-A320-35氧气【系统原理】-航修札记](https://www.aeroacm.com/wp-content/uploads/2026/02/20260228225144476-word-image-11815-28.png)
![图片[29]-A320-35氧气【系统原理】-航修札记](https://www.aeroacm.com/wp-content/uploads/2026/02/20260228225146690-word-image-11815-29.png)
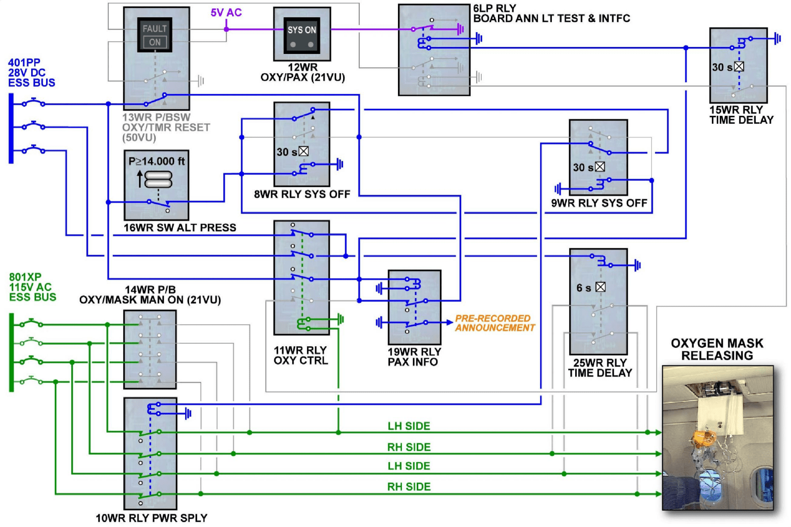
乘客氧气系统描述与工作(3)
触发
客舱迅速失压的情况下,乘客氧气面罩自动掉下。
提供2钟化学发生器,可以提供15分钟或者22分钟的氧气。
![图片[30]-A320-35氧气【系统原理】-航修札记](https://www.aeroacm.com/wp-content/uploads/2026/02/20260228225147182-word-image-11815-30.png)
自动工作
开始工作。
当高度压力电门闭合时,系统自动工作。
延时继电器8WR和9WR被供电。汇流条401PP通过延时继电器8WR和9WR提供28VDC到氧气电源继电器10WR。汇流条801XP向应急氧气容器的电气锁提供115VAC。电气锁组件是从客舱对侧
单独的115VAC电路供电。应急氧气容器门打开,氧气面罩释放。
继电器10WR激发氧气控制继电器11WR。经由继电器11WR,乘客通知继电器19WR被激励。一个预录的宣告被传输到乘客广播系统。
延时继电器15WR和登机指示灯光测试及界面继电器6LP也被激励。
继电器6LP引起白色的SYSON灯亮,氧气容器被供电。
系统激活后6秒,延时继电器25WR接通使左右侧锁机构电气线路连接。
这样可以确保所有氧气组件电气锁保持被激励状态,即便是发动机涡轮爆裂导致一条线路破坏的情况下。
气压压力电门(16WR)触发后30秒,延时继电器(8WR和9WR)工作。他们切断氧气电源继电器(10WR)电源,并且导致继电器11WR和25WR不工作,这样就给氧气容器电磁线圈断电。
![图片[31]-A320-35氧气【系统原理】-航修札记](https://www.aeroacm.com/wp-content/uploads/2026/02/20260228225148265-word-image-11815-31.png)
![图片[32]-A320-35氧气【系统原理】-航修札记](https://www.aeroacm.com/wp-content/uploads/2026/02/20260228225149803-word-image-11815-32.png)
![图片[33]-A320-35氧气【系统原理】-航修札记](https://www.aeroacm.com/wp-content/uploads/2026/02/20260228225150480-word-image-11815-33.png)
![图片[34]-A320-35氧气【系统原理】-航修札记](https://www.aeroacm.com/wp-content/uploads/2026/02/20260228225152787-word-image-11815-34.png)
![图片[35]-A320-35氧气【系统原理】-航修札记](https://www.aeroacm.com/wp-content/uploads/2026/02/20260228225153526-word-image-11815-35.png)
![图片[36]-A320-35氧气【系统原理】-航修札记](https://www.aeroacm.com/wp-content/uploads/2026/02/20260228225155503-word-image-11815-36.png)
![图片[37]-A320-35氧气【系统原理】-航修札记](https://www.aeroacm.com/wp-content/uploads/2026/02/20260228225156334-word-image-11815-37.png)
![图片[38]-A320-35氧气【系统原理】-航修札记](https://www.aeroacm.com/wp-content/uploads/2026/02/20260228225158571-word-image-11815-38.png)
![图片[39]-A320-35氧气【系统原理】-航修札记](https://www.aeroacm.com/wp-content/uploads/2026/02/20260228225159499-word-image-11815-39.png)
故障运行
当客舱高度超过14000ft并且8WR和9WR继电器30秒后还保持在开位,意味着系统故障发生。系统进入故障运行模式:
-继电器15WR(监控继电器8WR和9WR)被做动。
-琥珀色FAULT灯亮。
-SYS白色ON灯亮和乘客广播系统依然开。
![图片[40]-A320-35氧气【系统原理】-航修札记](https://www.aeroacm.com/wp-content/uploads/2026/02/20260228225201198-word-image-11815-40.png)
![图片[41]-A320-35氧气【系统原理】-航修札记](https://www.aeroacm.com/wp-content/uploads/2026/02/20260228225202666-word-image-11815-41.png)
重置工作
由于故障,机长或第三飞行员必须按压OXY/TMRRESET按压电门。
白色指示灯ON灯亮并且预录声音停止。在地面,使用过的化学氧气装置必须更换,所有面罩要收起并且所有氧气容器门必须锁定在关位。在维护面板上按压TMRRESET按压电门,系统被重置。
![图片[42]-A320-35氧气【系统原理】-航修札记](https://www.aeroacm.com/wp-content/uploads/2026/02/20260228225203928-word-image-11815-42.png)
![图片[43]-A320-35氧气【系统原理】-航修札记](https://www.aeroacm.com/wp-content/uploads/2026/02/20260228225205627-word-image-11815-43.png)
人工操作
在任何情况下,按下MASKMANON按压电门可以放出乘客氧气面罩。白色SYSON灯亮确认了氧气容器被激发。系统工作6秒钟后,继电器25WR被接通,使得左侧和右侧锁定组件电气线路内部接通。这样确保在一个线路故障例如发动机涡轮爆裂时,所有氧气组件电子锁保持被激励状态。在维护面板上按压TMRRESET按压电门,广播停止和指示灯SYSON熄灭。
![图片[44]-A320-35氧气【系统原理】-航修札记](https://www.aeroacm.com/wp-content/uploads/2026/02/20260228225206316-word-image-11815-44.png)
面罩操作
一旦应急氧气容器门打开,氧气面罩脱落。氧气面罩由系索悬挂在用户能够触及的地方。当第一个用户拉下氧气面罩到脸部,释放销钉即启动化学发生器。氧气流经柔性软管至容器的所有面罩。
每个流量指示器显示一个绿色的条纹。
化学氧气产生
化学发生器主要是使用基本的氯酸钠热分解。
一个热指示器显示发生器状态。根据发生器不同的类型,指示器有两种不同类型:
1-黑色:氧气发生器已经完全反应完。
-黄色:氧气发生器是新的。
2-蓝色:氧气发生器已经完全反应完。
-粉红色:氧气发生器是新的。
氯酸盐核心装填在不锈钢容器内。
发生器工作
当拉下启动组件的释放销后,弹簧负载撞针撞击雷管。雷管产生的热量将激活并启动发生器。
![图片[45]-A320-35氧气【系统原理】-航修札记](https://www.aeroacm.com/wp-content/uploads/2026/02/20260228225208552-word-image-11815-45.png)
乘客气态氧气系统概述/工作(选装)(3)
系统描述概要
在应急情况下,乘客气态氧气系统向每一个氧气容器提供氧气。
氧气流量的速率取决于气压高度。当客舱压力超过14000ft(4265m)时氧气供应自动启动,当客舱压力降低到10000(3050m)时停止供氧。如果飞机不得不爬升翻越一个障碍,系统能够重新启动。气态氧气系统没有飞行轨迹特征。气流随着高度增加而变强,飞行高度越低,氧气供应越持久。
高压氧气储存在氧气瓶组件内,氧气瓶组件安装散货舱左手边的侧墙内衬后面。标准系统有6个氧气瓶。根据航线需要最多可以安装8个氧气瓶。当系统工作时,经由氧气压力调节器调节出的低压氧气被供向两个主分配管路(MDLs)。一条管路安装在客舱地板下,飞机的左手边。另外一条管路安装在客舱顶板上。竖管(RLs)与MDLs连接箱帽架管供氧。帽架管向氧气容器供氧。
![图片[46]-A320-35氧气【系统原理】-航修札记](https://www.aeroacm.com/wp-content/uploads/2026/02/20260228225209592-word-image-11815-46.png)
乘客氧气系统的存储
氧气瓶组件
高压氧气瓶由碳纤维材料包裹在一个铝内胆构成的。在127.5bar(1850psig)的压力下,容积为3310升(116.9立方英尺)。
气瓶盖活门组件有下列部件组成:
-一个慢开关断活门(SOV),活门上有一个簧片电门传感器可以指示开/关状态。
-一个直读压力表。
-一个带有爆破隔膜的高压安全口。
-一个充/放气接口。
为了保护瓶体防止过压,氧气瓶有一个带有爆破隔膜的高压安全口。当温度为71°C(160°F)压力为169bar(2451psig)以及温度为21°C(70°F)压力191bar(2770psig)时,爆破隔膜将破裂。
舱外释放指示器
舱外释放指示器与飞机外部蒙皮平齐。舱外释放指示器有一个绿色荧光爆破隔膜和一个黄色的壳体。每个氧气瓶的爆破隔膜和压力释放活门的安全外排管路通过带有外排指示器的外排管路连接。在高超压或者中等程度超压的情况下,绿色的爆破隔膜被吹出并且可以看到释放指示器内部的黄色区域。
氧气压力减压器
氧气压力减压器传输组件直接安装在氧气瓶组件的进气/出气接口上,可将氧气瓶压力减低到中间压力7.6±0.7bar(110±10psig)。氧气压力减压器出口连接到中压管路上。
热补偿器
在给氧气瓶充氧时,热补偿器可以防止温度上升带来的危险。
它们安装在高压管路上,压力减压器前面。
温度传感器
温度传感器测量氧气瓶安装区域的环境温度,并且产生一个相对应的电信号,传送给氧气容量和控制组件(QCCU)进行计算。
压力释放活门
一个压力释放活门安装在中压管路和外排管路中间。它是双余度安全活门。压力释放活门的入口连接在中压管路上。如果中压管路内的压力超过了9.7±0.7bar(140±10psig),活门将打开。多余的压力可以通过外排管路卸载。当压力降低到8.3bar(120psig)以下时,释压活门关。为了实现双余度,两个活门串联安装,防止系统因一个活门未能关闭而丢失压力。两套串联活门装置并联安装。
充氧接口
充氧接口可以连接地面氧气加添设备为氧气瓶充氧。充氧接口有:
-一个流量限制器确保压力安全上升。
-一个过滤器可防止系统污染。
-一个带有安全链的外部防尘帽。
![图片[47]-A320-35氧气【系统原理】-航修札记](https://www.aeroacm.com/wp-content/uploads/2026/02/20260228225211523-word-image-11815-47.png)
乘客氧气系统分配
概述
氧气分配管路可以将安装在散装货舱的氧气瓶中的氧气传输到客舱。低压氧气供至两个MDL。在框架FR47至FR51之间,MDL被分成两部分:一个管路安装在飞机左侧机身、客舱地板下面,另外一个管路安装在客舱顶板上面。在框架FR26处,两个MDL又重新合并。在发动机破裂区域MDL是双环路。每4个机身框架会有竖管连接MDL,将氧气提供给衣帽架供给管路,直到氧气容器。
![图片[48]-A320-35氧气【系统原理】-航修札记](https://www.aeroacm.com/wp-content/uploads/2026/02/20260228225212450-word-image-11815-48.png)
中压管路低压电门
低压电门安装在中压管路上,位于压力减压器和氧气调节器之间。
如果中压管路的压力不足,低压电门会在驾驶舱头顶面板区的乘客氧气指示面板(POXIP)上产生一个警告信号。降压为6.9bar(100psig)和升压为5.5±0.7bar(80±10psi)。
压力氧气调节器
两个冗余的压力氧气调节器(PORs)安装在中压管路上。每一个调节器独立于另一个操作系统。POR整合了一个马达驱动SOV。起先POR整合马达驱动SOV全开大约6-9秒钟,用氧气冲洗MDL。冲洗后,POR通过整体压力传感器测量周围环境压力(取决于座舱高度)和POR下游的MDL内部压力。POR使用模拟线路比较MDL内部压力和所需压力(取决于座舱高度)。马达驱动SOV移动到所需位置以保持正确的MDL压力从而提供正确的氧气流量到氧气面罩。
测试接口
系统有三个测试接口。一个安装在中压管路,另外两个安装在低压分配管路上。这些测试接口被用来连接测试工具测试泄露、测试压力、系统功能测试和分配管路释压。
测试接口堵盖安装在氧气调节器下游的氧气分配系统上,它有引气/通气的功能。与引气/通气活门共同完成氧气分配系统和客舱压力之间的释压功能。这可以防止而昂客舱压力变化时,“SYSON”指示灯意外燃亮。
![图片[49]-A320-35氧气【系统原理】-航修札记](https://www.aeroacm.com/wp-content/uploads/2026/02/20260228225213146-word-image-11815-49.png)
引气/通气活门
引气通气活门安装在MDL最前点,位于顶板上。系统激活后,活门打开大约15至25秒,使得位于分配管路中的空气/氧气混合气释放出MDL,系统被净化。引气通气活门上有一个孔,可以使一少部分氧气从分配系统中流出。引气通气活门还有一个滤子,防止氧气系统被污染。
MDL关断活门
系统包含两个MDLSOV,活门是气动控制的。一个MDLSOV安装在顶板的MDL上,边缘释放区后部。另外一个MDLSOV被安装在地板下方的MDL上,边缘释放区后部。在系统正常工作情况下两个MDLSOV根据流向开启。在发动机爆裂区和边缘释放区还安装有RLSOV。它们直接安装在主供气管路连接处的后方。正常工作时,竖管SOV处于开启状态。如果一个竖管损坏,竖管SOV自动闭合。
RL单项活门
系统安装有两个单项活门。一个单项活门安装在发动机爆裂区前面的顶板MDL上。另外一个单项活门安装在发动机爆裂区前面的地板MDL上。正常工作时,单项活门开启。当一个主管路损坏,例如非包容性转子故障或者边缘释压,单项活门关闭。
![图片[50]-A320-35氧气【系统原理】-航修札记](https://www.aeroacm.com/wp-content/uploads/2026/02/20260228225214113-word-image-11815-50.png)
系统工作和复位
自动模式
当客舱压力减少到14000ft+250/-750ft(4.265m)时,高度电门闭合。随即氧气系统自动工作。压力氧气调节器(PORs)全开冲洗主分配管路(MDL),测量飞机客舱高度和分配管路中的压力。
POR调节分配管路中的压力至所需氧气压力,可以获得正确流量。POR不需要任何的软件。
人工模式
如果高度电门故障,可以在任何情况下按压MASKMANON按压电门来启动氧气系统。MASKMANON按压电门发出一个信号开启PORs。工作时与自动模式一样。
![图片[51]-A320-35氧气【系统原理】-航修札记](https://www.aeroacm.com/wp-content/uploads/2026/02/20260228225215617-word-image-11815-51.png)
系统工作
无论系统工作在自动模式还是人工模式,引气/通气活门首先放出管路中剩余的空气然后关闭使得体统充满氧气。一个POR打开的同时SYSON灯燃亮。一个应急通报传输给乘客广播系统。
氧气面罩容器门气动打开,氧气面罩脱落。当面罩被拉下后,氧气供往面罩。
复位
系统工作后,OXYGENTMRRESET按压电门用来复位电气线路。当按压OXYGENTMRRESET按压电门后,并且客舱高度小于10000ft,氧气调压器将关闭并且分配系统内部压力小于4,5±0,5kPa(0,045±0,005bar)时,SYSON指示消失。
![图片[52]-A320-35氧气【系统原理】-航修札记](https://www.aeroacm.com/wp-content/uploads/2026/02/20260228225217459-word-image-11815-52.png)
发动机爆裂/边缘释压保护
主分配管路破损
在发动机爆裂故障或者边缘释压导致MDL部分损坏的情况下,损坏的MDL部位的泄漏气流将引气损坏MDL部位的SOV关闭。
在MDL损坏部位的反流单项活门也会关闭,这样可以封闭损坏区域。
当氧气压力增加并且到达门锁做动压力(1.5bar-3.0bar),由没有损坏部位的MDL提供氧气的氧气容器组件门将被打开。
![图片[53]-A320-35氧气【系统原理】-航修札记](https://www.aeroacm.com/wp-content/uploads/2026/02/20260228225218193-word-image-11815-53.png)
竖管损坏
在由发动机爆裂或者边缘释压导致的RL损坏情况下,损坏RL部位的泄漏气流将使相应RL的SOV关闭。
氧气流增加并且当到达门锁做动压力(1.5bar-3.0bar)时,氧气容器门将被打开(除非氧气容器门处于损坏的RL区域)。
![图片[54]-A320-35氧气【系统原理】-航修札记](https://www.aeroacm.com/wp-content/uploads/2026/02/20260228225220205-word-image-11815-54.png)
乘客氧气容器组件
在飞机客舱根据不同的安装位置安装有不同的氧气容器组件。这些组件有不同的长和宽。不同型号的容器装有不同数量的面罩。
每一个面罩都包含一个流量限制器和一个由系索自动触发的SOV。根据飞机界面的不同,需要安装下列不同类型的氧气容器:
-I型安装在头顶的PSU内,可以向2至4人提供氧气(左侧和右侧的容器),
-II型安装在侧墙、顶板、厕所和厨房,可以向2人提供氧气。
一个氧气容器组件有下列主要部件组成:
-一个容器壳体,
-一个容器门(II型为弹簧加载,I型不是弹簧加载),
-一个门止动/测试按钮装置,
-一个还有滤芯的进气口,
-一个气动门锁,包含一个人工开启手柄,
-一个总管,总管上有一个独立的出口,并且为每一个面罩整合SOV,
-一个氧气面罩组件,
-每个氧气面罩有一个流量指示器,
-一个分配管路从输入接口到总管并且到气动门锁,
-一个系索,用来激活单个面具产生气流。
![图片[55]-A320-35氧气【系统原理】-航修札记](https://www.aeroacm.com/wp-content/uploads/2026/02/20260228225221332-word-image-11815-55.png)
控制和指示
概述
高度压力电门
高度压力电门,安装在电子舱,它可以启动乘客氧气系统使之自动工作。此电门传输一个信号打开氧气调节器,调节器可以提供低压氧气到氧气分配系统。选装了高海拔机场运营,高度压力电门有两个设置:
-第一个关设置,如果压力值到达14000+250/-750ft.(4267.12+76,2/-228,6m),
-第二个关设置,如果压力值到达16000+250/-750ft.(4876.71+76,2/-228,6m)。
注意:如果选装高高度机场,系统将使用一个双高度压力电门以使用相应激活的电路。
氧气控制面板
在氧气控制面板上,机组可以使用MASKMANON按压电门启动氧气系统,它是一个备份方式并且可以超控高度压力电门。
即便松开MASKMANON按压电门氧气调压器也保持在开位。当OPEN继电器不工作,需要按下MASKMANON按压电门并保持1秒来打开氧气调压器。
MASKMANON按压电门上装有安全护盖,防止意外操纵此系统。至少有一个压力氧气调压器打开时,头顶面板上的SYSON指示灯亮。当系统压力降低时,SYSON指示灯灭。
TMRRESET按压电门
TMRRESET按压电门安装在维护面板上,用来在系统工作后复位控制。
当TMRRESET按压电门被按压后:
-电子线路被设置到正常情况,
-氧气调节器关。
在这种情况下,ON灯燃亮并且保持5秒。如果氧气系统电子线路不复位至正常情况,灯不会熄灭。
![图片[56]-A320-35氧气【系统原理】-航修札记](https://www.aeroacm.com/wp-content/uploads/2026/02/20260228225222262-word-image-11815-56.png)
乘客氧气指示面板
气态氧气系统的监控具有指示和警告功能,它们显示在乘客氧气指示面板(POXIP)上的白色PASSENGERSYSON灯。作为备用指示,分散的指示灯安装于氧气瓶压力显示区。当氧气瓶压力低于某一数值时,这些指示灯将被接通燃亮。维护信息不能被自动记录,因为没有安装维护计算机。需要维护的故障只能由飞行机组记录,一些故障信息可以显示在氧气量计算和控制组件上。
填充压力指示
依据来自QCCU的实际数值,有4种情况:
情况1:填充压力1600PSI
压力数值指示显示为BLACK/WHITE。这种情况需要系统性能良好。
情况2:1600PSI>填充压力200PSI
压力数值指示显示为BLACK/WHITE。CHECK琥珀灯亮。
这种情况下机组必须参考飞行机组操作手册(FCOM)来决定剩余系统性能(下降剖面),具体应取决于乘客的人数和飞行计划。
情况3:填充压力<200PSI
压力数值指示显示为BLACK/WHITE。CHECK琥珀灯亮。
琥珀色LO灯亮。
如果机上有乘客,这种情况下氧气瓶全空,这将导致NOGO。
情况4:填充压力不可用或者超出范围
压力值显示为黑白色”–“(class1故障).
机组必须参考主最低设备清单(MMEL)来决定当没有压力指示时,完成任务需要实施的程序和工作。在这种情况下,每次飞行前必须检查并直接读取氧气压力。
指示故障
QCCU,压力和温度传感器
QCCU、压力传感器、温度传感器故障
压力值指示为黑/白”–“。仅能提供QCCU自身指示。
机组必须参考主最低设备清单(MMEL)来决定当没有压力指示时,完成任务需要实施的程序和工作。在这种情况下,每次飞行前必须检查并直接读取氧气压力。
氧气瓶手动活门
一个或多个乘客氧气瓶手动活门关闭。飞行航段抑制3-9需要使用“发动机运行”信号。CYLINDERFAULT琥珀灯亮(class1故障).
系统压力中间管路
如果系统处于激活模式和备份模式这个故障显示:压力减压器下游系统压力太低或者低压电门故障的情况下。
琥珀色REGUL LO PR灯亮(class1故障).
压力氧气调节器
系统备用模式:一个或者两个压力氧气调节器没有完全关闭。
-REGUL SYS1和、或者REGUL SYS2琥珀色灯亮(class1故障)。
-SYS ON灯亮。
系统激活模式和系统备份模式:一个或者两个压力调节器丢失电源。
-REGUL SYS1和、或者REGUL SYS2琥珀色灯亮(class1故障)。
系统激活模式:一个或者两个压力调节器关闭。
-REGUL SYS1和、或者REGUL SYS2琥珀色灯亮(class1故障)。
跳开关
故障是当调压器掉开关没有被激活:REGUL SYS1和、或者REGUL SYS2琥珀色灯亮(class1故障)。
![图片[57]-A320-35氧气【系统原理】-航修札记](https://www.aeroacm.com/wp-content/uploads/2026/02/20260228225223940-word-image-11815-57.png)
QCCU
QCCU用来监控安装的氧气瓶内氧气压力。QCCU接收来自下列部件的信号:
-每个压力调压器整合的压力传感器,
-温度传感器。
QCCU将计算的氧气瓶平均压力信号传送给充氧面板指示器(无温度补偿),将温度调整后的压力信号传送给POXIP。QCCU同样发送一个信号给POXIP,如果:
-QCCU没有工作,
-温度传感器信号超出范围,
-压力传感器信号超出范围。
一个”–“取代压力数值显示在POXIP上,并且其故障指示在QCCU前部显示。
QCCU测试
在QCCU前面板上通过TEST按压电门可以完成QCCU测试。在按压这个TEST按压电门前,先要旋转QCCU的上的两个旋钮,直到飞机上安装氧气瓶的正确数目显示在QCCU显示器上。如果没有QCCU指示,可以按压TEST按压电门:
-COMPUTER、TEMPERATURE和PRESSURE指示灯亮,
-QCCU显示“88”。
3秒钟后:
-tCOMPUTER、TEMPERATURE和PRESSURE指示灯灭,
-QCCU显示选装的氧气瓶数量。12秒钟后,选装的氧气瓶数量消失。
![图片[58]-A320-35氧气【系统原理】-航修札记](https://www.aeroacm.com/wp-content/uploads/2026/02/20260228225225711-word-image-11815-58.png)
勤务
充氧
可以通过充氧接口完成为氧气瓶充氧工作。充氧接口安装在氧气填充面板,可以连接外部氧气源来完成氧气瓶充氧工作。正确充氧压力取决于外部和客舱温度,可以通过使用飞机上的标牌来确定压力值。为了检查正确的填充压力,你必须计算所有充氧的氧气瓶的平均压力。确认充氧面板氧气指示器上的显示的压力和计算后的氧气瓶平均压力一直。在充氧过程中,每一个氧气瓶上有一个温度补偿器,以此限制每一个氧气瓶内温度的增长。QCCU监控氧气瓶内的填充压力,压力指示显示在POXIP和加添面板的指示器上。
测试接口
飞机有三个测试接口,在系统功能测试时,维护人员可以通过它们实现氧气系统的增压和释压。第一个测试接口,安装在中部管路,氧气调节器前面,用来压差测试和氧气系统测试。第二个测试接口,安装在氧气调节器下游的氧气分配系统上,用来压差测试和氧气分配系统测试。第三个测试接口,安装在单项活门下游的氧气分配系统上,可以通过它来释放单项活门下游供给管路内的压力。系统释压前,需要关闭氧气瓶的人工SOV。
![图片[59]-A320-35氧气【系统原理】-航修札记](https://www.aeroacm.com/wp-content/uploads/2026/02/20260228225226612-word-image-11815-59.png)
机组便携氧气系统概述/工作(3)
概述
在应急情况下:失火、冒烟或者有毒气体,便携呼吸设备(PBE)提供眼睛防护并且为机组成员提供氧气。PBE使得人员自由移动来灭火。
位置
PBE是真空包装的,放置在一个运输/储存容器内。一个PBE容器安装驾驶舱。为客舱机组使用的PBE安装在客舱。
![图片[60]-A320-35氧气【系统原理】-航修札记](https://www.aeroacm.com/wp-content/uploads/2026/02/20260228225228167-word-image-11815-60.png)
机组便携氧气系统(3)
描述
容器有一次性封严和一个可用指示器,方便飞行前检查;打开盒子后,可用指示器损坏。
注释:根据不同供货商,还有一个指示器显示黄色表示容器没有被打开。
呼吸保护头罩有一个封闭的呼吸环路。一个系索触发启动器使系统工作。呼出的空气将被更新,添加氧气,从新被吸入。热化学反应产生氧气,反应需要过氧化钾(KO2)、湿气和呼呼出气体中包含的二氧化碳(CO2);反应释放热量。保护呼吸设备由三个主要部件组成:
一个头罩:
-脖颈封严,位于脖子区域,
-一个用于将内部面罩固定在适用者头部后面的带子,
-一个安全活门,它可以保持头罩内有一个舒适的超压环境。
一个内部面罩由下列不及部件安装组成:
-一个防窒息活门,当呼吸阻力大时工作。使用者可以通过这个
活门吸入头和头罩之间的空气,
-一个语音通话器位于口鼻面罩的前方。
一个KO2电爆管包括:
-一个附带呼吸袋,安装有一个流量可控释压活门,
-一个由系索激活的启动器,
-一个折叠管(或者叫呼吸管)连接到口鼻面罩上,
-一个系带,它可以把爆炸帽固定在头罩上。
![图片[61]-A320-35氧气【系统原理】-航修札记](https://www.aeroacm.com/wp-content/uploads/2026/02/20260228225229949-word-image-11815-61.png)
工作
PBE储藏于一个特殊设计的真空袋子里。袋子位于一个盒子内,这样,当打开盒子时,可以取出面罩并且一个动作可以将真空保护自动打开。面罩是防火的。
![图片[62]-A320-35氧气【系统原理】-航修札记](https://www.aeroacm.com/wp-content/uploads/2026/02/20260228225230232-word-image-11815-62.png)
瓶体
氧气源是一个高压气瓶。高压气瓶使用快卸卡箍固定在支架上。
![图片[63]-A320-35氧气【系统原理】-航修札记](https://www.aeroacm.com/wp-content/uploads/2026/02/20260228225232309-word-image-11815-63.png)
急救面罩
持续流量急救氧气面罩提供医疗用氧。供气软管连接面罩,从气瓶出口提供一个经过计算的持续流量气流。
![图片[64]-A320-35氧气【系统原理】-航修札记](https://www.aeroacm.com/wp-content/uploads/2026/02/20260228225233741-word-image-11815-64.png)
客舱便携氧气设备概述/工作(3)
便携呼吸装备
便携呼吸装备为使用者提供呼吸方法和眼睛保护,在下述情况下使用:失火,烟雾,有毒气体。便携呼吸装备可以使使用者自由移动。便携呼吸装备容器有一个良好状态指示器和一个一次性封严,方便飞行前检查。头罩内的环形容器充满了压缩氧气,释放这些氧气以供使用者使用。当使用者呼入和呼出时,气体循环被激发。可以选装驾驶舱便携呼吸装备容器,安装在客舱内。
![图片[65]-A320-35氧气【系统原理】-航修札记](https://www.aeroacm.com/wp-content/uploads/2026/02/20260228225234616-word-image-11815-65.png)
氧气系统航线维护(2)
日常检查
在日常外部绕行检查中包含目视检查机组氧气瓶过压(绿色)释放片并确认此片没有丢失。
ECAMDOOR/OXY页面显示机组氧气压力。77立方英尺的氧气瓶压力小于1500PSI时,一个琥珀色半框(咨询指示)作为信息显示并通告机组。
对于115立方英尺的氧气瓶,数值被设定在1000PSI。
在这种情况下,应当查阅AMM。以便确认飞行机组氧气压力最小值是否在可允许范围内。参考最小飞行机组氧气压力表,查出此环境温度时机组成员数量所需的最小压力值。
如果压力小于最小飞行机组氧气压力,必须给氧气瓶充氧。
按压重置测试滑钮,黄黑指示器变黄又变回黑色意味着调节器密封良好。
按压软管膨胀控制拨片,黄黑指示器变黄又变回黑色意味着硬件密封良好。
在需要测试的系统上按压应急旋钮测试。
激活扩音器、内话和按压应急旋钮可以测试麦克风。
当测试完成,确认NORMAL/100%选择器锁定在100%位置,将滑钮重置于UP位置。
![图片[66]-A320-35氧气【系统原理】-航修札记](https://www.aeroacm.com/wp-content/uploads/2026/02/20260228225235477-word-image-11815-66.png)
![图片[67]-A320-35氧气【系统原理】-航修札记](https://www.aeroacm.com/wp-content/uploads/2026/02/20260228225236799-word-image-11815-67.png)
维护贴士
机组氧气面罩收起
正确储藏面罩对于快速有效使用氧气面罩是十分重要的。
打开面罩储藏盒的门,正确放置柔性管。
通过顶部的调节器激活氧气面罩。
小心闭合左侧门,按压重置测试滑钮收起OXYON旗。
在收起工作最后,完成INSITUTEST。
![图片[68]-A320-35氧气【系统原理】-航修札记](https://www.aeroacm.com/wp-content/uploads/2026/02/20260228225238233-word-image-11815-68.png)
机组氧气瓶拆装(2)
拆除
警告:在所有氧气源处清除所有的碳氢化合物(燃油、润滑剂等等)氧气接触碳氢化合物后会发生爆炸。清洁工具并且确认双手干净防止污染氧气系统。
工作初始化(1/2)
将工作梯放置到位,打开接近门812。给飞机接通电源;确认电子设备通风工作正常。
关闭氧气瓶活门组件上的活门。
![图片[69]-A320-35氧气【系统原理】-航修札记](https://www.aeroacm.com/wp-content/uploads/2026/02/20260228225240714-word-image-11815-69.png)
工作初始化(2/2)
放气并排空氧气系统:
-按压OXYGEN/CREWSUPPLY按压电门。OFF标示灯熄灭。
-在一个氧气面罩上,按压PRESSTOTESTANDRESET滑钮几次以清空系统。
-松开OXYGENCREWSUPPLY按压电门。OFF标示灯亮。
-放置一个警告牌,告之人员不得按压OXYGEN/CREWSUPPLY按压电门。
拔出CREWOXYSPLY跳开关,加装保险并挂签。
![图片[70]-A320-35氧气【系统原理】-航修札记](https://www.aeroacm.com/wp-content/uploads/2026/02/20260228225241513-word-image-11815-70.png)
程序
从氧气瓶上拧松并断开压力调节器传感器。
在压力调节器上安装堵盖并且放入密封的乙烯袋内。
在氧气瓶活门上安装一个氧气瓶储藏盖。
断开连接接口并且报废衬套。
在连接接口上安装一个堵盖。
在氧气瓶活门上安装一个氧气瓶储藏堵盖。
拧松螺帽,从卡箍上脱开销钉,从支撑架上拆除氧气瓶。
安装
确认飞机处于拆除工作相同的构型下。
确认拆除部件上保留的部件是干净的且情况正常。
程序
检查氧气瓶的有效期,确认此氧气瓶依然能够使用。
小心将氧气瓶放到支架上,闭合卡箍并且拧紧销钉。
从氧气瓶活门上拆除氧气瓶储藏堵盖。
从连接接口上拆除堵盖。
在连接接口处使用新的衬套并拧紧。
从压力调节器传感器组件和气瓶头上拆除堵盖。
将调节器安装到活门上并且拧紧螺帽。
![图片[71]-A320-35氧气【系统原理】-航修札记](https://www.aeroacm.com/wp-content/uploads/2026/02/20260228225242534-word-image-11815-71.png)
泄露测试
在机械连接处使用特殊材料溶液。
非常缓慢的拧开氧气瓶活门3.5到4圈。
使得压力稳定,这个通常需要大约90秒钟。
完全打开氧气活门。
检查每个连接,确认没有泄露。擦除特殊材料溶液。
![图片[72]-A320-35氧气【系统原理】-航修札记](https://www.aeroacm.com/wp-content/uploads/2026/02/20260228225244808-word-image-11815-72.png)
收尾
拆除保险和挂,签闭合跳开关。确认工作区域干净,没有工具
和其它部件。
拆除告示牌。
给飞机断电。
关闭接近门812并且移除工作梯。
![图片[73]-A320-35氧气【系统原理】-航修札记](https://www.aeroacm.com/wp-content/uploads/2026/02/20260228225245976-word-image-11815-73.png)












暂无评论内容