一、名称
PRESSURE TRANSDUCER
压力传感器
二、件号
ZRA1990030,ZRA380-00,ZRA691-00
三、章节号
36-11-08
四、适用机型
A319/320/321/330/340
五、系统
36-PNEUMATIC
气动
六、安装位置
发动机吊架
![图片[1]-ZRA380-00 PRESSURE TRANSDUCER-航修札记](https://www.aeroacm.com/wp-content/uploads/2025/12/20251230222307940-word-image-11550-1.png)
七、部件原理
A. General
The pressure transducer ensures the measurement of the air taken from the engine HP compressor, bleed system. It converts the active air pressure, measured in comparison with the ambient atmosphere, into a proportional output direct voltage.
A. 概述
压力传感器确保对发动机高压压缩机引气系统所取空气进行测量。其将相对于环境大气测得的空气压力转换为成比例的直流输出电压。
Operation
(1) The pressure applied on the transducer acts on the piezo-resistive Wheastone bridge sensing element, which supply a defined signal across V+ and V-.
(2) The measuring cell is supplied with a steady voltage generated by a voltage regulator. The output voltage of the measuring cell is proportional to the pressure applied on the sensing element and is amplified and buffered for driving the transducer output signal.
(3) The output voltage [(V+) – (V-)] varies linearly with the applied pressure such as:
1V for 0 bar rel.
9V for 30 bar rel.
工作原理
(1) 施加于传感器的压力作用于压阻式惠斯通电桥传感元件,该元件在V+与V-端子间输出规定信号。
(2) 测量单元由稳压器提供稳定电压。测量单元输出电压与作用于传感元件的压力成正比,经放大缓冲后驱动传感器输出信号。
(3) 输出电压[(V+) – (V-)]随施加压力线性变化,例如:
0 bar 相对压力时为 1V
30 bar 相对压力时为 9V
![图片[2]-ZRA380-00 PRESSURE TRANSDUCER-航修札记](https://www.aeroacm.com/wp-content/uploads/2025/12/20251230222307193-word-image-11550-2.png)
八、工作参数
General characteristics
– Pressure range: 0 to 30 bar rel. (0 to 362.58 psig)
– Proof pressure: 45 bar rel. (652.5 psig)
– Burst pressure: 60 bar rel. (870 psig)
– Temperature range: -40°C to +80°C (-65.2°F to 176°F)
– Extreme operation temperature: -55°C to +110°C (-67°F to 230°F)
九、在飞机系统中的功能及其互联
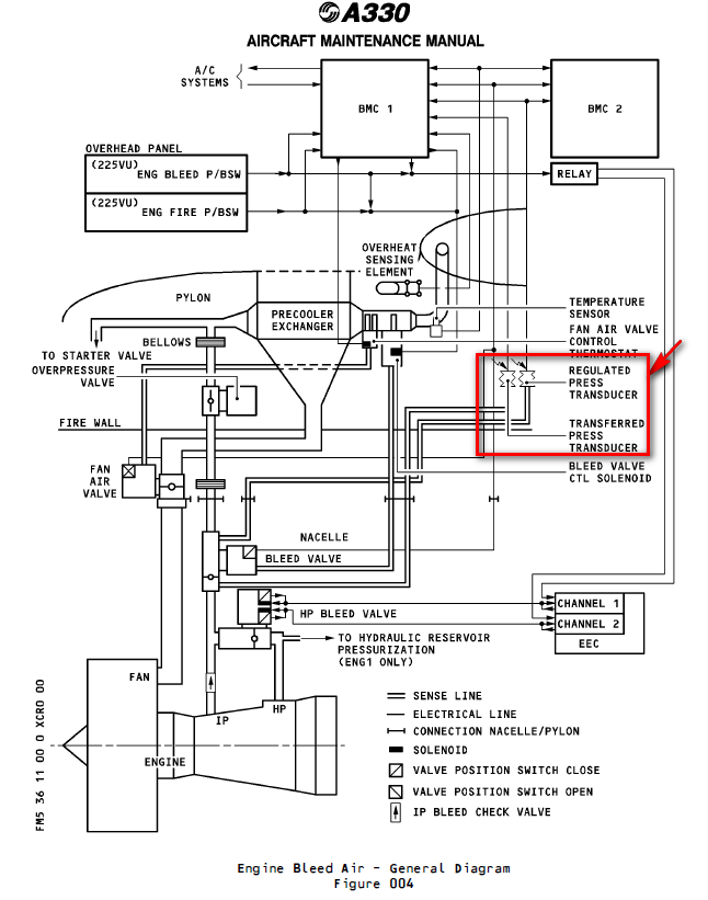
The engine bleed-air supply-system is installed in the nacelle and pylon of each engine.
发动机引气系统安装在各发动机的短舱和吊架内。
A control temperature sensor(PN:P3C0040800) monitors the temperature of the air in the duct downstream of the PCE. Two pressure transducers monitor the pressure in the ducts (one upstream and one downstream of the PRV). The two Bleed-Air Monitoring Computers (BMC1 and BMC2) receive information from these sensors. The BMCs monitor the operation of the system. The FADEC monitors the operation of the HP valve.
一个控制温度传感器(PN:P3C0040800)监测PCE下游管道内的空气温度。两个压力传感器分别监测 PRV 上游和下游管道的压力。两台引气监测计算机(BMC1和BMC2)接收来自这些传感器的信息。BMCs监控系统运行状态。 FADEC 监控HP活门的运行状态。
![图片[3]-ZRA380-00 PRESSURE TRANSDUCER-航修札记](https://www.aeroacm.com/wp-content/uploads/2025/12/20251230222310703-word-image-11550-3.png)
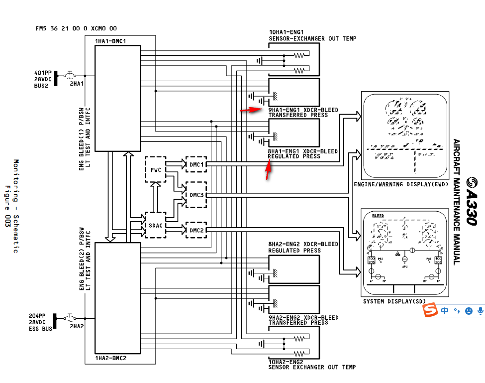
Temperature and Pressure Monitoring (Ref. 36-21-00)
Temperature sensors and pressure transducers monitor the temperature and the pressure of the APU bleed-air (Ref. ATA 49) and the engine bleed-air. They transmit temperature and pressure data to the Bleed-air Monitoring Computers (BMCs) which are installed in the avionics compartment. Valve position switches transmit the valve position data to the BMCs.
The BMCs transmit the bleed-air temperature and pressure data and the valve position data to the System Data Acquisition Concentrators (SDACs). The SDACs transmit the data to the SD.
温度与压力监测(参考编号36-21-00)
温度传感器和压力传感器用于监测 APU 引气(参考ATA 49)及发动机引气的温度与压力。这些传感器将温度和压力数据传输至安装在电子舱内的引气监测计算机(BMC)。活门位置开关将活门位置数据传输至BMC。
BMCs将引气温度与压力数据以及活门位置数据传输至系统数据采集集中器(SDACs)。SDACs将数据传输至SD。
1 . General
The pressure and temperature of the engine bleed air are monitored by:
– two pressure transducers and one temperature sensor located in each engine pylon
– two Bleed Monitoring Computers (BMC) which control the pneumatic system of each wing (BMC 1: L wing, BMC 2: R wing).
– two EEC (Electronic Engine Controller) which control the two HPV_s.
1. 概述:
发动机引气压力与温度通过以下方式监测:
– 每个发动机吊架内各安装一个压力传感器和一个温度传感器;
– 两台引气监控计算机(BMC),分别控制左右机翼的气动系统(BMC 1:左翼,BMC 2:右翼)。
– 两个EEC(电子发动机控制器),用于控制两个HPV。
System Description
Two pressure transducers are installed on a bracket in each pylon. A sense line connects the bleed transferred pressure transducer 9HA1 (9HA2) to the pneumatic duct downstream of the HP bleed valve.Each pressure transducer is electrically connected to its corresponding BMC (1HA1,1HA2). The bleed regulated pressure transducer 8HA1 (8HA2) is connected with a sense line to the pneumatic duct downstream of the bleed valve.Pressure transducer 8HA1 (8HA2) is electrically connected to BMC 1 and BMC 2 . An exchanger outlet temperature sensor 10HA1 (10HA2) is installed downstream of the precooler exchanger. It is installed in the pneumatic duct of each pylon and is electrically connected to the BMC.Temperature sensor 10HA1 (10HA2) is electrically connected to BMC 1 and BMC 2.
系统说明:
每个吊架的支架上安装有两个压力传感器。感应管将引气转移压力传感器9HA1(9HA2)连接至HPV下游的气动管道。每个压力传感器均通过电气线路与对应的BMC(1HA1、1HA2)相连。引气调节压力传感器8HA1(8HA2)通过感应管接入引气活门下游的气动管道,该传感器同时与BMC 1和BMC 2建立电气连接。预冷器换热器下游安装有换热器出口温度传感器10HA1(10HA2),该传感器安装在各吊架的气动管道内,并与BMC建立电气连接。温度传感器10HA1(10HA2)同样与BMC 1和BMC 2实现电气连接。
A. Pressure Transducer
Each pressure transducer consists of a housing and an attachment plate. In the attachment plate there are three holes to install the transducer on the bracket. On one side, the housing has a pneumatic port for the sense line. On the opposite side there is an electrical connector. In the pressure transducer there is a measure cell which contains a silicide plate. This cell is a part of the resistance bridge (Wheatstone type). The housing also contains a section for the signal amplification.
A. 压力传感器
每个压力传感器由外壳和连接板组成。连接板上设有三个孔用于将传感器安装在支架上。外壳一侧设有用于传感线的气动接口,另一侧则配有电气连接器。压力传感器内部包含一个测量单元,该单元内含硅化物板,构成惠斯通电桥式电阻电路的一部分。外壳还设有信号放大模块。
(1) Pressure indication
Two pressure transducers read the:
– transferred relative static pressure (upstream of the bleed valve)
– regulated relative static pressure (downstream of the bleed valve)
The pressure transducers transmit signals to the connected BMC which monitors the pressure.
The BMC prepares the data for the Built-In Test Equipment (BITE) (for maintenance analysis of the HP bleed valve and the bleed valve).
Additionally, the BMC sends ARINC data to the System Data Acquisition Concentrator (SDAC) which then generates information for the Electronic Centralized Aircraft Monitoring (ECAM) display.
(1) 压力指示
两个压力传感器读取:
– 传递的相对静压(引气活门上游)
– 调节后的相对静压(引气活门下游)
压力传感器将信号传输至连接的BMC,由其监控压力。
BMC处理数据供内置测试设备(BITE)使用(用于HPV及引气活门的维护分析)。
此外,BMC向系统数据采集集中器(SDAC)发送ARINC数据,后者据此生成ECAM显示信息。
(2) Pressure control
In case of overpressure downstream of the bleed valve,the corresponding BMC closes the valve (refer to 36-20-00). The System Display (SD) shows the pressure on the BLEED page in green. If the system pressure is too high, display is amber.
(2) 压力控制
当引气活门下游压力过高时,对应的BMC将关闭活门(参见36-20-00)。系统显示器(SD)在引气页面以绿色显示压力值。若系统压力过高,则显示为琥珀色。
![图片[4]-ZRA380-00 PRESSURE TRANSDUCER-航修札记](https://www.aeroacm.com/wp-content/uploads/2025/12/20251230222310279-word-image-11550-4.png)
![图片[5]-ZRA380-00 PRESSURE TRANSDUCER-航修札记](https://www.aeroacm.com/wp-content/uploads/2025/12/20251230222311527-word-image-11550-5.png)
![图片[6]-ZRA380-00 PRESSURE TRANSDUCER-航修札记](https://www.aeroacm.com/wp-content/uploads/2025/12/20251230222312749-word-image-11550-6.png)
![图片[7]-ZRA380-00 PRESSURE TRANSDUCER-航修札记](https://www.aeroacm.com/wp-content/uploads/2025/12/20251230222312736-word-image-11550-7.png)












暂无评论内容