ANTI-ICE ON/OFF VALVE 防冰关断活门
一、名称
ANTI-ICE ON/OFF VALVE
防冰关断活门
二、件号
326975
三、章节号
30-28-52
四、适用机型
A320
五、系统
30 ICE AND RAIN PROTECTION
防冰防雨
六、安装位置
发动机(V2500)
![图片[1]-326975 ANTI-ICE ON/OFF VALVE-航修札记](https://www.aeroacm.com/wp-content/uploads/2025/11/20251111000502683-word-image-10784-1.png)
![图片[2]-326975 ANTI-ICE ON/OFF VALVE-航修札记](https://www.aeroacm.com/wp-content/uploads/2025/11/20251111000502552-word-image-10784-2.png)
![图片[3]-326975 ANTI-ICE ON/OFF VALVE-航修札记](https://www.aeroacm.com/wp-content/uploads/2025/11/20251111000503683-word-image-10784-3.png)
![图片[4]-326975 ANTI-ICE ON/OFF VALVE-航修札记](https://www.aeroacm.com/wp-content/uploads/2025/11/20251111000503653-word-image-10784-4.png)
七、部件原理
DESCRIPTION AND OPERATION 描述与操作
1. Description
描述
The Anti-Ice On/Off Valve (valve) (see Figure 1) is a normally closed butterfly shutoff valve used to provide anti-icing air flow control. The valve is solenoid-controlled and pneumatically or manually actuated. The major functional components of the valve are the solenoid-operated pilot valve, mode selector valve, pneumatic actuator, position indicating switches, valve disk, and the valve body. The pneumatic actuator is equipped with manual override and locking mechanism for actuation with a wrench. The valve is equipped with a quick-release pin for locking the valve in the desired position. The valve positions are identified as CL (closed) and OP (open).
防冰关断活门(活门)(见图1)为常闭式蝶板型关断活门,用于提供防冰气流。该活门采用电磁控制,可通过气动或手动方式驱动。活门主要功能部件包括电磁驱动先导阀、模式选择阀、气动作动器、位置指示开关、活门板及活门主体。气动作动器配备手动超控装置及扳手锁定机构。活门设有快速释放销,可将活门锁定在所需位置。活门位置标识为CL(关闭)和OP(开启)。
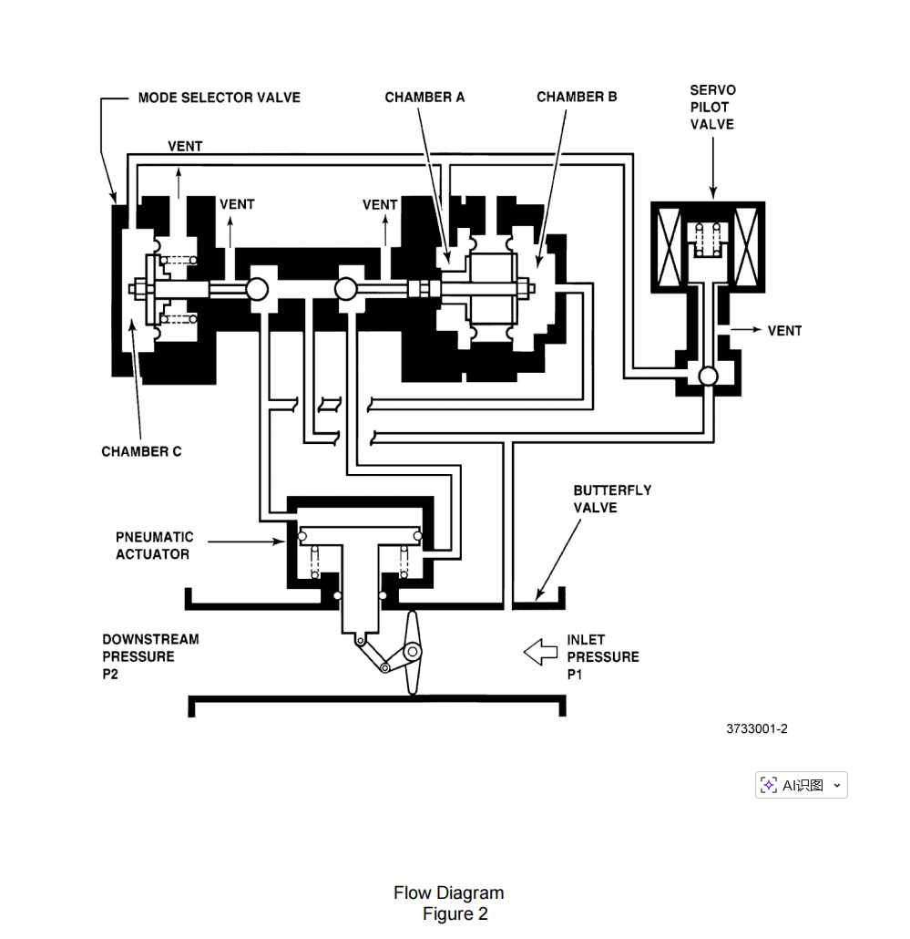
2. Operation (See Figure 2)
操作原理(参见图2)
A. Inlet Port Depressurized
When the inlet port is depressurized, pneumatic pressure is not available in the upper chamber of the pneumatic actuator, and the actuator spring force maintains the valve in the fully closed position.
CAUTION: DO NOT OPERATE THE VALVE MANUALLY WHEN PRESSURIZED. MAKE SURE THE INPUT TORQUE DOES NOT GO MORE THAN 50 LB-IN. (5.6 N•M) OR DAMAGE TO THE VALVE SHAFT MAY OCCUR.
入口端口失压状态
当入口端口失压时,气动作动器上腔室无气压输入,此时作动器弹簧力将活门维持在完全关闭位置。
注意:活门加压时严禁手动操作。确保输入扭矩不超过50磅·英寸(5.6牛·米),否则可能损坏活门轴。
B. Inlet Port Pressurized – Solenoid De-energized
1) When the solenoid is de-energized, the solenoid plunger spring force maintains the pilot valve in its closed position. The mode selector valve right section pressure chamber (chamber A) is vented to ambient.
2) Inlet pressure acts on the diaphragm of the right section of the mode selector valve (chamber B), and maintains the right section in its closed position. The pneumatic actuator lower chamber (spring side) is vented to ambient.
3) The mode selector valve left section pressure chamber (chamber C) is vented to ambient. The left section of the mode selector valve is spring-loaded to its closed position. Inlet pressure acts on the pneumatic actuator piston and overcomes the actuator spring force. The valve disk maintains the valve open position.
入口端加压 – 电磁阀断电
1) 当电磁阀断电时,电磁阀柱塞(衔铁)弹簧力使先导阀保持关闭状态。模式选择阀右侧压力腔室(腔室A)与大气连通。
2) 入口压力作用于模式选择阀右侧膜片(腔室B),使右侧保持关闭状态。气动作动器下部腔室(弹簧侧)与大气连通。
3) 模式选择阀左侧压力腔室(腔室C)与大气连通。模式选择阀左侧在弹簧作用下保持关闭状态。入口压力作用于气动作动器活塞,克服作动器弹簧力,使活门板维持活门开启位置。
C. Inlet Port Pressurized – Solenoid Energized
1) When the solenoid is energized, the solenoid plunger spring force is overcome by electromagnetic force, and the pilot valve maintained in its open position.
入口端加压 – 电磁铁通电
1) 电磁铁通电时,电磁力克服电磁铁柱塞弹簧力,使先导阀维持开启状态。
![图片[5]-326975 ANTI-ICE ON/OFF VALVE-航修札记](https://www.aeroacm.com/wp-content/uploads/2025/11/20251111000519339-word-image-10784-5.png)
![图片[6]-326975 ANTI-ICE ON/OFF VALVE-航修札记](https://www.aeroacm.com/wp-content/uploads/2025/11/20251111000528507-word-image-10784-6.png)
2) Inlet pressure acts on the mode selector valve left section diaphragm (in Chamber C), and maintains the left section in its open position. The pneumatic actuator upper chamber and chamber B of the mode selector valve right section are vented to ambient.
3) Inlet pressure acts on the diaphragm of the right section of the mode selector valve (chamber A), and maintains the right section in its open position. Inlet pressure and spring force act in the pneumatic actuator lower chamber to maintain the valve in the closed position.
2) 入口压力作用于模式选择阀左侧膜片(位于C腔),使左侧保持开启状态。气动作动器上腔室及模式选择阀右侧腔室B均通向大气。
3) 入口压力作用于模式选择阀左侧膜片(腔室A),使右侧保持开启状态。入口压力与弹簧力共同作用于气动作动器下腔室,使活门保持关闭状态。
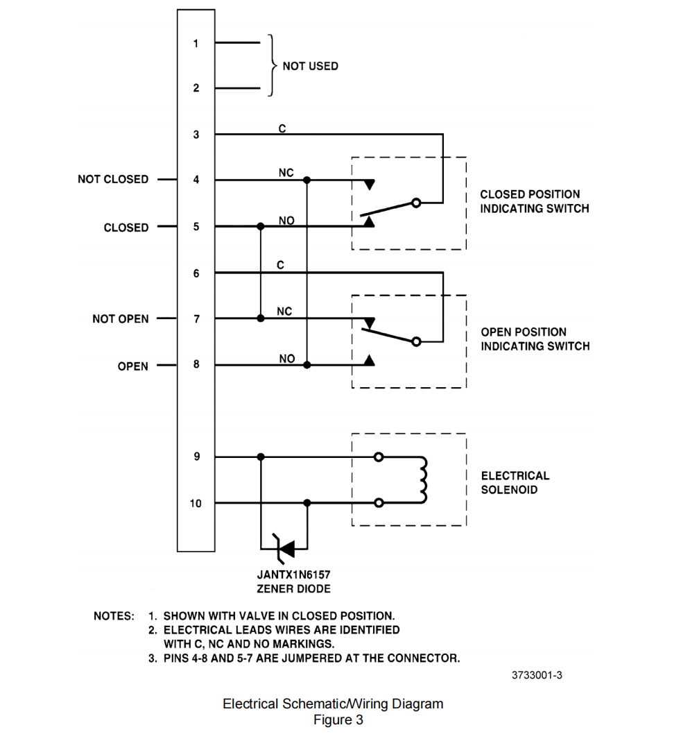
D. Open Position Indicating Switch (See Figure 3)
When the valve travels from the closed position to the open position, a cam on the actuator shaft actuates the open position indicating switch within 3 to 15 degrees from the fully open position. This action breaks the circuit path between electrical connector pins 6 and 7, and makes the circuit path between pins 6 and 8. When the valve travels from the open position to the closed position, the open position indicating switch is de-activated within 3 to 15 degrees from the fully open position. This action makes the circuit path between pins 6 and 7, and breaks the circuit path between pins 6 and 8.
开位指示开关(见图3)
当活门从闭位移动至开位时,作动器轴上的凸轮会在全开位置前3至15度范围内触发开位指示开关。此动作将断开电气连接器6号与7号插针间的电路通路,同时接通6号与8号插针间的电路通路。当活门从开位移向关闭位时,开位指示开关在距全开位置3至15度范围内失效(解除作动)。此动作将接通6号与7号插针间的电路通路,同时断开6号与8号插针间的电路通路。
E. Closed Position Indicating Switch (See Figure 3)
When the valve travels from the open position to the closed position, a cam on the actuator shaft actuates the closed position indicating switch within 3 to 15 degrees from the fully closed position. This action breaks the circuit path between electrical connector pins 3 and 4, and makes the circuit path between pins 3 and 5. When the valve travels from the closed position to the open position, the closed position indicating switch is de-activated within 3 to 15 degrees from the fully closed position. This action makes the circuit path between pins 3 and 4, and breaks the circuit path between pins 3 and 5.
CAUTION: DO NOT OPERATE THE VALVE MANUALLY WHEN PRESSURIZED. MAKE SURE THE INPUT TORQUE DOES NOT GO MORE THAN 50 LB-IN. (5.6 N•M) OR DAMAGE TO THE VALVE SHAFT MAY OCCUR.
关位指示开关(见图3)
当活门从开位向关位移动时,作动器轴上的凸轮会在距全关位3至15度范围内触发关位指示开关。此动作将断开电气连接器3号与4号插针间的电路通路,同时接通3号与5号插针间的电路通路。当活门从关闭位置转至开启位置时,关位指示开关将在距完全闭合位置3至15度范围内失效(解除作动)。此动作将接通3号与4号插针间的电路通路,同时断开3号与5号插针间的电路通路。
注意:活门加压时严禁手动操作。确保输入扭矩不超过50磅·英寸(5.6牛·米),否则可能损坏活门轴。
F. Manual Override Control and Locking
The valve may be manually operated and locked in either the open or the closed position. With the inlet port de-pressurized, the valve may be moved to the desired position with a wrench applied to the hexagonal drive indicator attached to the valve actuator shaft. To lock the valve in the desired position, the quick-release locking pin is removed from the STOW hole position and inserted in the LOCK hole position. This action locks the actuator piston in the set position. The locking pin is retained in either the STOW hole or LOCK hole position by a detent mechanism in the end of the pin.
手动超控与锁定
活门可手动操作,并能锁定在开启或关闭位置。当入口端口泄压后,可通过扳手作用于活门作动器轴上的六角驱动指示器,将活门移至所需位置。为锁定活门,需将快拆锁销从“STOW”位置移出,插入“LOCK”位置。此操作将使作动器活塞锁定在设定位置。锁定销通过销端部的棘爪机构(止动装置)固定在STOW孔或LOCK孔位置。
![图片[7]-326975 ANTI-ICE ON/OFF VALVE-航修札记](https://www.aeroacm.com/wp-content/uploads/2025/11/20251111000545985-word-image-10784-7.png)
八、工作参数
![图片[8]-326975 ANTI-ICE ON/OFF VALVE-航修札记](https://www.aeroacm.com/wp-content/uploads/2025/11/20251111000549495-word-image-10784-8.png)
九、在飞机系统中的工作原理及互联
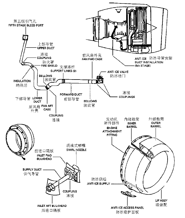
可参考327155,从发动机压缩机中压级(7级)直接引气(327155是流道5级,作动气压9级)
引气系统:CFM 中压/高压:5/9级;V2500 中压/高压:7/10级;PW 中压/高压:3/8级;
The ice protection system of the engine air intakes is normally selected only in icing conditions.Ice protection heats the intake cowls with air bled from the engine compressor.The function of the ice protection of the engine air intakes is to supply bleed air to heat the inlet lip during icing encounters. This maintains the inlet duct of the engine free of harmful accumulation of ice.The installation consists of ducting, coupling, seals, a shutoff valve, mechanical supports and a piccolo tube. The air bled from the seventh stage of the high compressor is the heat source. A solenoid-operated shutoff valve (which is designed to be spring-loaded in the closed position in case of failure) provides the on-off control. The piccolo tube distributes the air within the leading edge of the intake cowl.The spent air exhausts via a flush duct in the aft cavity of the intake cowl.
正常情况下,发动机进气口的防冰系统只在结冰条件下才选择使用。进气整流罩防冰加温所使用的热空气是来自发动机压缩机的引气。发动机进气口防冰的功能是在遭遇结冰条件时,向进气缘提供热的引气。这会保证发动机的管道没有有害的冰类积聚物。系统由管道,接头,密封圈,一个关断活门,机械支架和一个涡流式喷嘴所组成。引自于高压压气机的第七级上的引气为热力源。一个电磁作动关断活门(设计为万一故障时弹性加载接通位置)提供接通-断开控制。涡流式喷嘴在进口整流罩的前缘内部喷射空气。使用后的空气通过进口整流罩后腔的一个平口管排出。
![图片[9]-326975 ANTI-ICE ON/OFF VALVE-航修札记](https://www.aeroacm.com/wp-content/uploads/2025/11/20251111000550468-word-image-10784-9.png)












暂无评论内容