一、名称
FAN AIR TEMPERATURE SENSOR
风扇空气温度传感器
二、件号
790390-1~-5,S210T120-108,-118
三、章节号
36-11-13
四、适用机型
B747/B767
五、系统
36-PNEUMATIC
气动
六、安装位置
发动机吊架
![图片[1]-790390 FAN AIR TEMPERATURE SENSOR-航修札记](https://www.aeroacm.com/wp-content/uploads/2025/11/20251118224129217-word-image-10890-1.png)
七、部件原理
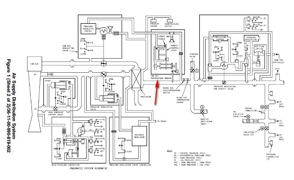
1. Description (Refer to Figure 1)
A. The fan air temperature sensor consists of a sensor housing, sensor cover, bleed air temperature probe and an insulation blanket. The insulation blanket is only on PN 790390-1 and PN 790390-2 sensors.
B. The sensor housing houses an air filter, sensor lever, sensor crank, sensor diaphragm, compensating springs and bimetallic disks. The sensor housing also houses a relief valve which consists of a ball, spring and a valve seat.
C. The sensor cover houses an adjusting screw, filter assembly, nozzle and an orifice tube.
D. The bleed air temperature probe projects from the sensor assembly.
E. The insulation blanket surrounds the outside of the sensor housing and sensor cover on PN 790390-1 and PN 790390-2 only.
1. 描述(参见图1)
A. 风扇空气温度传感器由传感器外壳、传感器盖、引气温度探头及隔热罩组成。隔热垫仅存在于PN 790390-1和PN 790390-2型号传感器中。
B. 传感器外壳内置气滤、传感器杠杆、传感器曲柄、传感器膜片、补偿弹簧及双金属片。外壳还容纳由球体、弹簧和阀座组成的泄压阀。
C. 传感器盖内含调节螺钉、气滤组件、喷嘴及限流孔管。
D. 引气温度探头从传感器组件处伸出。
E. 隔热罩仅包裹PN 790390-1和PN 790390-2型号的传感器外壳及传感器盖外部。
2. Operation (Refer to Figure 2)
A. Signal pressure passes through an in-line filter and is then regulated by a ball poppet pressure regulator and controlled by a nozzle and poppet before acting in the fan air modulating valve as servo pressure.
B. The ball poppet regulator bleeds off excess pressure providing an essentially regulated supply to the sensor. This reduces supply pressure variations and improves temperature sensor accuracy.
C. The temperature probe expands or contracts reacting to temperature variations. This produces a force change on the sensor lever through the sensor crank causing the sensor lever to move. The lever movement results in a proportional change in signal pressure. This change in signal pressure acts on the sensor diaphragm to balance the lever.
D. The bimetallic disks compensate for temperature changes in the spring and spring cavity to provide improved controller accuracy.
2. 工作原理(参见图2)
A. 信号压力经由管路气滤后,通过球阀式压力调节器进行调节,再经喷嘴和阀芯控制,最终作为伺服压力作用于风扇空气调节活门。
B. 球阀式调节器释放过剩压力,为传感器提供基本稳定的供压。此设计可减少供压波动,提升温度传感精度。
C. 温度探头随温度变化伸缩,通过传感器曲柄使传感器杠杆产生力变化而移动。杠杆位移导致信号压力成比例变化,该变化作用于传感器膜片以平衡杠杆。
D. 双金属片补偿弹簧及弹簧腔的温度变化,从而提升控制器精度。
![图片[2]-790390 FAN AIR TEMPERATURE SENSOR-航修札记](https://www.aeroacm.com/wp-content/uploads/2025/11/20251118224130426-word-image-10890-2.png)
![图片[3]-790390 FAN AIR TEMPERATURE SENSOR-航修札记](https://www.aeroacm.com/wp-content/uploads/2025/11/20251118224130688-word-image-10890-3.png)
八、工作参数
NA
九、在飞机系统中的工作原理及互联
The precooler reduces the temperature of the bleed air extracted from the engines. It uses engine fan air to remove heat from the bleed air. The fan air temperature sensor measures the temperature of the bleed air downstream of the precooler and varies signal pressure to the fan air modulating valve. The fan air modulating valve controls the amount of fan air that goes through the precooler.
预冷器通过利用发动机风扇空气来降低从发动机的引气温度。风扇空气温度传感器会测量预冷器下游引气的温度,并据此调节风扇空气调节活门的信号压力。该FAV可精确控制通过预冷器的风扇空气流量。
![图片[4]-790390 FAN AIR TEMPERATURE SENSOR-航修札记](https://www.aeroacm.com/wp-content/uploads/2025/11/20251118224131165-word-image-10890-4.png)









暂无评论内容