一、名称
HIGH PRESSURE REGULATOR AND SHUTOFF VALVE CONTROLLER
HPFAC – high pressure fan air controller
高压调节器及关断活门控制器
HPFAC – 高压风扇控制器
(在七、部件原理和九、在飞机系统中的功能及其互联中略有不同)
二、件号
3399100-2~-4,-6~-11,-20,-21,-30,-31,-41
三、章节号
36-13-57
四、适用机型
B777-200
五、系统
36 PNEUMATIC
气源
六、安装位置
发动机舱
BEJ 001-010
The HPFAC is on the lower right side of the engine fan case at the 5:00 position.
HPFAC 位于发动机风扇箱的右下方 5:00 位置。
BEJ 101-999
The HPFAC is outside the fan hub frame area of the engine at the 9:00 position.
HPFAC 位于发动机风扇轮毂框架(不会翻译)区域的 9:00 位置。
![图片[1]-3399100 HIGH PRESSURE REGULATOR AND SHUTOFF VALVE CONTROLLER/HPFAC – high pressure fan air controller-航修札记](https://www.aeroacm.com/wp-content/uploads/2025/11/20251126233647165-word-image-11037-1.png)
![图片[2]-3399100 HIGH PRESSURE REGULATOR AND SHUTOFF VALVE CONTROLLER/HPFAC – high pressure fan air controller-航修札记](https://www.aeroacm.com/wp-content/uploads/2025/11/20251126233658335-word-image-11037-2.png)
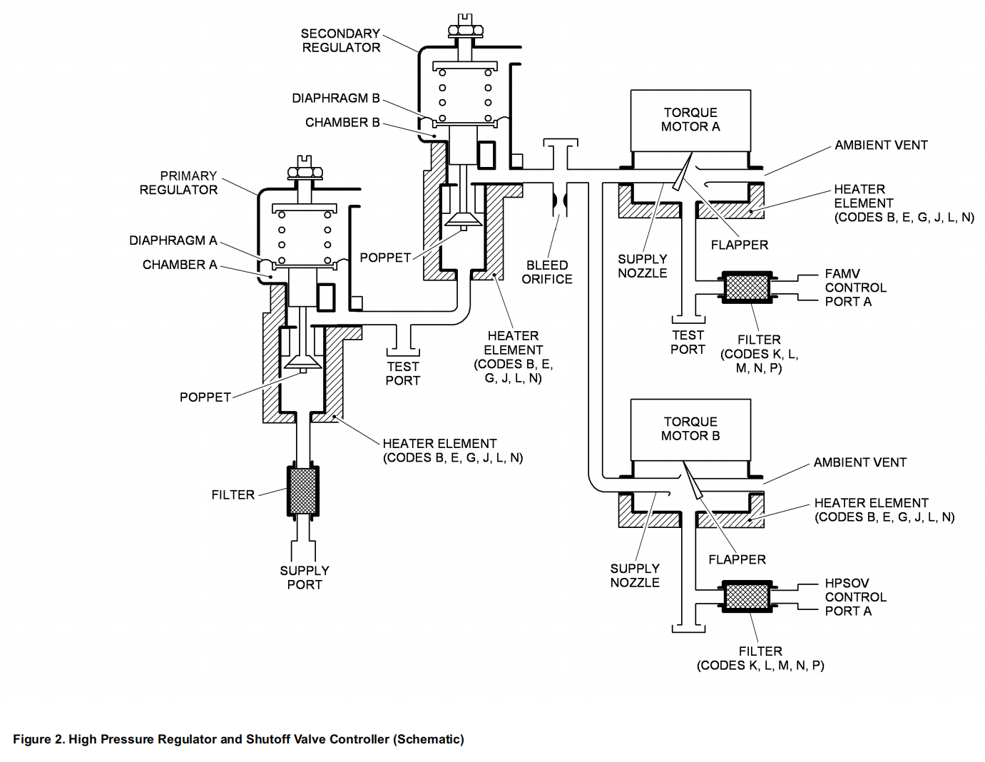
七、部件原理
电流增加,HPV降压,FCV增压
Operation
A. High Pressure Regulator and Shutoff Valve Controller
(1) Operation of the controller occurs when it is connected to the HPSOV and to the FAMV. Inlet air from an external source goes into the supply port and then through the filter to the primary regulator. Air flows past the poppet into Chamber A where the air pressure pushes against the area of Diaphragm A. When the diaphragm force is larger than the force of the regulator spring, the poppet will move in the direction of the closed position. When the regulator spring and the air pressure forces are equal, the pressure downstream of the primary regulator stays constant independently of a specified range of inlet pressures.
This constant primary pressure goes to the secondary regulator which is calibrated to control to a lower specified pressure. The regulated pressure decrease occurs in two steps in sequence to get a more accurate secondary pressure during the full range of inlet pressures. The secondary specified pressure goes to the torque motors. The two regulators also operate as alternatives to each other if one of the two does not operate.
(2) With zero electrical current supplied to Torque Motor A, the supply nozzle is closed (zero FAMV control pressure) and the actuator pressure for the remote valve is bled to ambient pressure through the vent nozzle. Movement of the torque motor flapper in the direction of the vent nozzle occurs in proportion to the quantity of electrical current. This increases
the supply nozzle area and decreases the vent nozzle area. This causes an increase in pressure at Control Port A and the FAMV actuator. As the control pressure to the FAMV actuator increases, the FAMV will move in the direction of the closed position. When maximum electrical current is supplied, the torque motor flapper will seal the vent nozzle and the control pressure will get to its maximum value and this will cause the FAMV to close fully.
(3) With zero electrical current supplied to Torque Motor B, the supply nozzle is open (maximum HPSOV control pressure) and the secondary regulator pressure goes to the Control Port B. The pressure at the control port goes to the actuator of the remote HPSOV and causes that valve to open. Application of an electrical current causes a proportional movement of the torque motor flapper in the direction of the supply nozzle occurs in proportion to the quantity of electrical current. This decreases the supply nozzle area and increases the vent nozzle area. This causes a decrease in pressure at Control Port B and at the HPSOV actuator. As the control pressure to the HPSOV actuator decreases, the HPSOV will move in the direction of the closed position. When maximum electrical current is supplied, the torque motor flapper will seal off the supply nozzle and the control pressure will return to zero. This will cause the HPSOV to close fully.
(4) (Codes B, E, G, J, L, N) This HPSOV controller has an electrical heater to prevent moisture freezing in the supply air during operation at low temperature.
操作
A. 高压调节器与关断活门控制器
(1) 控制器在连接至HPSOV和FAMV时开始工作。外部气源的进气进入供气口,经气滤后进入主调节器。气流经阀芯进入A室,气压作用于膜片A的受力面积。当膜片受力大于调节器弹簧力时,阀芯将向关闭位置移动。当调节器弹簧力与气压力相等时,主调节器下游压力在指定进气压力范围内保持恒定。
该恒定主压力输送至二级调节器(次级调节器),该装置经校准可控制至较低的设定压力。为在全进气压力范围内获得更精确的二次压力,调节压力按两步序列递减。二次设定压力输送至力矩马达。若其中一个调节器失效,两个调节器可相互替代运行。
(2) 当力矩马达A未通电时,供气喷嘴关闭(FAMV控制压力为零),远程活门的作动器压力通过排气喷嘴泄放至环境压力。力矩马达挡板向排气喷嘴方向的移动幅度与电流强度成正比,此举将增大供气喷嘴面积并缩小排气喷嘴面积. 这将导致控制口A及FAMV作动器压力升高。随着FAMV作动器控制压力增加,活门将朝关闭方向移动。当施加最大电流时,力矩马达挡板将密封排气喷嘴,控制压力达到最大值,从而使FAMV完全关闭。
(3) 当力矩马达B零电流时,供气喷嘴开启(HPSOV控制压力最大),二级调节器压力传递至控制口B。该控制口压力作用于远程HPSOV作动器,促使活门开启。通电后,力矩马达挡板按电流大小成比例地向供气喷嘴方向移动。此举将缩小供气喷嘴面积并增大排气喷嘴面积,导致控制口B及HPSOV作动器压力下降。当HPSOV作动器控制压力降低时,该活门将朝关闭方向移动。当施加最大电流时,力矩马达挡板将完全密封供气喷嘴,控制压力恢复为零,从而使HPSOV完全关闭。
(4) (代码B、E、G、J、L、N) 本HPSOV控制器配备电加热装置,可在低温运行时防止供气中的水分冻结。
![图片[3]-3399100 HIGH PRESSURE REGULATOR AND SHUTOFF VALVE CONTROLLER/HPFAC – high pressure fan air controller-航修札记](https://www.aeroacm.com/wp-content/uploads/2025/11/20251126233659381-word-image-11037-3.png)
八、工作参数
![图片[4]-3399100 HIGH PRESSURE REGULATOR AND SHUTOFF VALVE CONTROLLER/HPFAC – high pressure fan air controller-航修札记](https://www.aeroacm.com/wp-content/uploads/2025/11/20251126233805143-word-image-11037-4.png)
九、在飞机系统中的功能及其互联
The ASCPCs monitor the user systems to make decisions about how much air to supply. The ASCPCs manage engine bleed
airflow three ways:
* Sheds user loads through an ARINC 629 signal (aft and bulk cargo heat, wing anti-ice)
* Sheds user loads by direct control (air conditioning packs, air conditioning trim air)
* Keeps engine bleed airflow to a limit.
The ASCPCs also monitor the user systems to make decisions about the temperature of air to supply. The ASCPCs manage engine bleed air temperature in two ways:
* Controls the flow of fan air though the precooler
* Keeps engine bleed air flow to a limit.
The ASCPCs use the pressure regulating and shutoff valve controller (PRSOVC) and the high pressure and fan air controller (HPFAC) to control the engine bleed air. The PRSOVC and HPFAC usually adjust the positions of the pressure regulating and shutoff valve (PRSOV) and the high pressure shutoff valve (HPSOV) as necessary to regulate pressure and flow. The HPFAC adjusts the position of the fan air modulating valve (FAMV) as necessary to regulate temperature. See the engine air supply section for more information about the engine air supply (SECTION 36-11).
ASCPCs通过监控用户系统来决定供气量。ASCPCs通过三种方式管理发动机引气流量:
* 通过ARINC 629信号切断用户负载(后舱及散货舱加热系统、机翼防冰系统)
* 直接控制切断用户负载(空调组件、空调配平空气)
* 将发动机引气流量限制在设定值内。
ASCPs同时监控用户系统以决定供气温度。ASCPs通过两种方式管理发动机引气温度:
* 控制风扇空气通过预冷器的流量
* 将发动机引气流量限制在设定值内
ASCPC通过压力调节和关断活门控制器(PRSOVC)与高压风扇空气控制器(HPFAC)控制发动机引气。PRSOVC和HPFAC通常根据需求调节压力调节和关断活门(PRSOV)及高压关断活门(HPSOV)的位置以控制压力和流量。HPFAC根据需要调节风扇空气调节活门(FAMV)的位置以控制温度。有关发动机空气供应的更多信息,请参阅发动机空气供应章节(第36-11节)。
The ASCPCs use the data to control these components:
* Three isolation valves
* APU shutoff valve
* Two pressure regulating and shutoff valve controllers (PRSOVC)
* Two high pressure fan air controllers (HPFAC).
ASCPC通过数据控制以下组件:
* 三个隔离活门
* 辅助动力装置(APU)关断活门
* 两套压力调节和关断活门控制器(PRSOVC)
* 两套高压风扇空气控制器(HPFAC)。
![图片[5]-3399100 HIGH PRESSURE REGULATOR AND SHUTOFF VALVE CONTROLLER/HPFAC – high pressure fan air controller-航修札记](https://www.aeroacm.com/wp-content/uploads/2025/11/20251126233808723-word-image-11037-5.png)
General Description
The engine air supply system has three levels of control:
* Digital (primary mode)
* Analog (backup mode)
* Pneumatic.
The ASCPC supplies the primary and backup modes. The high pressure fan air controller (HPFAC) and the pressure regulating and shutoff valve controller (PRSOVC) are set to let the engine air supply system operate without ASCPC control. This is the pneumatic mode.For usual operation, all functions that have a relation to the primary mode and some functions for the backup mode operate at the same time. The primary mode and backup modes work together to supply the most efficient control for the engine air supply system.If the primary mode fails, all functions for the backup and the pneumatic modes operate together. The backup and the pneumatic modes give a limited amount of control, protection, and indications for the engine air supply system.If the primary and backup modes fail, the pneumatic mode sets the engine air supply system to the default condition. In the default condition, the engine air supply system supplies air in the pneumatic mode with no protection or indications.The primary mode is described below. See engine air supply functional description section for more information.
系统概述
发动机空气供应系统具备三级控制模式:
* 数字控制(主模式)
* 模拟控制(备用模式)
* 气动控制。
ASCPC提供主模式与备用模式控制。高压风扇空气控制器(HPFAC)及压力调节和关断活门控制器(PRSOVC)可设置为使发动机空气供应系统在无ASCPC控制下运行,此即气动模式。常规运行时,所有与主模式相关的功能及部分备用模式功能将同时启用。主模式与备用模式协同工作,为发动机空气供应系统提供最优控制。若主模式失效,所有备用模式与气动模式功能将协同运行。备用模式与气动模式仅为发动机供气系统提供有限的控制、保护及指示功能。若主模式与备用模式同时失效,气动模式将使发动机供气系统进入默认状态。默认状态下,系统以气动模式供气,不提供任何保护或指示功能。主模式说明如下。更多信息请参阅发动机空气供应功能描述章节。
Bleed Port Selection
The ASCPC selects the lowest possible bleed air source while still satisfying the needs of the users systems. Selection is based on pressure, flow, altitude, air conditioning pack operation, and engine starting. The manifold pressure sensor, the intermediate pressure sensor and the EEC monitor the pneumatic duct pressure. The pneumatic duct pressure data goes to the ASCPC. If pressure goes below specified values, the ASCPC sends a command to the HPFAC. The HPFAC adjusts the position of the high pressure shutoff valve (HPSOV) so that high pressure air adds to low pressure air.
引气口选择
ASCP控制单元在满足用户系统需求的前提下,选择最低可能的引气源。选择依据包括压力、流量、高度、空调组运行状态及发动机启动需求。歧管压力传感器、中间压力传感器和电子执行控制系统(EEC)共同监测气动管道压力,相关数据传输至ASCP控制单元。若压力低于设定值,ASCPC将向高压空气分配器(HPFAC)发送指令。HPFAC通过调节高压关断活门(HPSOV)位置,使高压空气补充至低压空气系统。
Pressure Control
The ASCPC controls the engine air supply pressure. The manifold pressure sensor and the intermediate pressure sensor monitor the pneumatic duct pressure. The pneumatic duct pressure data goes to the ASCPC. The ASCPC then sends a command to the HPFAC and the PRSOVC. The HPFAC adjusts the HPSOV and the PRSOVC adjusts the pressure regulating shutoff valve (PRSOV). The valves open and close as necessary to control the pressure.The duct vent valve (DVV) releases high pressure to prevent overpressure indication when the engine is on and the bleed system is set to off.
压力控制
ASCPC负责控制发动机供气压力。歧管压力传感器与中间压力传感器监测气动管道压力,相关数据传输至ASCPC。随后ASCPC向HPFAC和PRSOVC发送指令。HPFAC调节HPSOV,PRSOVC调节压力调节和关断活门(PRSOV)。活门根据需要开闭以控制压力。当发动机运转且引气系统关闭时,导管排气阀(DVV)释放高压以防止过压指示。
Temperature Control
The ASCPC controls the engine air supply temperature. The manifold dual temperature sensors monitor the pneumatic duct temperature. The pneumatic duct temperature data goes to the ASCPC. The ASCPC then sends a signal to the HPFAC. The HPFAC adjusts the fan air modulating valve (FAMV) to control the temperature.If the temperature of the bleed air gets above the usual limits, a signal goes to the PRSOVC. The PRSOVC adjusts the PRSOV as necessary to decrease the amount of hot bleed air supplied.
温度控制
ASCPC控制发动机供气温度。歧管双温度传感器监测气路管道温度。气路管道温度数据传输至ASCPC。ASCPC随后向HPFAC发送信号。HPFAC通过调节风扇空气调节活门(FAMV)实现温度控制。若引气温度超出常规范围,信号将传至PRSOVC。PRSOVC根据需要调节PRSOV,以降低热引气供应量。
![图片[6]-3399100 HIGH PRESSURE REGULATOR AND SHUTOFF VALVE CONTROLLER/HPFAC – high pressure fan air controller-航修札记](https://www.aeroacm.com/wp-content/uploads/2025/11/20251126233811185-word-image-11037-6.png)
General
BEJ 001-010
These are the engine right side components for the engine air supply system:
* Duct vent valve (DVV)
* Intermediate pressure check valve (IPCV)
* Pressure regulating and shutoff valve controller (PRSOVC)
* High pressure fan air controller (HPFAC).
概述
BEJ 001-010
以下为发动机右侧空气供应系统组件:
* 导管排气活门(DVV)
* 中压止回活门(IPCV)
* 压力调节和关断活门控制器(PRSOVC)
* 高压风扇空气控制器(HPFAC)
![图片[7]-3399100 HIGH PRESSURE REGULATOR AND SHUTOFF VALVE CONTROLLER/HPFAC – high pressure fan air controller-航修札记](https://www.aeroacm.com/wp-content/uploads/2025/11/20251126233815670-word-image-11037-7.png)
ENGINE AIR SUPPLY SYSTEM – HIGH PRESSURE AND FAN AIR CONTROLLER
发动机供气系统 – 高压与风扇空气控制器
Purpose
The high pressure and fan air controller (HPFAC) regulates the control pressure that goes to the FAMV actuator and the HPSOV actuator.
功能
高压与风扇空气控制器(HPFAC)调节输送至FAMV执行器和HPSOV执行器的控制压力。
Location
BEJ 001-010
The HPFAC is on the lower right side of the engine fan case at the 5:00 position.
BEJ 101-999
The HPFAC is outside the fan hub frame area of the engine at the 9:00 position.
安装位置
BEJ 001-010
该控制器位于发动机风扇壳体右下方5点钟位置。
BEJ 101-999
该控制器位于发动机风扇轮毂框架外部9点钟位置。
BEJ ALL
Physical Description
The HPFAC is an electropneumatic controller. The controller has these parts:
* Two electrical connectors (FAMV and HPSOV)
* Two control pressure line connectors (FAMV and HPSOV)
* One supply pressure line connector and filter
* Two torque motors (TM) (FAMV & HPSOV)
BEJ 001-010
* Two reference pressure regulators (FAMV & HPSOV)
BEJ 101-999
* Two reference pressure regulators (FAMV and HPSOV).
* Electrical heater.
BEJ 001-010
* Electrical heater.
BEJ ALL
The reference pressure regulators set control pressure to a fixed value. The regulators are in series with each other. The torque motors regulate the control pressure to values less than the reference pressure regulators.
BEJ 001-010
The heater makes sure the controller does not freeze.
BEJ 101-999
The heater makes sure the controller does not freeze.
BEJ ALL
Training Information Point
The mounting bolt hole pattern on the HPFAC helps install it correctly. Three pneumatic line connectors are of different sizes on the HPFAC. This makes sure you connect the lines correctly.Two electrical connectors are of different sizes to help install the HPFAC correctly. The filter is line replaceable.
BEJ ALL
物理特征
HPFAC为电液控制装置,包含以下零件:
* 两组电气连接器(FAMV与HPSOV)
* 两组控制压力管路连接器(FAMV与HPSOV)
* 一组供压管路连接器及气滤
* 两台力矩马达(TM)(FAMV与HPSOV)
BEJ 001-010
* 两组设定压力调节器(FAMV与HPSOV)
BEJ 101-999
* 两套基准压力调节器(FAMV与HPSOV)
* 电加热器
BEJ 001-010
* 电加热器
BEJ ALL
基准压力调节器将控制压力设定为固定值。两套调节器串联工作。力矩马达将控制压力调节至低于基准压力调节器设定值的范围。
BEJ 001-010
加热器确保控制器不会冻结。
BEJ 101-999
加热器确保控制器不会冻结。
BEJ ALL
培训信息点
HPFAC上的安装螺栓孔位布局有助于正确安装。HPFAC上三个气动管路接头尺寸各异,确保管路连接正确。两个电气连接器尺寸不同,有助于正确安装HPFAC。该气滤可航线更换。
![图片[8]-3399100 HIGH PRESSURE REGULATOR AND SHUTOFF VALVE CONTROLLER/HPFAC – high pressure fan air controller-航修札记](https://www.aeroacm.com/wp-content/uploads/2025/11/20251126233821792-word-image-11037-8.png)
![图片[9]-3399100 HIGH PRESSURE REGULATOR AND SHUTOFF VALVE CONTROLLER/HPFAC – high pressure fan air controller-航修札记](https://www.aeroacm.com/wp-content/uploads/2025/11/20251126233921685-word-image-11037-9.png)
Functional Description
The high pressure and fan air controller (HPFAC) sets the pressure of the control air for the HPSOV and the FAMV. The HPFAC uses two pressure regulators and two torque motors to set control air pressure. The torque motors are in parallel with each other and in series with the regulators.
Two regulators in series give an accurate control air pressure, at a fixed value. The fixed value gives these functions:
* Pneumatic and backup modes of operation for the HPSOV (HPSOV regulates to approximately 55 psig)
* Pneumatic and backup modes of operation for the FAMV (FAMV goes fully open)
* Protection for the HPSOV and FAMV actuators by setting the maximum pressure limit of the control air.
The primary mode of the ASCPC uses the torque motors to change the position of the HPSOV and FAMV. The torque motors change the amount of control air to the valves.
The torque motor for the HPSOV is set to supply maximum control air pressure to the HPSOV when it gets no current.
When the ASCPC sends current to the torque motor, the flapper moves to let control air pressure vent to ambient. The amount of air that vents has a relation to the amount of current that goes to the torque motor. This is an example: If the ASCPC wants to close the HPSOV, it supplies full current to the torque motor.
This sets the position of the flapper in the torque motor to stop supply air and vent control air pressure. A spring in the HPSOV (not shown) and duct pressure downstream of HPSOV move the valve closed.
The torque motor for the FAMV is set to stop control air pressure to the FAMV when it gets no current. When the ASCPC sends current to the torque motor, the flapper moves to let control air pressure go to the actuator of the FAMV. The amount of control air pressure given to the actuator has a relation to the amount of current that goes to the torque motor. This is an example: if the ASCPC wants to close the FAMV, it supplies full current to the torque motor. This sets the position of the flapper in the torque motor to let supply air flow through the regulators and to the actuator for the FAMV.
功能描述
高压与风扇空气控制器(HPFAC)设定HPSOV和FAMV的控制空气压力。HPFAC通过两个压力调节器和两个力矩马达设定控制空气压力。力矩马达彼此并联,并与调节器串联。
两台调节器串联可提供精确的固定值控制气压力。该固定值实现以下功能:
* HPSOV的气动及备用工作模式(HPSOV调节压力约为55 psig)
* FAMV的气动及备用工作模式(FAMV全开)
* 通过设定控制气源的最大压力限值,保护HPSOV和FAMV执行器
ASCPC的主模式利用力矩马达改变HPSOV和FAMV的位置。力矩马达通过调节活门控制气量实现位置控制。
当HPSOV力矩马达未通电时,系统设定其向HPSOV提供最大控制气压。
当ASCPC向力矩马达供电时,挡板移动使控制气压向环境泄放。泄放气量与力矩马达电流成正比。例如:若ASCPC需关闭HPSOV,则向力矩马达提供全电流。
此操作将力矩马达挡板定位至停止供气并泄放控制气压。HPSOV内部的弹簧(未示出)及活门下游风道压力共同推动活门关闭。
FAMV的力矩马达在断电时会停止向FAMV输送控制气压。当ASCPC向力矩马达供电时,活门移动使控制气压传递至FAMV执行器。施加至执行器的控制气压值与力矩马达电流值存在对应关系。例如:当ASCPC需关闭FAMV时,向力矩马达提供全电流。这将设定力矩马达内挡板的位置,使供气流经调节器并输送至FAMV执行器。
![图片[10]-3399100 HIGH PRESSURE REGULATOR AND SHUTOFF VALVE CONTROLLER/HPFAC – high pressure fan air controller-航修札记](https://www.aeroacm.com/wp-content/uploads/2025/11/20251126233922225-word-image-11037-10.png)
ENGINE AIR SUPPLY SYSTEM – CONTROLLER AIR COOLER
BEJ 001-010
Purpose
The controller air cooler (CAC) decreases the temperature of the engine bleed air (HP15) that goes to these controllers:
* EAI controller
* Pressure regulating and shutoff valve controller (PRSOVC)
* High pressure and fan air controller (HPFAC).
See the engine anti-ice (EAI) section for more information on the EAI controller (SECTION 30-21).
The HPFAC is mechanically set to cause the FAMV to go full open. The HPFAC also causes the HPSOV to give bleed source selection and pressure regulation at a fixed value.
发动机供气系统 – 控制器空气冷却器
BEJ 001-010
功能
控制器空气冷却器(CAC)用于降低流向以下控制器的发动机引气(HP15)温度:
* 发动机防冰控制器(EAI)
* 压力调节和关断活门控制器(PRSOVC)
* 高压及风扇空气控制器(HPFAC)。
有关发动机防冰(EAI)控制器的详细信息,请参阅发动机防冰(EAI)章节(第30-21节)。
HPFAC通过机械设定使FAMV全开。HPFAC同时使HPSOV在固定值下执行引气源选择与压力调节功能。
![图片[11]-3399100 HIGH PRESSURE REGULATOR AND SHUTOFF VALVE CONTROLLER/HPFAC – high pressure fan air controller-航修札记](https://www.aeroacm.com/wp-content/uploads/2025/11/20251126233926464-word-image-11037-11.png)
![图片[12]-3399100 HIGH PRESSURE REGULATOR AND SHUTOFF VALVE CONTROLLER/HPFAC – high pressure fan air controller-航修札记](https://www.aeroacm.com/wp-content/uploads/2025/11/20251126233931302-word-image-11037-12.png)










暂无评论内容