SOPM20-10-02合金钢的机械加工和应力消除
合金钢的机械加工和应力消除MACHINING OF ALLOY STEEL AND STRESS RELIEVING STEEL 1. INTRODUCTION 介绍 A.The data in this subject comes from Boeing Process Specifications BAC5436, B...
扭矩扳手使用方法及注意事项
扭矩扳手使用方法及注意事项随着扭力扳手的使用和要求提升,传统的扭力扳手中也逐渐演变出了设定式棘轮扭力扳手、数显式的扭力扳手和预置式扭力扳手等等。那么这些扭力扳手如何使用?如何确保精...
SOPM20-10-03喷丸
喷丸SHOT PEENING 1. INTRODUCTION 介绍 A.The data in this subject comes from Boeing Process Specifications BAC5730, BAC5730-2 and BAC5951. Access to the Boeing Process Specificat...
SOPM20-42-03镀硬铬
镀硬铬HARD CHROME PLATING 1. INTRODUCTION 介绍 A. The data in this subject comes from Boeing Process Specification BAC5709. Access to the Boeing Process Specifications is availa...
SOPM20-30-03通用清洗程序
通用清洗程序GENERAL CLEANING PROCEDURES 1. INTRODUCTION 介绍 A. The data in this subject comes from these Boeing Process Specifications: 本主题中的数据来自波音工艺规范: BAC5402,...
飞机维修工程管理-适航性管理
飞机维修工程管理-适航性管理一、飞机适航性的定义适航性:是指飞机、发动机、螺旋桨或零部件符合经局方批准的设计,并处于满足安全运行的状态。持续适航性:是指通过一套流程和方法,使得飞机...
A320-浅谈发动机引气压力波动
浅谈发动机引气压力波动 Discussion on Engine Bleed Pressure Fluctuation 原理分析 Principle analysis 引气原理图 pneumatic system-schematic 之前TSM上有两种发动机引气波动排故程序...
SOPM20-11-02电连接器的修理
电连接器的修理REPAIR OF ELECTRICAL CONNECTORS 1.INTRODUCTION 介绍 A.The following information is based on Boeing process specification BAC 5162 for assembly of electrical connec...
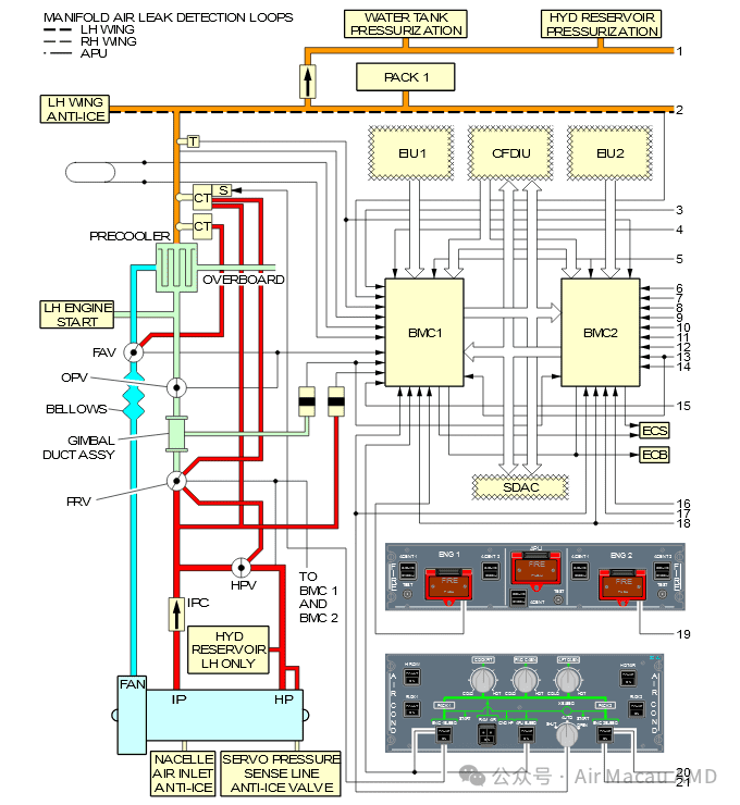
A330-30防冰防雨【系统原理】
A330-200/300TECHNICAL TRAINING MANUALICE AND RAIN PROTECTION技术培训手册防冰防雨 CONTENTS 目录 ICE AND RAIN PROTECTION Ice & Rain Protection Line MAINT Briefing (2) 防冰和防雨...
航空维修专业主要术语和英文缩写汇编(转)
该文章转自网络,用于学习,原文点击此处查看 1、航空维修专业主要术语 1.1 适航性 是指民用航空器包括其部件及子系统整体性能和操纵特性在预期运行环境和使用限制下的安全性和物理完整性的一种...
1.3 Aircraft Nomenclature
1.3 Aircraft Nomenclature飞机术语Axes of an Airplane An airplane in flight is free to rotate about three axes: horizontal, longitudinal and vertical. Each axis is perpendicular to...
SOPM20-11-01印刷电路组件和元件板组件的修理
印刷电路组件和元件板组件的修理REPAIR OF PRINTED CIRCUIT ASSEMBLIES AND COMPONENT BOARD ASSEMBLIES 1. INTRODUCTION 介绍 A. The data in this subject comes from the Boeing Process ...
A320-52舱门【系统原理】
空客 319/320 -52 章 舱门 舱门 一般介绍 舱门结构概述 紧急出口(A318/A319/A320) 货舱门 其他舱门介绍 指示与警告 一般介绍 概述 舱门系统 ——旅客舱门 ——客舱应急舱门 ——货舱门 —...
341F SOLENOID THERMOSTAT
一、名称 SOLENOID THERMOSTAT 电磁恒温器 二、件号 341F010000,341F020000 三、章节号 36-11-10 四、适用机型 A319/A320 五、系统 36-PNEUMATIC 气源 六、安装位置 发动机吊架 七、部件...
SOPM20-10-09铜铍合金的机加工
铜铍合金的机加工MACHINING OF COPPER BERYLLIUM ALLOYS 1. INTRODUCTION 介绍 A. The data in this subject comes from Boeing Process Specification BAC5648. The airline has a copy of ...
SOPM20-10-07钛的机械加工
钛的机械加工MACHINING OF TITANIUM 1. INTRODUCTION 介绍 A. The data in this subject comes from Boeing Process Specification BAC5492, and Boeing Operators Handbook 6M59-553, 'Machini...
SOPM20-11-07表面安装设备的拆除和更换
表面安装设备的拆除和更换REMOVAL AND REPLACEMENT OF SURFACE MOUNTED DEVICES 1. INTRODUCTION 介绍 A. The data in this subject comes from Boeing process specification BAC5128 (which s...
Honeywell-INTRODUCTION介绍
介绍INTRODUCTION 1. How to Use This Manual 怎么使用手册 A. General 通用 (1) This publication gives maintenance instructions for the equipment shown on the Title page. 本出版物提供...























