ATA 36 气源系统 PNEUMATIC
目录
1.介绍
2.部件安装位置
3.功能描述
4.分配介绍
5.发动机引气
1)介绍
2)引气单向活门(5 级)
3)高压级调节器/活门
4)引气调节器 BAR 和压力调节及关断活门 PRSOV
5)450℉恒温器
6)490℉过热电门
7)引气控制电路功能描述
8)功能描述
6.引气预冷器系统
1)介绍
2)预冷器
3)预冷器控制活门
4)预冷器控制活门传感器 390℉
5)大翼防冰(WTAI)电磁活门
6)功能描述
7.总管系统
1)介绍
2)管道
3)管道隔热层
4)地面气源接头单向活门
5)引气隔离活门
6)引气隔离活门功能描述
8.APU 引气系统
1)介绍
2)APU 释压活门
3)双引气灯功能描述
9.指示
1)介绍
2)管道压力传感器
3)双管道压力指示器
4)功能描述
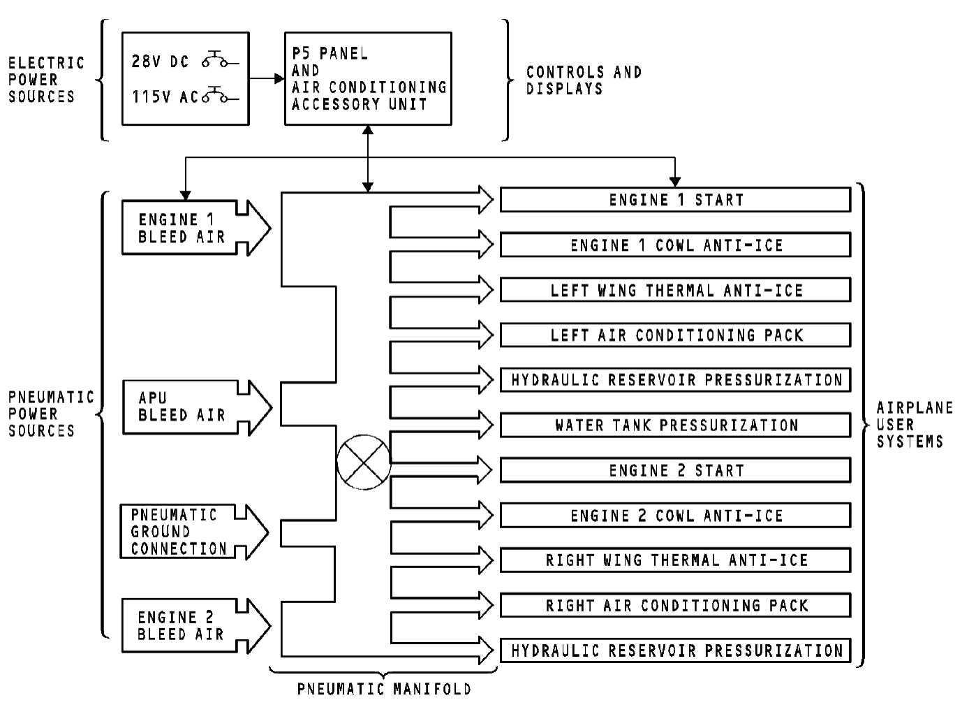
1.介绍
功用
气源系统给飞机各用户系统提供压缩空气。
一般描述
以下为各引气来源:
左发引气系统
右发引气系统
辅助动力装置(APU)引气系统
地面气源接头
气源总管汇集来自各气源的压缩空气并供往各用户系统。
总管上的各个活门有以下作用:
控制进入总管的引气流量
将总管隔离为左、右两边
控制进入各用户系统的总管空气流量
以下为使用气源动力的飞机各系统:
发动机起动系统
空调和增压系统
发动机进口整流罩防冰系统
大翼防冰系统
水箱增压系统
液压油箱增压系统
气源系统的控制和指示位于 P5-10 空调面板上,使用的是 28v 直流和 115v 交流电。
培训要点
气源系统内的空气为高温高压气体,开始在气源系统工作之前应确认气源系统已释压。
缩写
ACAU
空调附件盒
APU
辅助动力装置
BAR
引气调节器
BAV
引气活门
℃
摄氏度
℉
华氏度
PRSOV
压力调节及关断活门
![图片[1]-737NG-ATA 36 气源系统【系统原理】-航修札记](https://www.aeroacm.com/wp-content/uploads/2026/03/20260303214054815-word-image-11966-1.png)
2.部件安装位置
发动机引气
发动机引气系统部件位于发动机压气机机匣和发动机吊架上。
气源总管
气源总管(交输管道)位于以下区域:
发动机吊架内侧大翼前缘
交输管道位于空调舱前部
龙骨梁
APU 引气
APU 及 APU 引气系统部件位于 48 段扭力盒内。
APU 引气管道位于以下区域:
沿 APU 扭力盒右侧
穿过 48 段和后增压隔框
沿后货舱左侧和前壁板
龙骨梁处
控制和指示
气源系统的控制和指示位于驾驶舱空调/引气控制面板。
![图片[2]-737NG-ATA 36 气源系统【系统原理】-航修札记](https://www.aeroacm.com/wp-content/uploads/2026/03/20260303214055788-word-image-11966-2.png)
3.功能描述
概述
气源系统为飞机上各空气使用系统提供高温高压空气。
以下为各引气来源:
发动机引气
APU
地面气源
发动机引气
每台发动机各有一套引气系统。发动机引气系统控制引气的温度和压力。
发动机引气来自于高压压气机 5 级和 9 级。一个高压级调节器和高压级活门控制 9 级引气。5 级单向活门防止反流进入 5 级压气机。
一个引气调节器和压力调节及关断活门(PRSOV)控制进入气源总管的引气。
空调附件盒(ACAU)内有继电器,并在空调/引气控制面板上的电门和灯之间起中继作用。
发动机引气预冷器系统
预冷器系统控制发动机引气温度。预冷器控制活门、预冷器控制活门传感器和 WTAI 电磁活门控制进入预冷器的风扇空气流量。
APU 引气
APU 向气源总管提供引气。一个 APU 单向活门保护 APU 与发动机引气隔开。
气源总管
气源总管从各引气来源系统获得高压空气,然后供往各用户系统。气源总管有以下特点:
一个隔离活门将气源总管分隔为左、右两边
两个管道压力传感器(用于左、右总管压力指示)
一个地面气源接头并带有一个单向活门(用于外接气源)
多个分支管道和接口连接各用户系统活门
控制和指示
空调/引气控制面板上有控制电门和灯用于控制和监控气源系统。
双引气(DUAL BLEED)灯为琥珀色灯,该灯当APU 引气活门打开且满足以下条件时点亮:
左发引气电门置于 ON 位,或
右发引气电门置于 ON 位且隔离活门打开。
双管道压力指示器显示左、右气源总管内的压力。
隔离活门电门有以下三个位置:
CLOSE
隔离左、右气源总管
AUTO
如果任一组件电门或发动机引气电门置于 OFF 位时,隔离活门自动打开
OPEN
连通左、右气源系统跳开复位电门用于引气跳开故障后进行复位。
发动机引气电门有以下两个位置:
OFF 关闭 PRSOV
ON 打开 PRSOV
引气跳开(BLEED TRIP OFF)灯为琥珀色灯。
左、右气源总管各有一个引气跳开灯。该灯在气源系统有过压或过热状况时点亮。
APU 引气电门有以下两个位置:
OFF 关闭 APU 引气活门
ON 打开 APU 引气活门
![图片[3]-737NG-ATA 36 气源系统【系统原理】-航修札记](https://www.aeroacm.com/wp-content/uploads/2026/03/20260303214102491-word-image-11966-3.png)
4.分配介绍
功用
气源分配系统将压缩空气提供给各用户系统。
一般描述
分配系统有以下子系统:
发动机引气系统
APU 引气系统
地面气源接头
气源总管系统
发动机引气系统
总共有两套发动机引气系统,每台发动机一套。
发动机引气来自于高压压气机 5 级和 9 级。在发动机低转速状态时,引气来自于 9 级。在发动机高转速状态时,引气来自于 5 级。
APU 引气系统
APU 负载压气机可在地面和空中提供引气。
地面气源接头
地面气源接头用于连接地面气源车。地面气源车可以提供引气用于发动机起动和地面使用空调系统。
气源总管系统
气源总管系统从发动机、APU 或地面气源车获得引气。一个引气隔离活门将气源总管分隔为左、右两边,该活门正常为关闭状态。因此单个管道失效不会导致整个气源总管压力丧失。气源总管有两个管道压力传感器,一个在总管右边,另一个在左边,用于测量总管压力。压力指示在空调面板上。
右边的总管有一个地面气源接头。
气源总管上的活门控制进入各用户系统的空气流量,各用户系统控制这些活门的操作。
培训要点
向气源系统供气压力不要高于 60Psi。如果压力过高,可能会损坏设备并伤及人员。
![图片[4]-737NG-ATA 36 气源系统【系统原理】-航修札记](https://www.aeroacm.com/wp-content/uploads/2026/03/20260303214104120-word-image-11966-4.png)
5.发动机引气
1)介绍
功用
发动机引气分配系统将压力已调定的空气提供给气源总管。
一般描述
引气来自于发动机高压压气机 9 级和 5 级。在发动机低转速状态时,引气来自于 9 级。发动机低转速状态下 5 级引气无法满足气源系统需要。
发动机低转速状态下,高压级调节器和高压级活门控制发动机引气压力。
发动机低转速状态下,5 级单向活门可以防止反流。发动机高转速状态下,高压级活门关闭同时5 级单向活门打开向压力调节及关断活门提供引气。
空调/引气控制面板上的发动机引气电门控制压力调节及关断活门,并有BLEED TRIP OFF灯(引气跳开灯)来显示过压或过热状态。
引气调节器和压力调节及关断活门控制流向气源总管的发动机引气流量。引气调节器有过压电门用于防止出现过压状况并点亮 BLEED TRIP OFF 灯。
450℉(232℃)恒温器在引气温度达到 450℉(232℃)使压力调节及关断活门向关闭位作动。
空调附件盒(ACAU)在空调/引气控制面板和压力调节及关断活门之间起中继作用。
490℉(254℃)过热电门用于点亮 BLEED TRIP OFF 灯并关闭压力调节及关断活门,以防止过热对气源总管和用户系统造成损坏。
![图片[5]-737NG-ATA 36 气源系统【系统原理】-航修札记](https://www.aeroacm.com/wp-content/uploads/2026/03/20260303214109829-word-image-11966-5.png)
2)引气单向活门(5 级)
功用
5 级引气单向活门用于防止 9 级引气进入 5 级引气口。
物理描述
引气单向活门为分瓣式单向活门。
安装位置
引气单向活门是发动机引气总管的一部分,位于发动机高压压气机机匣左侧。
功能描述
引气单向活门允许气流按箭头方向流动,阻止气流反方向流动。两片半圆形的活门板用于控制气流流动。正常流动的气流使活门板打开,而反向流动的气流则使活门板闭合。
培训要点
安装引气单向活门时使其箭头指向远离 5 级引气口方向。
安装时应对准法兰卡箍并拧紧至规定力矩。如果未对准或卡箍过松,则可能与发动机部件或反推整流罩间发生干涉。
![图片[6]-737NG-ATA 36 气源系统【系统原理】-航修札记](https://www.aeroacm.com/wp-content/uploads/2026/03/20260303214110426-word-image-11966-6.png)
3)高压级调节器/活门
功用
高压级调节器控制高压级活门。
高压级活门控制来自 9 级发动机引气总管的引气。
物理描述
高压级调节器由以下部分组成:
供气压力口
下游感受口
控制压力口
反流机构
压力调节器机构
释压活门
气源关断机构
高压级活门为蝶型活门、弹簧加载于关闭位。该活门由以下部分组成:
气源作动器
活门本体,带有箭头指示气流方向
释压活门
人工超控及位置指示器
安装位置
高压级调节器位于发动机核心机 10 点钟位置。高压级活门位于发动机核心机 8 点钟位置。
操作
高压级调节器是自动工作的,没有任何操作控制。高压级活门也是自动工作的,但有一个人工超控手柄用于将活门锁定于关闭位。
培训要点
高压级调节器和高压级活门可用外部测试设备对其进行测试。
![图片[7]-737NG-ATA 36 气源系统【系统原理】-航修札记](https://www.aeroacm.com/wp-content/uploads/2026/03/20260303214110614-word-image-11966-7.png)
4)引气调节器 BAR 和压力调节及关断活门 PRSOV
功用
引气调节器(BAR)控制压力调节及关断活门工作。
PRSOV 控制来自发动机的引气流量,有以下控制功能:
关断发动机引气
对发动机引气进行压力调节(42Psi 名义值)
对发动机引气进行温度限制(450℉/232℃)
物理描述
BAR 由以下部分组成:
机械锁定的电磁活门
释压活门
220Psi 过压电门
供气口和控制空气管路
PRSOV 为蝶型活门、弹簧加载于关闭位。该活门由以下部分组成:
气源作动器
人工超控及位置指示器
控制空气口
下游感受口
安装位置
BAR 位于发动机核心机区域 11 点钟位置、就在风扇框架后面。
PRSOV 位于发动机核心机区域 10 点钟位置、预冷器下方。
操作
BAR 接受以下部件的信号进行电气控制:
发动机引气电门(通过 ACAU)
发动机火警电门
ACAU
正常工作时,当发动机引气电门置于 ON 位后,一个信号通过 ACAU 提供给 BAR 电磁活门指令活门打开;当发动机引气电门置于 OFF 位后,一个信号提供给 BAR 电磁活门指令活门关闭。
当火警手柄提起来后,一个信号直接到 BAR 电磁活门指令活门关闭。
ACAU 内的继电器控制 BAR 电磁活门在以下条件时关闭:
发动机起动活门未关闭(反流保护)
发动机引气跳开时(490℉/254℃过热或 220Psi过压保护)
PRSOV 由 BAR 气动控制。
培训要点
PRSOV 有一个人工超控兼位置指示手柄,可以用来人工将活门锁定在关闭位。
![图片[8]-737NG-ATA 36 气源系统【系统原理】-航修札记](https://www.aeroacm.com/wp-content/uploads/2026/03/20260303214111707-word-image-11966-8.png)
5)450℉恒温器
功用
450℉恒温器在发动机引气温度超过 450℉时切断 PRSOV 引气压力。
450℉恒温器为 PRSOV 提供温度控制功能。
物理描述
450℉恒温器由以下部分组成:
带有一个感受管路接口的球形活门组件
带有定位销的固定法兰
有防护板保护的传感器
安装位置
450℉恒温器安装于发动机引气管道上,通过吊架上的一个接近口盖接近。
功能描述
450℉恒温器根据流体的热膨胀原理工作。450℉恒温器内的传感器位于预冷器下游的引气管路上,内部为灌满油液的线圈。随着油液膨胀,它推动球形活门打开。管道温度越高,油液膨胀越大,球形活门开度也越大。450℉恒温器在 450 ℉(232℃)时开始打开,490℉(254℃)时全开。球形活门打开后,从 PRSOV 引走部分控制压力。
控制压力的下降导致 PRSOV 朝关闭位运动并减小了引气流量。引气流量的减小有以下作用:
使预冷器的热负载降低
延缓 490℉(254℃)引气过热跳开
管道压力降低
预冷器系统正常情况下将发动机引气温度控制在 390-440℉(199-227℃),450℉(232℃)恒温器则给 PRSOV 提供了过热保护功能。
培训要点
预冷器脏污或堵塞会导致 450℉(232℃)恒温器持续工作(并由此导致管道压力低),预冷器系统失效也会导致同样故障。
![图片[9]-737NG-ATA 36 气源系统【系统原理】-航修札记](https://www.aeroacm.com/wp-content/uploads/2026/03/20260303214112947-word-image-11966-9.png)
6)490℉过热电门
功用
490℉过热电门在出现过热时保护气源总管。
物理描述
490℉(254℃)过热电门由以下部分组成:
锁螺母
点插头
安装位置
490℉(254℃)过热电门安装于发动机吊架引气管道上、预冷器的下游。
功能描述
490℉(254℃)过热电门根据热膨胀原理工作。 随着传感器温度升高,热部件逐渐膨胀。当温度超过 490℉(254℃)时,内部部件的膨胀使电门闭合。电门冷却后,触点会脱开。
490℉(254℃)过热电门监控预冷器下游的发动机引气温度。正常情况下预冷器系统将发动机引气冷却至 390-440℉(199-227℃)。当温度达到 450℉(232℃)时,450℉(232℃)恒温器使发动机引气流量减少从而降低预冷器负载。如果预冷器下游温度超过 490℉(254℃),490℉(254℃)过热电门作动,给空调附件盒(ACAU)内的一个过热继电器提供接地,继电器激励后完成以下工作:
BAR 电磁活门关闭
空调/引气控制面板上的 BLEED TRIP OFF 灯点亮
P7 板 MASTER CAUTION 和 AIR CONT 告示牌灯点亮
保持电路通过空调面板 TRIP RESET 按压电门接通。
培训要点
更换电门时用新的电门封圈更换旧封圈。
安装电门前在电门固定螺纹上涂抹一薄层防咬剂。固定螺纹的拧紧力加上管道温度较高会使没有防咬剂保护的螺纹面与本体咬合在一起。
![图片[10]-737NG-ATA 36 气源系统【系统原理】-航修札记](https://www.aeroacm.com/wp-content/uploads/2026/03/20260303214112194-word-image-11966-10.png)
7)引气控制电路功能描述
概述
发动机引气控制和指示电路使用 28V 直流电。 发动机火警电门在控制电路中有超控功能。当手柄提起时(火警状态),控制信号使引气调节器电磁活门关闭。当手柄压下时(正常状态),发动机火警电门使空调/引气控制面板上的发动机BLEED 电门预位。
当发动机 BLEED 电门置于 OFF 位时,控制信号使引气调节器电磁活门关闭。当发动机 BLEED电门置于 ON 位时,控制信号经由空调附件盒(ACAU)内的未激励的继电器,使引气调节器电磁活门打开。
ACAU 内的继电器在以下状态时对引气系统进行保护:
发动机起动时
发动机引气管道过压
发动机引气过热
当发动机起动活门打开时,起动继电器激励。继电器激励后触点闭合给引气调节器电磁活门提供一个关闭信号。
当出现引气跳开故障时,过热继电器激励。以下情况会导致引气跳开:
220Psi 过压电门作动
490℉(254℃)过热电门作动过热继电器闭合后,完成以下操作:
引气控制信号使引气调节器电磁活门关闭
空调/引气控制面板上的 BLEED TRIP OFF 灯点亮
P7 板 MASTER CAUTION 和 AIR CONT 告示牌灯点亮
通过空调面板 TRIP RESET 按压电门的自保持电路接通。
发生引气跳开故障后,必须满足以下条件才能恢复对发动机引气系统的控制:
过压或过热电门必须恢复正常状态(即开路状态)
必须按压空调面板 TRIP RESET 电门(使自保持电路断开)
空调面板上的发动机 BLEED 电门内有多组触点,一组触点用于控制电磁活门电路,另一组用于给飞行管理计算机提供离散信号。
引气调节器电磁活门内的断开/闭合线圈为常任务线圈。电磁活门内有机械锁。失电后,电磁活门保持在上次通电时的指令位置。
![图片[11]-737NG-ATA 36 气源系统【系统原理】-航修札记](https://www.aeroacm.com/wp-content/uploads/2026/03/20260303214113368-word-image-11966-11.png)
8)功能描述
概述
发动机引气分配系统向引气总管提供温度、压力已调节好的空气。
功能描述
压力调节及关断活门(PRSOV)供往引气总管的发动机引气流量。
引气调节器(BAR)使用控制压力来控制 PRSOV工作。BAR 控制压力来源于发动机引气级间总管。BAR 接受 28V 直流电信号的控制,该信号来自空调附件盒(ACAU)。当 BAR 电磁活门电动打开后,BAR 提供控制压力使 PRSOV 克服弹簧力打开。当 BAR 电磁活门电动关闭后,其将PRSOV 的控制压力放掉一部分,因此弹簧力迫使 PRSOV 关闭。
ACAU 接受以下控制信号和传感器输入:
发动机火警电门
发动机引气电门
发动机起动活门
BAR 上的 220Psi 过压(OVPR)电门
490℉(254℃)过热电门(发动机吊架管路)
通常情况下,发动机引气电门控制 BAR 工作。
当电门在 ON 位时,提供一信号通过 ACAU 去打开 BAR 电磁活门;在 OFF 位时,提供一信号去关闭 BAR 电磁活门。
当发动机火警电门在正常位时(手柄压下),其使发动机 BLEED 电门预位。当发动机火警电门在火警位时(手柄提起),其提供一信号使 BAR电磁活门关闭,从而时 PRSOV 关闭,而不管此时引气电门的位置如何。
发动机起动过程中对发动机引气总管有反流保护。发动机起动时,起动活门向 ACAU 提供一信号,使 ACAU 提供一个关闭信号给 BAR 电磁活门,而不管此时引气电门的位置如何。
对于气源总管有过压和过热保护。220Psi 过压电门或 490℉(254℃)过热电门任一个电门作动都使引气跳开,并由 ACAU 提供信号去关闭 BAR电磁活门,而不管此时引气电门的位置如何。
5 级和 9 级引气
引气来自于发动机高压压气机 9 级和 5 级。发动机低转速状态下,5 级引气无法满足气源系统需要而由 9 级提供引气。发动机高转速状态下,高压级活门关闭同时由 5 级提供引气。高压级调节器控制高压级活门的工作,高压级活门的工作是自动进行的。
引气冷却功能描述
预冷器系统用于冷却发动机引气。预冷器系统是自动工作的。预冷器系统使发动机引气温度保持在 390℉(199℃)至 440℉(229℃)之间。预冷器为气流交叉流动式热交换器,使用发动机风扇空气来冷却发动机引气。
预冷器控制活门控制进入预冷器的风扇空气流量,其接收以下部件的信号进行控制:
预冷器控制活门传感器
大翼防冰(WTAI)电磁活门
如果预冷器下游的发动机引气温度高于 450℉(232℃)时,450℉恒温器将 PRSOV 部分控制压力放掉,从而使 PRSOV 朝关闭位运动,因此减小了引气流量。通过 PRSOV 的引气流量的减少有以下作用:
防止出现引气跳开情况
气源总管的压力得以降低
![图片[12]-737NG-ATA 36 气源系统【系统原理】-航修札记](https://www.aeroacm.com/wp-content/uploads/2026/03/20260303214114885-word-image-11966-12.png)
6.引气预冷器系统
1)介绍
功用
引气预冷器系统控制进入气源总管之前的发动机引气温度。
一般描述
每台发动机都有一套预冷器系统,两套预冷器系统是相同的。
一个预冷器控制活门控制进入预冷器的风扇空气流量。以下两个部件控制预冷器控制活门:
预冷器控制活门传感器
大翼防冰(WTAI)电磁活门
当 PRSOV 打开时,引气流过预冷器进入气源总管。引气流经预冷器时,风扇空气将其热量带走并作为风扇排气排掉。风扇排气流过发动机核心区域。
预冷器系统的工作是自动进行的。
关于 WTAI 电磁活门的更多信息可参考防冰和防雨章节(ATA 30)
![图片[13]-737NG-ATA 36 气源系统【系统原理】-航修札记](https://www.aeroacm.com/wp-content/uploads/2026/03/20260303214114604-word-image-11966-13.png)
2)预冷器
功用
预冷器对进入气源总管之前的发动机引气进行冷却。
物理描述
预冷器是以空气为介质的热交换器。
安装位置
预冷器位于高压压气机机匣顶部。
功能描述
预冷器提供很大的热交换表面使引气和风扇空气间能进行充分的热交换。
发动机引气流过预冷器时,将热量释放给预冷器的壁面。壁面是由散热片和鳍构成。流过壁面另一侧的发动机风扇空气则将热量带走。于是热量从引气传递给壁面再传递给风扇空气,最后风扇空气流过发动机机匣并由机匣排气口排到机外。
预冷器上有一个感受空气管路与 PRSOV 和高压级调节器相连。关于 PRSOV 和高压级调节器的更多信息可参考发动机引气章节(章节 36-11)。
培训要点
预冷器为保证高效的热交换内部为薄壁和薄的冷却鳍构成的狭窄气路,因此气路易发生堵塞或脏污而影响气流流动和热量的交换。保持预冷器清洁可以保证其高效工作。
![图片[14]-737NG-ATA 36 气源系统【系统原理】-航修札记](https://www.aeroacm.com/wp-content/uploads/2026/03/20260303214115347-word-image-11966-14.png)
3)预冷器控制活门
功用
预冷器控制活门控制进入预冷器的风扇气流。
物理描述
预冷器控制活门是弹簧加载于开位的蝶型活门,为气控气动活门。以下为其组成部分:
人工超控及位置指示器
通往预冷器控制活门传感器的感受管路
通往大翼防冰电磁活门的感受管路
供气管路(来自级间总管)
作动器
安装位置
预冷器控制活门位于发动机上部、预冷器前方。
培训要点
预冷器控制活门有一个人工超控及位置指示器手柄,可以用来确认活门被弹簧加载于开位。
![图片[15]-737NG-ATA 36 气源系统【系统原理】-航修札记](https://www.aeroacm.com/wp-content/uploads/2026/03/20260303214116658-word-image-11966-15.png)
4)预冷器控制活门传感器 390℉
功用
预冷器控制活门传感器 390℉(199℃)用于控制预冷器控制活门的运动。
物理描述
预冷器控制活门传感器为放气式的恒温器。
预冷器控制活门传感器 390℉(199℃)由以下部分组成:
球形活门组件
感受管路接口
带有定位销的固定法兰
有防护板保护的传感器
安装位置
传感器位于发动机吊架引气管路上,通过吊架上的一个接近口盖接近。
功能描述
预冷器控制活门传感器的工作是自动进行的。
传感器的下面部分位于预冷器下游的引气管路上,内部为灌有油液的线圈。随着油液受热膨胀,它推动传感器上面部分的一个球形活门打开。管道温度越高,油液膨胀越大,球形活门开度也越大。
传感器球形活门在 390℉(199℃)时开始打开,440℉(227℃)(名义值)时全开。
传感器球形活门打开后,放走了预冷器控制活门作动器的工作压力,因此预冷器控制活门由弹簧力驱使朝打开位运动。
预冷器控制活门传感器与 WTAI 电磁活门一起控制预冷器控制活门的工作。当 WTAI 电磁活门被激励后,其将预冷器控制活门的工作压力全部放掉,因此传感器对控制活门的操作无法构成影响。WTAI 确保在地面使用 WTAI 系统时,引气能得到最大限度的冷却。
关于 WTAI 电磁活门的更多信息可参考防冰防雨章节(章节 30-11)。
![图片[16]-737NG-ATA 36 气源系统【系统原理】-航修札记](https://www.aeroacm.com/wp-content/uploads/2026/03/20260303214117177-word-image-11966-16.png)
5)大翼防冰(WTAI)电磁活门
功用
大翼防冰(WTAI)电磁活门将预冷器控制活门的作动压力放掉。WTAI 电磁活门在地面使用大翼防冰系统时开始工作。
物理描述
WTAI 电磁活门由以下部分组成:
控制压力口
固定螺栓总成
点插头
安装位置
共有两个 WTAI 电磁活门,每套预冷器系统一个。该活门位于每台发动机的压气机上部。
概述
大翼防冰系统用于地面或空中防止在大翼前缘结冰。飞行过程中,大量气流流过翼面,这些气流对前缘有冷却作用。大翼防冰系统提供的热量足以克服这个冷却作用。
当在地面使用大翼防冰系统系统时,由于流过翼面的冷却气流非常小,因此大翼防冰系统提供的热量可能使大翼前缘过热而降低前缘装置的强度。地面操作时预冷器系统提供最大限度的冷却效果可以防止过热造成损伤。
功能描述
当在地面使用大翼防冰系统时,防冰面板使WTAI 电磁活门打开,放走预冷器控制活门的全部作动压力,因此使预冷器控制活门完全打开。
预冷器控制活门全开使发动机引气得到最大限度的冷却,从而防止大翼前缘因过热损坏。
关于 WTAI 电磁活门的更多信息可参考防冰防雨章节(章节 30-11)。
![图片[17]-737NG-ATA 36 气源系统【系统原理】-航修札记](https://www.aeroacm.com/wp-content/uploads/2026/03/20260303214117924-word-image-11966-17.png)
6)功能描述
功用
预冷器系统对进入气源总管的引气温度进行控制。
功能描述
预冷器控制活门从级间总管获得未经调节的空气,这部分气体进入作动器基准压力调节器和伺服器基准压力调节器。
作动器基准压力调节器将压力降低为一个压力恒定的控制压力,然后控制压力进入 A 腔和喷嘴。
伺服器基准压力调节器将压力降低为一个压力恒定的控制压力,然后控制压力进入伺服 B 腔、预冷器控制活门传感器和 WTAI 电磁活门。
A 腔的控制压力使预冷器控制活门打开和关闭。
压力增加时,预冷器控制活门向关闭方向运动;
压力降低时,预冷器控制活门向打开方向运动。
B 腔的控制压力使伺服器上的手柄运动。压力增加时,手柄使喷嘴关闭;压力降低时,手柄使喷嘴打开。
当预冷器控制活门传感器打开时或 WTAI 电磁活门打开时,B 腔的控制压力降低。
预冷器控制活门传感器当气源总管的温度达到390℉(199℃)时开始打开,达到 440℉(227℃)时全开,这就使 B 腔的控制压力降低。随着 B 腔的控制压力的降低,伺服器手柄使喷嘴打开。喷嘴打开后降低了 A 腔的控制压力,同时预冷器控制活门作动器的弹簧力使活门打开。随着预冷器控制活门的打开,一根反馈弹簧开始促使手柄关
闭喷嘴。这就防止了预冷器控制活门运动过快。
当飞机在地面且大翼防冰系打开时,WTAI 电磁活门打开。这就使 B 腔的所有压力丧失,并使手柄运动打开喷嘴。喷嘴打开后使 A 腔的所有压力丧失,因此作动器的弹簧力使预冷器控制活门全开。
![图片[18]-737NG-ATA 36 气源系统【系统原理】-航修札记](https://www.aeroacm.com/wp-content/uploads/2026/03/20260303214118708-word-image-11966-18.png)
7.总管系统
1)介绍
功用
气源总管有以下功用:
将来自各气源的压缩空气送往各用户系统
提供一个隔离活门将总管分隔为左、右两个独立的系统
提供一个接头接入地面气源
一般描述
气源总管由高强度、防腐、轻质管路构成。管路支撑有一定的弹性。
交输管路中段的一个隔离活门将气源总管分隔为左、右两部分。右边部分有以下特点:
右发引气系统
右发起动系统
地面气源接头单向活门
右空调系统
右大翼防冰系统
液压油箱增压接口
隔离活门
左边部分有以下特点:
左发引气系统
左发起动系统
APU 引气系统
左空调系统
左大翼防冰系统
液压油箱增压接口
水箱增压系统接口
隔离活门
安装位置
气源总管位于飞机上以下区域:
右发动机吊架
大翼前缘,沿着前梁
空调舱前部,中央翼盒下(交输管道)
空调舱之间的龙骨梁
气源总管的控制和指示在空调引气面板上。
![图片[19]-737NG-ATA 36 气源系统【系统原理】-航修札记](https://www.aeroacm.com/wp-content/uploads/2026/03/20260303214119301-word-image-11966-19.png)
2)管道
功用
气源总管提供来自气源系统的热的压缩空气。
物理描述
气源管道为薄壁结构。管道两端有法兰并用法兰卡箍安装。
管道均做得很短,这样便于热空气流过时管道因受热膨胀。
管道安装的弹力使管道能保持在结构固定上。
有些管道有金色涂层,这种涂层有以下功能:
保护管道不受碳氢化物污染(即氢脆)
降低热传递
有些管道外包裹隔热垫以降低热传递。
安装位置
气源管道位于飞机上以下区域:
气源总管
气源系统
培训要点
气源管道附近有过热探测元件,用于探测从气源管道泄露出的热气。探测元件触发后会点亮空调引气面板上的 WING-BODY OVERHEAT 灯。
注:管道泄露过热保护系统使用 115V 交流电,失电后该系统将无法工作。
更多信息可参考机翼机身过热探测系统章节(章节 26-18)。
有些管道的法兰卡箍周围有操纵钢索和其他机械或电气部件,因此须特别注意不要让卡箍与周围部件碰触。
警告:管道增压时不要拆卸卡箍,否则可能伤及人员或设备。
应保持管道清洁并防止被以下物质污染:
滑油
液压油
燃油
其他碳氢化物
![图片[20]-737NG-ATA 36 气源系统【系统原理】-航修札记](https://www.aeroacm.com/wp-content/uploads/2026/03/20260303214119983-word-image-11966-20.png)
3)管道隔热层
功用
气源管道隔热层可以降低管道向附近区域的热传递。
一般描述
以下为两种在飞机上用到的隔热层:
软隔热层
硬壳隔热层
软隔热层为一种软质的预先裁好的用保护层裹好的玻璃纤维片,安装时用紧固带扎紧固定。
硬壳隔热层为一种硬质的按管道外形预先成型的中空玻璃纤维材料制成的隔热层,通常做成两半,包裹到管道上后用卡箍带或紧固带固定。
安装位置
软隔热层用于后货舱区域的 APU 引气管道,位于后货舱侧壁板后。
硬壳隔热层用于龙骨梁上的气源管道。
功能描述
管道隔热层可以降低管道向附近区域的热传递,对管道邻近区域的结构、导线和部件等起到保护作用。
![图片[21]-737NG-ATA 36 气源系统【系统原理】-航修札记](https://www.aeroacm.com/wp-content/uploads/2026/03/20260303214120876-word-image-11966-21.png)
4)地面气源接头单向活门
功用
地面气源接头单向活门用于向气源总管接入外部压缩空气源,允许气流单向流入总管。
一般描述
单向活门为弹簧加载于关闭位的分瓣式活门,并有一个快卸式螺纹接头。
地面气源接头单向活门由以下部分组成:
3 英寸长的快卸接头
内部单向活门
安装位置
地面气源接头单向活门位于气源总管交输管道右侧,通过右空调舱门前部靠外侧角上的一个小接近盖板接近。
功能描述
当使用外部气源向气源总管总管供气时,气流压力克服弹簧力将单向活门打开。当没有外部气源时,单向活门弹簧力和总管内气流压力使单向活门关闭,防止总管气流泄露。
培训要点
地面气源接头直接连接气源总管,并不提供温度或压力调节功能。因此外部气源必须将温度和压力控制在接头盖板标牌所要求的限制值以内:
最大温度 450℉(232℃)
最大压力 60Psi
开始使用外部气源供气之前,必须满足以下条件:
电瓶电源接通
空调组件电门关闭
这样可以确保组件活门关闭。
注意:气源系统工作期间,应注意监控驾驶舱机翼机身过热警告系统。
机翼机身过热系统或空调系统工作必须要有115V 交流电。
![图片[22]-737NG-ATA 36 气源系统【系统原理】-航修札记](https://www.aeroacm.com/wp-content/uploads/2026/03/20260303214121544-word-image-11966-22.png)
5)引气隔离活门
功用
引气隔离活门有以下功能:
将气源总管隔离为左、右两边
交输引气时将气源总管左、右两边连通
物理描述
隔离活门为 115V 单相电马达操作的蝶型活门,由活门本体和一个作动器组件组成。作动器组件由以下部分组成:
一个电马达和驱动组件
一个人工超控兼位置指示器手柄
安装位置
引气隔离活门是交输管道的一部分,位于龙骨梁空调舱前部。
功能描述
引气隔离活门为蝶型关断活门,由一个 115V 单相电马达操作,它可以反向运动。
活门上的一个人工超控手柄用于人工设置活门位置,该手柄也是一个位置指示器,手柄前部的法兰上刻有 OPEN 和 CLOSED 标志。
指示
通过活门上的一个位置指示器手柄可以看出活门当前位置。
工作控制
空调引气控制面板上的一个三位开关电门用于控制引气隔离活门。以下为电门几个位置:
OPEN-活门打开,气源总管左、右两边连通
AUTO-根据飞机工作需要自动控制活门打开和关闭
CLOSED-活门关闭,气源总管左、右两边隔离
![图片[23]-737NG-ATA 36 气源系统【系统原理】-航修札记](https://www.aeroacm.com/wp-content/uploads/2026/03/20260303214121498-word-image-11966-23.png)
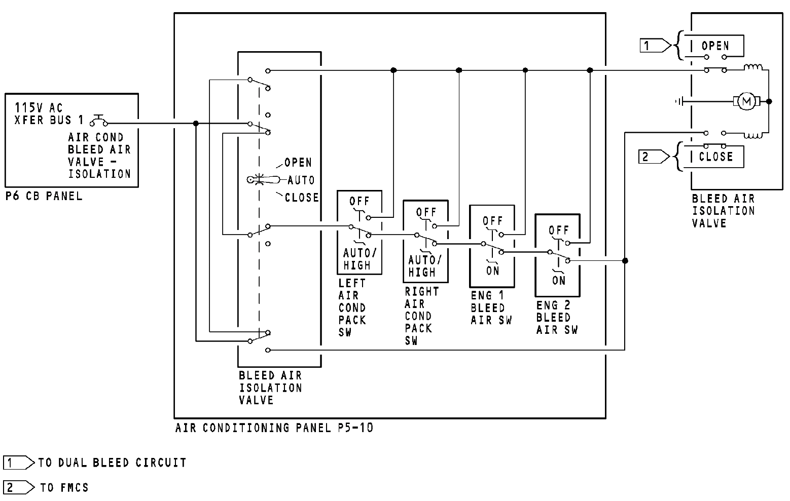
6)引气隔离活门功能描述
功用
引气隔离活门处于交输管道中间用于隔离左、右气源系统或需要时连通左、右系统。
功能描述
空调引气控制面板上的一个三位开关电门用于控制活门马达操作和活门位置。
当引气隔离活门电门置于 AUTO 位时,隔离活门受以下空调面板电门的控制:
R PACK 电门
L PACK 电门
ENG 1 BLEED 电门
ENG 2 BLEED 电门
当隔离活门电门置于 AUTO 位时,以上电门提供隔离活门位置的控制信号。
当这些开关电门都置于 AUTO、HIGH 或 ON 位时,隔离活门关闭。
图示控制电路为典型巡航状态时的情况。引气隔离活门将始终保持关闭,这种构型使气源总管隔离为左右两边,可以防止一边的管道出现故障时导致整个总管压力的丧失。
当组件电门或发动机引气电门中任一个置于OFF 位时,隔离活门打开。
出现引气跳开时,相关的组件或引气活门关闭,但空调面板上相应控制电门的位置不会改变。控制电路使用的是电门位置的信号,而不是活门位置信号。
![图片[24]-737NG-ATA 36 气源系统【系统原理】-航修札记](https://www.aeroacm.com/wp-content/uploads/2026/03/20260303214122378-word-image-11966-24.png)
8.APU 引气系统
1)介绍
功用
APU 引气系统可以在以下状态向气源总管供气:
在地面
在空中(17000 英尺以下)
APU 可向以下系统提供引气:
发动机起动系统
ECS 系统
安装位置
APU 及其引气活门位于 APU 舱。
空调/引气控制面板位于驾驶舱。
APU 引气管道位于以下区域:
APU 舱
48 段安定面舱
后货舱左侧和前隔板后
龙骨梁处
APU 单向活门位于龙骨梁上、两个空调舱前部中间。
一般描述
APU 向气源总管供气。APU 引气管道连接 APU引气活门和气源总管。
APU 引气管道上有一个单向活门,可以保护 APU不受发动机引气影响。
关于 APU 引气压力控制的更多信息可参考 APU章节(章节 49-50)。
![图片[25]-737NG-ATA 36 气源系统【系统原理】-航修札记](https://www.aeroacm.com/wp-content/uploads/2026/03/20260303214123907-word-image-11966-25.png)
2)APU 释压活门
功用
APU 释压活门保护气源管道不至压力过高。当APU 引气系统的压力调节功能失效时,可能出现压力过高,这样会破坏管道。
物理描述
APU 释压活门由以下部分组成:
活门本体
帽盖
锁螺帽
释压放气口
安装位置
APU 释压活门安装于 APU 引气管道上,位于 48段安定面舱栈桥下。
功能描述
APU 释压活门为弹簧加载空气作动的释压装置。
在压力小于 75Psi 时,弹簧使提升阀保持关闭。
当压力超过 75Psi 时,管道压力将提升阀顶开从而打开释压活门,将管道压力释放一部分。
当压力降低至 65Psi 以下时,弹簧力使提升阀归位从而使活门关闭。
培训要点
安装新的 APU 释压活门时,应报废旧的活门封圈,更换新封圈。
安装新的 APU 释压活门前,应在活门固定螺纹上涂抹一薄层防咬剂。固定螺纹的拧紧力加上管道温度较高会使没有防咬剂保护的螺纹面与本体咬合在一起。
安装活门时,应使用活门本体上的扳手凸台拧紧,而不要在锁螺帽或帽盖上加力拧紧,这样会影响活门弹簧的预紧力。
![图片[26]-737NG-ATA 36 气源系统【系统原理】-航修札记](https://www.aeroacm.com/wp-content/uploads/2026/03/20260303214123933-word-image-11966-26.png)
3)双引气灯功能描述
功用
DUAL BLEED 灯有以下作用:
提示机组存在一台或两台发动机和 APU 同时向气源总管供气的状况。
提示机组在 DUAL BLEED 灯亮时将反推手柄置于慢车位。
功能描述
DUAL BLEED 灯指示电路使用 28V 直流电。
只要汇流条有电,就有电供往双引气灯。当灯指示逻辑提供接地后,该灯点亮。该电路有两条接地路径,都依赖于电门和活门位置信号。
DUAL BLEED 灯在出现以下条件之一时点亮:
左发 BLEED 电门置于 ON 位且 APU 引气活门打开
右发 BLEED 电门置于 ON 位且隔离活门打开且 APU 引气活门打开。
DUAL BLEED 灯可用于确认 APU 引气活门在关闭位。当 APU 引气活门打开且左发 BLEED 电门置于 ON 位时,DUAL BLEED 灯点亮表明 APU引气活门不在关闭位。当 APU BLEED 电门置于OFF 位且左发 BLEED 电门置于 ON 位时,DUAL BLEED 灯在 APU 引气活门关闭后熄灭。
![图片[27]-737NG-ATA 36 气源系统【系统原理】-航修札记](https://www.aeroacm.com/wp-content/uploads/2026/03/20260303214124934-word-image-11966-27.png)
9.指示
1)介绍
功用
指示系统向机组提供气源系统状态的指示,可以提供以下信息:
右和左气源总管压力
DUAL BLEED 灯指示
一般描述
气源系统指示位于空调/引气控制面板上。
一个双针(右和左)压力指示器可以显示气源总管右边和左边的压力。
当气源总管有来自 APU 和一台或两台发动机引气系统同时供气时,一个 DUAL BLEED 灯会点亮。
![图片[28]-737NG-ATA 36 气源系统【系统原理】-航修札记](https://www.aeroacm.com/wp-content/uploads/2026/03/20260303214124515-word-image-11966-28.png)
2)管道压力传感器
功用
管道压力传感器向 P5-10 空调面板压力指示器提供气源压力信号。
安装位置
共有两个管道压力传感器,气源总管每边(左、右)各一个。
管道压力传感器位于空调舱前壁板,靠近气源交输管道。
物理描述
管道压力传感器一端有一个气源感受口,另一端有一个电插头。
![图片[29]-737NG-ATA 36 气源系统【系统原理】-航修札记](https://www.aeroacm.com/wp-content/uploads/2026/03/20260303214125865-word-image-11966-29.png)
3)双管道压力指示器
功用
气源管道压力指示器提供以下指示:
左气源管道压力
右气源管道压力
安装位置
气源管道压力指示器位于空调/引气控制面板上。
物理描述
压力指示器有两个独立的指针(L 和 R)及一个单独的表(0 至 80Psi)。内部自带的灯泡提供指示器的照明。指示器有一个单独的电插头。
培训要点
压力指示器内部自带控制电路,为静电敏感元件。
![图片[30]-737NG-ATA 36 气源系统【系统原理】-航修札记](https://www.aeroacm.com/wp-content/uploads/2026/03/20260303214126446-word-image-11966-30.png)
4)功能描述
功用
压力指示器提供气源总管压力的指示。
功能描述
管道压力传感器使用 28V 直流电将气源压力信号提供给空调面板的气源管道压力指示器。
![图片[31]-737NG-ATA 36 气源系统【系统原理】-航修札记](https://www.aeroacm.com/wp-content/uploads/2026/03/20260303214127351-word-image-11966-31.png)










暂无评论内容