1)介绍
目的
设备冷却系统带走驾驶舱和设备舱中电子设备产生的热量。
综述
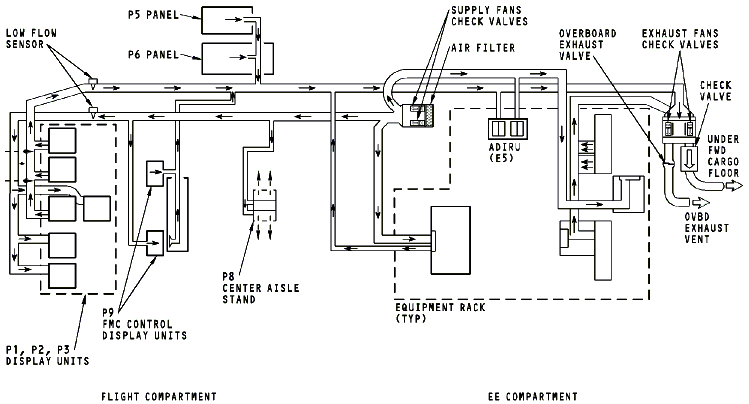
系统用座舱中的空气来散热。风扇驱动空气在管道中流动。
缩写
· ADIRU 大气数据惯性基准组件
· CDS 通用显示系统
· CLG 冷却
· F/C 驾驶舱
· OEV 机外排气活门
![图片[1]-737NG-ATA21 空调系统【系统原理】-航修札记](https://www.aeroacm.com/wp-content/uploads/2026/04/20260411235925713-word-image-12631-21.png)
2)一般描述
综述
设备冷却系统通过以下两套系统带走设备产生的热量:
· 供气系统(强制供气)
· 排气系统(强制抽气)
供气和排气系统使用风扇让空气流动。每个系统都有一个正常风扇和一个备用风扇。
供气和排气风扇让空气在管路中流动。管路连接着电子和电气设备的管罩。低流量探测器监控着管路中冷却气流。
供气
供气风扇强制空气向以下部件供气:
· P1 和 P2 板(显示组件)
· P9 板(FMC 控制显示组件)
· P8 板(中央操纵台)
· EE 舱中设备架
排气
排气风扇从下列部件中抽吸空气:
· P5 板(控制和指示面板)
· EE 舱中设备架
机外排气活门在地面时可以让排气排出机外。在空中,排气可以对前货舱加热。在空中并且机外排气活门打开时,单向活门可以防止货舱空气反向流出机外。
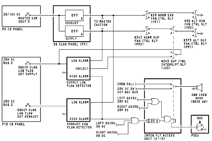
低流量探测器
供气和排气系统使用低流量探测器来监控系统中冷却气流量。出现低流量时,探测器会向驾驶舱提供警告。
![图片[2]-737NG-ATA21 空调系统【系统原理】-航修札记](https://www.aeroacm.com/wp-content/uploads/2026/04/20260411235925394-word-image-12631-22.png)
3)部件位置
综述
设备冷却系统分为以下两部分:
· 供气
· 排气
供气
供气管道沿着右部侧壁向前伸展。然后分开分别通向 EE 舱设备架和驾驶舱的面板。
EE 舱右侧壁部分包括以下部件:
· 正常和备用风扇
· 单向活门
· 气滤
排气
EE 舱后下部装有以下部件:
· 正常和备用排气风扇
· 单向活门
· 机外排气活门
机外排气活门位于 EE 舱中央后部区域地板下部的结构中。
低流量探测器
供气和排气低流量探测器位于设备舱前部。它们在前轮舱前面。可以通过前设备舱门接近。
![图片[3]-737NG-ATA21 空调系统【系统原理】-航修札记](https://www.aeroacm.com/wp-content/uploads/2026/04/20260411235925789-word-image-12631-23.png)
4)操作
综述
设备冷却系统的控制和指示位于 P5 板的设备冷却面板处。
操作
设备冷却面板上有一供气电门和一排气电门。每个电门有以下两个位置:
· NORM(正常)
· ALTN(备用)
可以将电门放在其中一个位置来作动正常或者备用风扇。
指示
设备冷却系统设有低流量传感器,在冷却气流不足时,可以提供警告,在地面,机组呼叫喇叭会警告。应该切断飞机电源,以防止过热的情况。
有以下警告:
· P5 板处有琥珀色 OFF 灯
· 主警告灯和 OVERHEAD 警告牌灯
![图片[4]-737NG-ATA21 空调系统【系统原理】-航修札记](https://www.aeroacm.com/wp-content/uploads/2026/04/20260411235926518-word-image-12631-24.png)
5)气滤
目的
气滤将空气中的颗粒在进入设备冷却系统之前过滤掉。这样就防止电子电气设备被弄脏。
部位
气滤在 EE 舱右侧壁。在供气风扇的上游。可以通过前货舱前部右侧壁板接近。
物理描述
气滤是滤芯式的,装在气滤支撑内部。
培训信息要点
如果气滤堵塞,会引起系统低流量。需要按照一定的维修间隔来更换气滤。可以通过解开气滤支撑罩上的扣子来更换气滤。
![图片[5]-737NG-ATA21 空调系统【系统原理】-航修札记](https://www.aeroacm.com/wp-content/uploads/2026/04/20260411235926953-word-image-12631-25.png)
6)供气和排气风扇
目的
供气和排气风扇迫使空气在电气设备周围循环带走热量。
综述
供气和排气系统都有两套风扇。每个系统同时只有一个风扇工作。
部位
供气风扇和单向活门位于 EE 舱。可以进入 EE舱来更换供气风扇。
排气风扇和单向活门位于 EE 舱的后下部。可以通过设备舱中抬高的接近板来接近风扇。
物理描述
风扇是单极一体感应马达。每个都有单向活门,并且作为一个整体被安装。风扇上设有热电门来防止过热损坏。
培训信息要点
供气和派气风扇使用 V 型卡箍安装。风扇上箭头标示着气流的方向。供气和派气风扇是可以互换的。
![图片[6]-737NG-ATA21 空调系统【系统原理】-航修札记](https://www.aeroacm.com/wp-content/uploads/2026/04/20260411235926600-word-image-12631-26.png)
7)低流量探测器
目的
低流量探测器监控设备冷却的气流。当气流量不足的时候,探测器会提供指示
位置
低流量探测器位于前设备舱,供气和派气的管道上。可以通过前设备舱门接近。
功能描述
低流量探测器是一种发热型风力计。它监控设备冷却气流的流量和温度。当冷却气流低于范围时,传感器提供警告。
低流量探测器有内部自检的功能。得电后,探测器和警告电路会进行测试。如果探测器没有通过测试,警告电路就会点亮 MASTER CAUTION 和EQUIP COOLING OFF 灯。
界面
低流量探测器将警告信号送往以下部件,以提供指示:
· 飞行记录/马赫空速组件
· 设备冷却面板
· ADIRS(大气数据采集)
![图片[7]-737NG-ATA21 空调系统【系统原理】-航修札记](https://www.aeroacm.com/wp-content/uploads/2026/04/20260411235926999-word-image-12631-27.png)
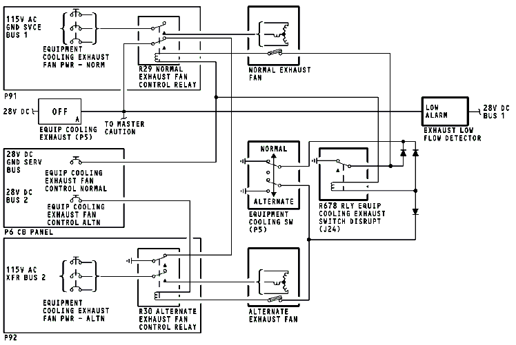
8)供气风扇
综述
供气风扇向 EE 舱和驾驶舱内设备提供冷却空气。
有两个供气风扇,正常风扇和备用风扇。系统有电时,有一个风扇是设定在工作状态的。
正常供气风扇运转
以下条件满足时,正常供气风扇工作:
· 正常供气风扇过热电门闭和(不存在过热状态)
· 供气系统控制中断继电器 R645 在正常位置(非激励状态)
· 设备冷却供气电门位于正常位。
正常供气风扇控制继电器 R347 激励后,提供115VAC3 项电给风扇。
备用供气风扇运转
备用供气风扇工作条件是,设备冷却供气电门位于 ALTERNATE 位,其他逻辑和正常风扇相同。
风扇失效/低流量
如果一个风扇不工作,供气低流量探测器警告。
系统 OFF 灯和主警告灯会点亮。
除烟/中断
当除烟控制继电器 R648 激励时,它提供 28VDC激励中断继电器 R645。
供气系统中断继电器 R645 激励后,切断正常个备用风扇的电源。供气低流量探测器得到抑制信号。防止 OFF 灯和主警告灯点亮。
中断继电器经过 5 分钟延时后,自动切断。
![图片[8]-737NG-ATA21 空调系统【系统原理】-航修札记](https://www.aeroacm.com/wp-content/uploads/2026/04/20260411235927999-word-image-12631-28.png)
9)排气风扇
综述
排气风扇将空气从设备舱和驾驶舱中抽吸出来。共有两个排气风扇,正常和备用。系统有电时,一个风扇被设定工作。
正常排气风扇运转
当以下条件满足时,正常备用风扇工作:
· 正常排气风扇内的过热电门闭合(不存在过热现象)
· 设备冷却排气电门位于正常位。
正常排气风扇继电器 R29 激励时,给风扇提供115VAC 三相电。
备用排气风扇运转
当设备冷却排气电门位于 ALTERNATE 位,其他逻辑同正常风扇,则备用排气风扇工作。
风扇失效/低流量
如果风扇失效,排气低流量探测器警告。系统OFF 灯和主警告灯会点亮。
![图片[9]-737NG-ATA21 空调系统【系统原理】-航修札记](https://www.aeroacm.com/wp-content/uploads/2026/04/20260411235927865-word-image-12631-29.png)
10)低流量探测器
综述
低流量探测器监控设备冷却空气的气量和温度。
当气流不在极限之内时,探测器给出警告信号。
功能描述
低流量探测器有内部自检的功能。得电后,探测器和警告电路会进行测试。下面是探测器失效的指示:
· 设备冷却 OFF 琥珀色灯
· 主警告灯和 OVERHEAD 警告牌灯
供气和排气低流量探测器提供低流量警告信号。
当冷却气流不在极限之内,信号就会触发警告。
供气控制中断继电器(R645)会给出低流量抑制信号。这种情况发生在设备冷却系统处在除烟模式。
当飞机在地面,并且满足以下条件,地面呼叫喇叭就会响:
· 高级警告或者 ADIRU 有 ON DC 信号 20 秒以上
· 左或者右 ADIRU 电门在 ALIGN 或 NAV 位置排气系统没有抑制模式和除烟模式。
培训信息要点
设备冷却系统使用客舱空气。客舱空气中会含有焦油、尼古丁、灰尘和其他颗粒。为了系统正常工作,定期清洁系统和探测器和有必要。
![图片[10]-737NG-ATA21 空调系统【系统原理】-航修札记](https://www.aeroacm.com/wp-content/uploads/2026/04/20260411235927103-word-image-12631-30.png)
11)机外排气活门
目的
机外排气活门有两个功能。它可以控制排出机外的设备冷却空气气量,还可以工作在除烟模式。
位置
机外排气活门位于 EE 舱的后中部。在设备舱门后部的平台下部。
物理描述
四英寸直径的机外排气活门有以下部分:
· 活门本体
· 机电旋转电作动器(包括电马达,齿轮)
· 位置指示器(NORMAL 位/除烟位)
· 活门片
· 阻尼支撑(充有硅油)
通过 V 型卡箍安装在机外排气管道上。
机械功能描述
机外排气活门是气动控制的关断活门。一个28VDC 电作动器可以超控气动控制。作动器有两个位置,NORMAL 位和 SMOKE 位。
当作动器在 NORMAL 位时,活门可以从全开到全关。当作动器在 SMOKE 位时,活门只能从全开到部分开(54 度)。
弹簧力保持活门开。当飞机增压时,通过活门的气流增加。当气流量达到 30 磅/分,活门关闭。
当活门关闭后,1PSI 的压差保持活门关闭。
当活门打开时,设备冷却气流流出机外,当活门关闭时,气流有货舱地板向后流动,对货舱加温。
阻尼器限制了活门的开关速度。
培训信息要点
要接近机外排气活门,需要拆下机组氧气瓶。拆机组氧气瓶需要遵循相关注意事项,可以参阅氧气章节。
注意:确认飞机已经断电。在飞机有电的时候,如果设备冷却系统不工作,电气/电子系统部件就会很热。可能会损坏设备。
当你做机外排气活门的测试的时候,你需要遵守告示。
警告:遵照规定的程序将飞机设定在空中模式。否则就会损伤人员和设备。
警告:当有人在增压区域工作时,确认你遵守了正确的增压和释压程序。引起疼痛的压力是不允许的。如果没有遵守警告,可能会对人造成伤害。
![图片[11]-737NG-ATA21 空调系统【系统原理】-航修札记](https://www.aeroacm.com/wp-content/uploads/2026/04/20260411235927717-word-image-12631-31.png)
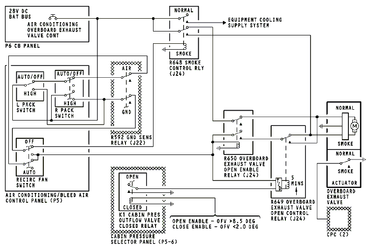
12)OEV 电路功能描述
综述
当飞机在地面,地面感觉继电器 R592 被激励,烟雾控制继电器 R648 则没有激励。电流通过R648、R650 去激励活门作动器到正常位置。当活门作动器在正常位置时,活门的位置由气流控制。(活门在飞机增压前保持在开位)当飞机在地面,地面感觉继电器 R592 没有激励,在增压的飞行中,机外排气活门正常位置是关闭。电门的位置作用于活门的位置。一个 28VDC的电磁机械旋转作动器在飞行中打开来增加流量或者除烟。
机外排气活门有三种工作模式。如下:
· 正常
· 高流量
· 除烟
正常模式
以下是正常模式的电门位置:
· 左和右组件电门-自动/关断
· 再循环风扇电门-自动
当电门在正常位置时,R650 没有激励。电流通过R648 和 R650 激励活门作动器到正常位置。
高流量模式
高流量模式增加座舱气流量。此时活门在开位。
以下是高流量模式下的电门位置:
· 左或右组件电门-高
· 再循环风扇电门-自动
当电门在高流量位置时,R650 是激励的,电流到延时继电器 R649。K1 控制 R649。座舱增压系统
送一个开/关允许信号到 K1。
当有一个开允许信号时,R649 没有激励,电流作动作动器到除烟(开)的位置。
除烟模式
除烟模式下,活门打开排出 EE 舱和驾驶舱中的烟雾。
以下是除烟模式下电门的位置:
· 左或右组件电门-高流量
· 再循环风扇电门-OFF。
当电门在除烟模式下,R648 激励。电流由 R648激励活门作动器到除烟(开)位置。
开/关允许信号
座舱增压系统提供一开/关允许信号。开允许信号使活门在除烟(开)位置。关允许信号使活门在正常位置。
当活门在开度大于 8.5 时有开允许信号,活门关到小于 2 度时,信号消失。
活门开度小于 2 度时有关允许信号。它激励 K1。
然后 R649 激励。K1 释放后 5 分钟,R649 释放。
5 分钟的延时可以让座舱压力平稳。
![图片[12]-737NG-ATA21 空调系统【系统原理】-航修札记](https://www.aeroacm.com/wp-content/uploads/2026/04/20260411235928788-word-image-12631-32.png)













暂无评论内容