1)介绍
目的
温度控制系统控制客舱和驾驶舱中的温度。
缩写
auto 自动
CTC 座舱温度控制器
temp 温度
ACAU 空调附件盒
cont 控制
pass 旅客
ref 参考
ovht 过热
disch 排出
CB 跳开关
air cond 空调
![图片[1]-737NG-ATA21 空调系统【系统原理】-航修札记](https://www.aeroacm.com/wp-content/uploads/2026/04/20260411235943297-word-image-12631-98.png)
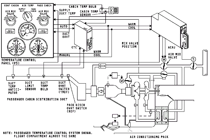
2)一般介绍
综述
温度控制系统在下列面板上有控制和指示:
· 空调/引气面板
· 温度控制面板
当组件工作时温度控制系统可以工作。当气源系统有引气的时候组件可以工作。
空调附件盒(ACAU)监控气源和空调系统的操作逻辑。当空气系统可以使用时,它允许温度控制系统工作。
座舱温度控制器(CTC)接受温度控制面板的信号。温度传感器感受驾驶舱和客舱的温度数据。
CTC 通过 ACAU 送出控制和操作信号来进行自动温度控制。
温度控制信号到达混合活门。控制活门控制组件中的气流量,和送往组件下游的热空气量。
温度控制系统在供气管道上有过热电门。过热电门可以给出指示,并且在温度超出范围的时候停止组件工作。
客舱和管道上的温度探头监控并且将温度信号送往座舱温度控制面板。温度控制面板显示空气温度和混合活门的位置。
![图片[2]-737NG-ATA21 空调系统【系统原理】-航修札记](https://www.aeroacm.com/wp-content/uploads/2026/04/20260411235944819-word-image-12631-99.png)
3)操作
综述
温度控制系统的控制和指示都在温度控制面板上。
控制
驾驶舱的温度选择电门在左侧(CONT CABIN)。
客舱的温度选择电门在右侧(PASS CABIN)。有一个 AIR TEMP 选择电门在中间。
温度选择电门是弹簧加载在 OFF 位的。电门有一个 MANUAL COOL 位和一个 MANUAL WARM 位。这些位置都是瞬时位置。人工操作时,需要将电门保持在这些位置。
空气温度由客舱和客舱供气管道上的温度探头感受。选择电门(AIR TEMP)可以允许选择哪个探头处的温度来显示。
指示
左和右组件各有一个混合活门位置指示器。可以显示气流中热气和冷气的比例。
温度指示器(TEMP)显示客舱或者供气管道中的温度。
DUCT OVERHEAT 灯在管道温度过热的时候提供指示。驾驶舱和客舱供气管道各有一个 DUCT OVERHEAT 灯。
![图片[3]-737NG-ATA21 空调系统【系统原理】-航修札记](https://www.aeroacm.com/wp-content/uploads/2026/04/20260411235944727-word-image-12631-100.png)
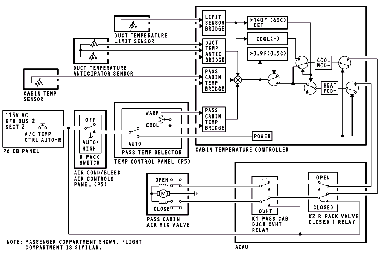
4)功能描述(机械)
控制
驾驶舱(CONT CABIN)和客舱(PASS CABIN)的温度控制和指示在温度控制面板上。
当组件活门打开并且没有过热的情况,温度控制系统才能工作。空调附件盒(ACAU)允许或者抑制组件工作和温度控制系统。
正常操作
温度控制系统有两种工作方式,自动和人工。在自动方式,冷或者暖信号从选择电门送到温度控制器(CTC)。CTC 将选择电门的输入与下列传感器的输入相比较:
· 管道预感器
· 管道极限传感器
· 座舱温度传感器
CTC 监控传感器输入。它计算所需的空气温度。
将信号送往混合活门,信号通过 ACAU 中的继电器。混合活门调节冷热气流量,来得到需要的温度。CTC 连续的监控座舱和分配管道中的温度。
当需要时进行调节。
在人工模式下,温度选择电门送一个冷或者暖的信号到 ACAU,ACAU 将信号送到混合活门来设置活门的位置。在这种模式下,必须监控温度指示器来调节混合活门的位置。
指示
混合活门位置指示器由混合活门位置传感器接受信号。活门位置显示冷热空气的比例。
温度电门选择在 PASS CABIN 时,显示客舱的温度。客舱温度传感器给出温度信号。当电门选择在 SUPPLY DUCT 时,显示管道温度。
如果分配管道温度大于 190F(88C)时,管道过热电门送信号到 ACAU。ACAU 点亮温度控制面板上的 DUCT OVHT 灯,同时送信号将混合活门作动到冷位。
![图片[4]-737NG-ATA21 空调系统【系统原理】-航修札记](https://www.aeroacm.com/wp-content/uploads/2026/04/20260411235944756-word-image-12631-101.png)
5)座舱温度传感器组件
目的
座舱温度传感器组件在座舱温度传感器和探头上有一个空气滤。座舱温度传感器向座舱温度控制盒提供温度信号。
位置
驾驶舱温度传感器组件在驾驶舱天花板上。
客舱温度传感器组件在客舱右前部。前面第四个窗户的旅客服务组件的牛鼻组件中。
物理描述
下列是座舱温度传感器组件的部件:
· 温度传感器
· 进口格栅
· 气滤
· 传感器风扇
功能描述
风扇抽吸座舱中的空气通过格栅和气滤。温度传感器将温度信号送往座舱温度控制器(CTC)。
CTC 将这个温度与选定的温度相比较。
培训信息要点
需要定期清洁座舱温度传感器的气滤。
![图片[5]-737NG-ATA21 空调系统【系统原理】-航修札记](https://www.aeroacm.com/wp-content/uploads/2026/04/20260411235944992-word-image-12631-102.png)
6)座舱温度传感器风扇功能描述
功能描述
当有 115VAC 并且左组件电门在 AUTO 或者HIGH 位的时候驾驶舱温度传感器风扇就会工作。
当有 115VAC 的时候客舱温度传感器风扇就会工作。
![图片[6]-737NG-ATA21 空调系统【系统原理】-航修札记](https://www.aeroacm.com/wp-content/uploads/2026/04/20260411235944558-word-image-12631-103.png)
7)管道温度预感器
目的
管道温度预感器向座舱温度控制盒(CTC)提供温度变化速率。
位置
驾驶舱温度预感器在驾驶舱分配供气管道上。供气管道在 EE 舱。
客舱温度预感器在客舱顶部分配管道上。
物理描述
管道温度预感器有一个本体和一个电插头。两部分是密封在一起的。
功能描述
管道温度预感器是一个可变电阻。当温度上升时,传感器的阻值上升。
预感器是 CTC 内部一个电桥的一部分。它感受管道温度的变化速率。CTC 使用这个数据来调节混合活门的位置。
![图片[7]-737NG-ATA21 空调系统【系统原理】-航修札记](https://www.aeroacm.com/wp-content/uploads/2026/04/20260411235945760-word-image-12631-104.png)
8)管道温度极限传感器
目的
管道温度极限传感器当管道温度达到 140F(60C)或者以上时向座舱温度控制器(CTC)提供信号。
位置
驾驶舱管道温度极限传感器在驾驶舱分配供气管路上。供气管路在 EE 舱中。
客舱管道温度极限传感器在客舱顶部分配管路上。
物理描述
传感器有一个探头本体和一个电插头。传感器是封装在一个金属外壳中的。
功能描述
管道温度极限传感器是一个可变电阻。当温度上升时,阻值下降。
管道温度传感器是 CTC 内电桥的一部分。当管道温度达到 140F(60C)或者更多的时候,CTC 向混合活门发出关闭信号。
![图片[8]-737NG-ATA21 空调系统【系统原理】-航修札记](https://www.aeroacm.com/wp-content/uploads/2026/04/20260411235945600-word-image-12631-105.png)
9)座舱温度控制器
目的
座舱温度控制器控制座舱中的空气温度。
位置
CTC 在 EE 舱,在 E4-1 架上。
物理描述
在控制器前面板上有 BITE 的控制和指令。
![图片[9]-737NG-ATA21 空调系统【系统原理】-航修札记](https://www.aeroacm.com/wp-content/uploads/2026/04/20260411235945716-word-image-12631-106.png)
10)混合活门
目的
混合活门调节进入组件和分配系统中的冷气和热气比例。
位置
混合活门在空调舱的内侧后部区域。
物理描述
下面是混合活门的部件:
· 旋转电作动器
· 双蝶形活门(冷端和热端)
· 电插头
· 位置传感器
· 位置指示器
双蝶形活门是一个同轴的蝶形活门,两个活门互相成 90 度。
在活门上有一个位置指示器,可以显示活门在冷和热的范围。
功能描述
活门有一个电作动器。活门是 115VAC、单相电作动的。当作动器得电打开时,热端打开冷端关闭。
位置传感器是一个电位计,将混合活门的位置信号送往座舱温度控制面板。
培训信息要点
可以通过调节传感器来调节活门位置指示器。
![图片[10]-737NG-ATA21 空调系统【系统原理】-航修札记](https://www.aeroacm.com/wp-content/uploads/2026/04/20260411235945567-word-image-12631-107.png)
11)热气单向活门
目的
热气单向活门防止气流反向流入混合活门
位置
热气单向活门在分配舱。可以由前货舱后部盖板接近。
每个组件有一个热气单向活门
物理描述
热气单向活门有以下部分:
· 外壳
· 轴支撑
· 两片蝶形活门(图中未显示)
活门外壳上有一个方向箭头。
活门使用两个 V 型卡箍安装。
功能描述
活门是一个两片蝶形活门。两个半圆形的片安装在铰链上。铰链安装在穿过活门的轴上。顺流的气流会打开活门,反流的活门就会关闭活门。
培训信息要点
按照正确的方向安装热气单向活门。箭头指向气流方向。
![图片[11]-737NG-ATA21 空调系统【系统原理】-航修札记](https://www.aeroacm.com/wp-content/uploads/2026/04/20260411235946486-word-image-12631-108.png)
12)功能描述(AUTO)
自动控制
当组件电门在 AUTO 或者 HIGH 位时,115VAC 电送到座舱温度选择器。当座舱温度选择器在AUTO 位,电就会送到座舱温度控制盒(CTC)。
座舱温度选择电门设置了一个电阻,CTC 与空气温度进行比较。CTC 从下列传感器监控空气温度:
· 座舱温度传感器
· 管道温度预感器
· 管道极限传感器
CTC 将座舱温度选择电门与座舱温度传感器和管道预感器进行比较。差值是一个热或者冷的误差信号。如果误差超过 0.9F(0.5C),信号就会送到混合活门。
管道温度极限传感器送一个信号到 CTC。当管道温度达到 140F(60C)时,CTC 就会断开热信号,送一个冷信号到混合活门。如果温度小于 140F (60C)时,活门就可以接受正常的热或者冷控制信号。
![图片[12]-737NG-ATA21 空调系统【系统原理】-航修札记](https://www.aeroacm.com/wp-content/uploads/2026/04/20260411235946822-word-image-12631-109.png)
13)功能描述(人工)
功能描述
当组件电门在 AUTO 或者 HIGH 位时,115VAC 电到温度选择电门。选择电门是一个弹簧加载在OFF 位的电门。当人工保持在 WARM 或者 COOL 位的时候,115VAC 电就会通过 ACAU 到达混合活门。
![图片[13]-737NG-ATA21 空调系统【系统原理】-航修札记](https://www.aeroacm.com/wp-content/uploads/2026/04/20260411235946475-word-image-12631-110.png)
14)管道过热电门
目的
管道过热电门 190F(88C)点亮 DUCT OVERHEAT 灯,并使混合活门向关闭方向运动。
位置
驾驶舱管道过热电门在驾驶舱分配供气管道上。
供气管道在 EE 舱。
客舱管道过热电门在客舱顶部分配管道上。
物理描述
管道过热电门有一个探头本体,电插头和一个座。一个正常断开的双金属电门在过热电门中。
![图片[14]-737NG-ATA21 空调系统【系统原理】-航修札记](https://www.aeroacm.com/wp-content/uploads/2026/04/20260411235946367-word-image-12631-111.png)
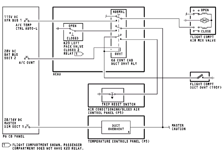
15)管道过热功能描述
功能描述
在自动方式或者人工方式下混合活门由座舱选择电门控制。
如果供气管道中的温度达到 190F(88C)或者更高,管道过热电门就会闭合,电门闭合后,K6 控制座舱管道过热继电器激励到过热位。当 K6 在过热位的时候,就会发生:
· 管道过热琥珀色灯点亮
· 主警告和 AIR COND 警告牌点亮
· 1 号转换汇流条的 115VAC 的电就会关闭混合活门
· 电路通过跳开复位电门锁定
注意:当左组件活门在开位时,K20 左组件活门2 号关闭继电器在开位。
要复位电路,必须有下面:
· 管道温度低于 190F(88C),并且电门断开
· 按压空调/引气面板上的 TRIP RESET 电门
![图片[15]-737NG-ATA21 空调系统【系统原理】-航修札记](https://www.aeroacm.com/wp-content/uploads/2026/04/20260411235947496-word-image-12631-112.png)
16)管道温度探头和座舱温度探头
目的
管道温度探头和座舱温度探头测量管道温度。
位置
座舱温度探头在客舱温度传感器组件的右牛鼻组件中。可以通过右旅客服务组件来接近(大概客舱前部第四排座椅处)。
管道温度探头在客舱顶部分配管路上。在右上升管连接处的后部。
物理描述
温度探头有下列部分:
· 安装座
· 探头
· 电插头
探头是密封在外壳中的热敏元件。
功能描述
温度探头监控空气温度。热敏元件是负温度系数。温度被送往温度控制面板上的温度指示器。
![图片[16]-737NG-ATA21 空调系统【系统原理】-航修札记](https://www.aeroacm.com/wp-content/uploads/2026/04/20260411235947906-word-image-12631-113.png)
17)座舱温度指示器
目的
座舱温度指示器显示客舱温度或者供气管道温度。
位置
指示器在温度控制面板上。
物理描述
座舱温度指示器是一个圆柱外壳中的指针指示器。在外壳后部有一个电插头。
功能描述
座舱温度指示器是一个电阻式指示器。从座舱温度探头或者管道温度探头处得到信号。可以通过温度电门选择想看的温度。
![图片[17]-737NG-ATA21 空调系统【系统原理】-航修札记](https://www.aeroacm.com/wp-content/uploads/2026/04/20260411235947379-word-image-12631-114.png)
18)混合活门位置指示器
目的
混合活门位置指示器显示活门混合活门热端和冷端的开度。
位置
位置指示器在温度控制面板上
下面系统各有一个指针:
· COND CABIN(左空调)
· PASS CABIN(右空调)
物理描述
位置指示器有以下部分:
· 电插头
· 刻度盘
· 指针
刻度盘有渐进的刻度显示 110 度的范围。刻度没有单位。
功能描述
混合活门指示与混合活门位置传感器相对应。在组件接通或者关闭时显示混合活门位置。
培训信息要点
可以使用电位计 R2 来调整混合活门指示器。
![图片[18]-737NG-ATA21 空调系统【系统原理】-航修札记](https://www.aeroacm.com/wp-content/uploads/2026/04/20260411235947135-word-image-12631-115.png)
19)温度控制面板印刷电路组件
目的
温度控制面板印刷电路组件确保温度控制面板上的位置指示器电源是稳定的。
位置
温度控制面板印刷电路组件在温度控制面板内部。拆下温度控制面板可以接近印刷电路组件。
物理描述
印刷电路组件是一块电路板。在印刷电路组件上有电气接头与温度控制面板的插头相连接。同样,还有两个可调电位计(R2 和 R3)。
功能描述
印刷电路组件使用 28VDC 电。电路确保混合活门指示器和传感器的电压和电流稳定。
培训信息要点
可以使用电位计R2和R3来调节混合活门位置指示器。
![图片[19]-737NG-ATA21 空调系统【系统原理】-航修札记](https://www.aeroacm.com/wp-content/uploads/2026/04/20260411235948627-word-image-12631-116.png)
20)座舱温度控制器 BITE
综述
座舱温度控制器(CTC)是一个双通道电子控制器。一个通道控制左组件的输出温度,另一个通道控制右组件的输出温度。
左组件温度由下列部件控制:
· 驾驶舱温度选择电门
· 驾驶舱温度传感器
· 驾驶舱温度预感器
· 驾驶舱温度极限传感器
右组件有下列部件控制:
· 客舱温度选择电门
· 客舱温度传感器
· 客舱管道温度预感器
· 客舱管道极限传感器
CTC 含有内部 BITE 电路。BITE 功能可以隔离故障和故障的部件。
BITE 测试
CTC 前面板上有测试 CTC 和温度控制部件的指令。
一个选择电门可以选择一个部件来测试。CTC 对下列驾驶舱和客舱的部件进行测试:
· CTC 内部电路
· 温度选择电门
· 座舱温度传感器
· 管道预感器
· 管道温度极限传感器
驾驶舱温度控制的测试结果通过左组件 GO/NO GO 灯来显示。客舱温度测试结果通过右组件GO/NO GO 灯来显示。
当测试结束后,绿色的 GO 灯显示部件工作正常,红色的 NO GO 灯表示部件失效了。
![图片[20]-737NG-ATA21 空调系统【系统原理】-航修札记](https://www.aeroacm.com/wp-content/uploads/2026/04/20260411235948554-word-image-12631-117.png)













暂无评论内容