1)介绍
目的
在飞机飞行的高度上,氧气的密度难以维持生命。增压控制使飞机处在安全的座舱高度。这可以防止机组和乘客出现缺氧。以下是增压控制系统的子系统:
· 座舱压力控制
· 座舱压力释放系统
· 座舱压力指示和警告系统
缩写
· ADIRU 大气数据惯性基准组件
· ARINC 航空无线电公司
· CPC 增压控制器
· ELACT 电作动器
· ESDS 静电敏感
· ISA 国际标准大气压
· SLFPM 英尺每分
![图片[1]-737NG-ATA21 空调系统【系统原理】-航修札记](https://www.aeroacm.com/wp-content/uploads/2026/04/20260411235928205-word-image-12631-33.png)
2)一般描述
综述
空调组件往飞机内部供气。压力控制系统保持一个安全的座舱高度。它有以下子系统:
· 座舱压力控制
· 座舱压力释放
· 座舱压力指示和警告
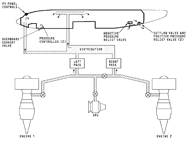
座舱压力控制系统
座舱压力控制系统控制气流流出的速度。以下是系统的部件:
· 座舱压力控制组件
· 两部数字座舱压力控制器
· 后排气活门
· 机外排气活门
座舱压力释放系统
座舱压力释放系统是一套失效安全系统。在压力控制系统失效的时候,可以防止飞机结构在过压和负压下损坏。系统有以下部件:
· 两个正压释放活门
· 负压释放活门
座舱压力指示和警告系统
座舱压力指示和警告系统给出增压系统参数。有以下部件:
· 座舱高度表
· 音响警告部件
· 座舱高度警告电门
![图片[2]-737NG-ATA21 空调系统【系统原理】-航修札记](https://www.aeroacm.com/wp-content/uploads/2026/04/20260411235928511-word-image-12631-34.png)
3)自动模式飞行曲线
目的
增压的自动模式控制飞行全阶段的座舱压力。
· 地面
· 起飞
· 爬升
· 巡航
· 下降
· 着陆
控制选择
使用自动方式,需要做如下选择:
· 选择自动模式
· 设定飞行高度
· 设定着陆高度
地面
当满足以下条件时,系统处在地面阶段:
· 空/地系统显示左和右起落架在地面
· 双发 N1 小于 50%大于 1.5 秒(或者发动机关车)
· 双发 N2 小于 84%大于 1.5 秒(或者发动机关车)
当飞机在地面阶段,飞机是不增压的,后排气活门是开的。
起飞
满足以下条件时,系统处在起飞阶段:
· 双发 N1 大于 60%超过 1.5 秒
· 双发 N2 超过 89%超过 1.5 秒
在起飞阶段,系统将座舱增压到场压以下 0.1PSI。
这可以防止飞机离地时产生座舱压力波动(瞬时压力增加)。
爬升阶段的座舱压力变化率为 350 海面尺每分。
爬升
当空/地系统指示左和右起落架处在空中,系统处在爬升阶段。
爬升阶段最大座舱压力变化率为 600 尺每分。
巡航
当飞机外部压力下降到选定的飞行高度 0.25PSI 范围之内时,系统进入巡航阶段。
在巡航阶段,系统保持一个不变的座舱高度。当飞行高度在 18500 尺以下时,座舱压力设定为着陆高度。当飞行高度大于 18500 尺时,座舱高度会上升,但是压差会在一个安全的范围。
下表是增压程序表:
![图片[3]-737NG-ATA21 空调系统【系统原理】-航修札记](https://www.aeroacm.com/wp-content/uploads/2026/04/20260411235928232-word-image-12631-35.png)
注意:偏离飞行高度时,为了保持恒定的座舱高度,压差会达到 8.45PSI。
对于大多数航班来说,最大座舱高度是 8000 尺。
当着陆机场高度场压高于 8000 尺并且航程短于60 分钟,会发生以下情形:
· 在起飞之前,座舱高度就会被设定在着陆机场场压。
· 在巡航过程中,座舱高度就设在着陆机场场压。
当着陆机场场压高于 8000 尺,并且航程大于 60 分钟,会发生以下情形:
· 起飞前,座舱高度设定在 6000 尺。
· 巡航过程中,座舱高度按照增压程序变化。
· 着陆前 20 分钟,座舱高度设定在着陆场压。
· 座舱高度再升高至着陆场压。
注意:当座舱高度上升速率大于每分钟 10000 尺,座舱高度警告就会响,可以通过按压喇叭切断电门来抑制。
下降
当飞机外部压力上升到巡航高度 0.25PSI 范围之内,下降程序开始了。
最大座舱变化速率为 350PSI 每分。
系统会将座舱压力上升到着陆场压以下 0.15PSI。
这 0.15PSI 的压力可以防止着陆时候的压力波动。
着陆
当飞机着陆后,并且地面程序的条件都满足后,系统以 500 尺每分的速度对座舱释压。当座舱压力和外界大气压力一致的时候,后排气活门打开。
![图片[4]-737NG-ATA21 空调系统【系统原理】-航修札记](https://www.aeroacm.com/wp-content/uploads/2026/04/20260411235928472-word-image-12631-36.png)
4)部件位置
部件位置
增压控制系统的部件在以下位置:
· 驾驶舱
· 电子设备舱
· 前设备舱
· 47 段
驾驶舱
座舱增压控制面板和座舱高度面板在前 P5 顶板。
EE 舱
1#增压控制盒在 E2-2 架,2#增压控制盒在 E4-1 架。
47 段
后排气活门在右后部机身,后服务门下方。
前电子设备舱
10000 尺座舱高度警告电门在前设备舱天花板上。
![图片[5]-737NG-ATA21 空调系统【系统原理】-航修札记](https://www.aeroacm.com/wp-content/uploads/2026/04/20260411235929359-word-image-12631-37.png)
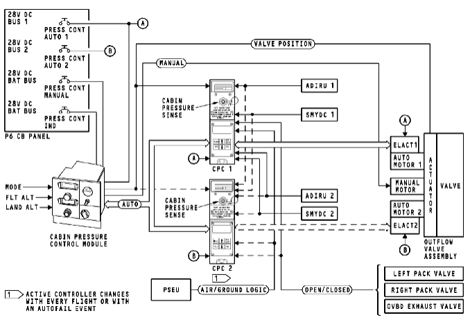
5)界面
综述
增压控制可以是自动的或者人工的。
共有两个数字座舱压力控制盒(CPC)。每个控制盒有自己的系统界面和活门马达系统。这样自动方式下,有双套系统。任何时候只有一个控制盒控制后排气活门。另外的 CPC 是个备份。每个航段或者发生自动失效,当前控制盒自动切换。
人工控制方式超控并且旁通两个 CPC。人工控制系统有自己的马达系统。这使得系统有第三套控制方式。
座舱控制系统有如下部件:
· 座舱压力控制面板
· 数字控制盒
· 带有三个驱动马达的后排气活门
· 线路,插头和电源
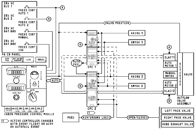
电源
系统可由以下得到 28VDC 的直流电:
· 电瓶汇流条
· 1#直流汇流条
· 2#直流汇流条
数据输入界面
机组在面板上设定下列输入:
· 增压控制模式
· 飞行高度
· 着陆高度
每个 CPC 上有一个传感器感受座舱压力每个 CPC 从两个大气数据惯性基准组件(ADIRU) 得到大气数据,从两个失速管理和偏航计算机(SMYDC)得到发动机转速,从 PSEU 得到空/地逻辑。
每个 CPC 从下列活门得到与增压有关的位置反馈信号:
· 左组件活门
· 右组件活门
· 后排气活门
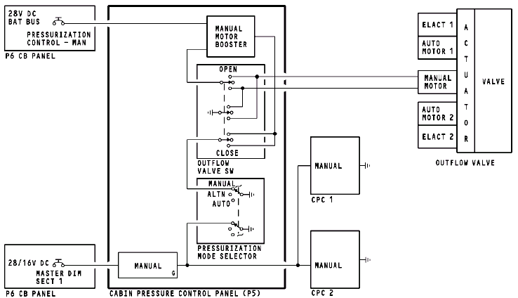
后排气活门界面
后排气活门有以下马达:
· 两个带作动器的自动马达
· 一个人工马达
CPC 使用数据总线控制活门上的电子作动器,电子作动器驱动自动马达。在座舱高度大于 14500尺的时候,电子马达上的高度电门会超控 CPC的控制信号,关闭后排气活门。这种功能不会影响活门的人工方式。
在人工方式下,驾驶员使用电门控制后排气活门。人工马达没有电子作动器,没有压力电门。
后排气活门向以下部件提供位置反馈:
· 两个 CPC,
· P5,前顶板
![图片[6]-737NG-ATA21 空调系统【系统原理】-航修札记](https://www.aeroacm.com/wp-content/uploads/2026/04/20260411235929993-word-image-12631-38.png)
6)压力控制面板和座舱高度面板
目的
座舱压力控制和座舱高度面板让机组可以监控增压系统。
位置
座舱压力控制和座舱高度面板在前 P5 顶板处。
座舱压力控制面板
座舱压力控制面板有以下控制和指示:
· 模式选择电门
· LAND ALT(着陆高度)选择和指示器
· FLT ALT(飞行高度)选择和指示器
· 人工模式拨动电门
· 后排气活门位置指示器
模式选择电门有下列位置:
· AUTO
· ALT-备用自动控制
· MAN-人工控制
飞行高度选择电门可以设置巡航高度由-1000 尺到 42000 尺,每格增加 500 尺着陆高度选择电门可以设置着陆高度有-1000 尺到 14000 尺,每格增加 50 尺。
后排气活门电门是一个三位的拨动电门,由弹簧保持在中立位。在人工方式中,控制后排气活门的位置。电门有三个位置:
· 关闭位
· 中间位
· 打开位
后排气活门位置指示起在所有模式中指示后排气活门的位置。
下面是四个在控制面板上方的系统状态指示灯:
· AUTO FAIL(系统失效)
· OFF SCHED DESCENT(偏离飞行计划)
· ALTN(操作方式)
· MANUAL(操作方式)
座舱高度面板
下面是座舱高度面板上的指示和控制:
· 座舱高度/压差指示器
· 座舱爬升速率表
· ALT HORN CUTOUT(座舱警告切断电门)
座舱高度和压差指示器连接在静压系统上。指示器上的粗针指示座舱内外压差,每格 0.2psi。细针指示座舱高度,每格 1000 尺。
爬升速率表通过指示器后面的开口感受压力变化。
当座舱高度超过允许值时,音响警告就会发出持续的警告,警告切断电门可以切断音响警告。
控制面板上的标牌是位人工模式操作提供参考。
它们提供如下:
· 起飞和着陆最大压差
· 飞行高度和座舱高度的对应
培训信息要点
座舱高度控制面板是由集成电路组成的,它是静电敏感元件(ESDS)。触摸它需要注意。
真空厕所的使用会引起座舱速率表瞬时指示一个较快的座舱爬升速率。这是正常的。
![图片[7]-737NG-ATA21 空调系统【系统原理】-航修札记](https://www.aeroacm.com/wp-content/uploads/2026/04/20260411235929170-word-image-12631-39.png)
7)座舱压力控制器
目的
座舱压力控制器(CPC)控制座舱压力,它工作在正常和备用模式。
一般描述
一共有两个 CPC,CPC 是数字式的。
CPC 是系统的双重控制,在正常和备用模式,它们都是工作的,任何时候只有一个 CPC 控制后排气活门。另外的是备份。
CPC 有程序插钉控制功能。这功能可以针对不同情况对系统优化。
位置
两个 CPC 都在设备舱,CPC1 在 E2-2 架,CPC2在 E4-1 架。
物理描述
每个 CPC 有以下部件:
· 座舱压力传感器
· BITE 指示牌
· 两行的 LED 显示
· BITE 控制按钮
BITE
每个 CPC 有以下主菜单:
· 当前故障
· 故障历史
· 地面测试
· 系统状态
· 系统测试并且清除历史
下面是 BITE 测试按钮的功能:
· ON/OFF 触发或者关闭 CPC 的 BITE 功能
· MENU 用来显示 BITE 菜单或者进入上级菜单
· YES 用来回答问题
· NO 用来回答问题
· UP 箭头按钮用来对菜单或者 BITE 的结果进行上翻
· DOWN 箭头按钮用来对菜单或者 BITE 的结果进行下翻。
培训信息要点
当前存在故障的时候,CPC 会在面板上显示FAULT。
CPC 是静电敏感元件,操作时需要遵从相关规章。
![图片[8]-737NG-ATA21 空调系统【系统原理】-航修札记](https://www.aeroacm.com/wp-content/uploads/2026/04/20260411235929317-word-image-12631-40.png)
8)CPC-BITE 主菜单
综述
在每个座舱压力控制器的前面板上有一个 BITE面板。BITE 对以下硬件和软件进行检查:
· 所有系统部件
· 系统界面
· 系统的总体性能
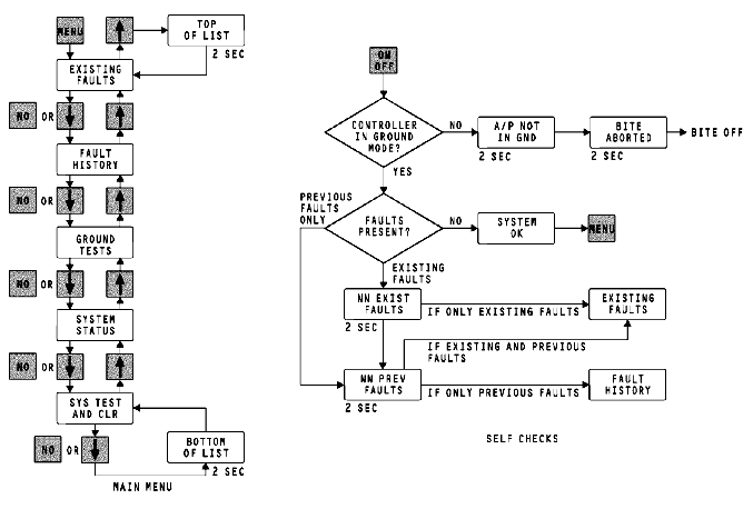
当你按压 MENU 按钮,然后按压上下箭头,可以见到下列选项:
· 当前故障
· 故障历史
· 地面测试
· 系统状态
· 系统测试并清除故障历史
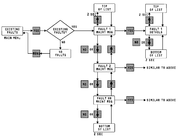
当前故障
EXISTING FAULTS 显示当前存在的故障,由主菜单 EXISTING FAULTS 可以见到故障和详细信息。
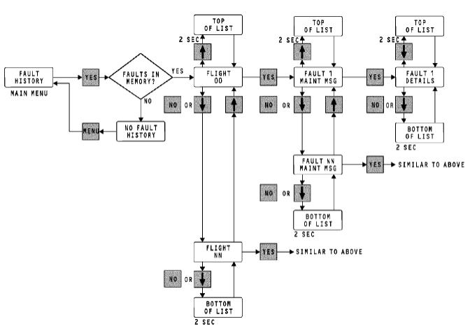
故障历史
FAULT HISTORY 显示以前的故障。由主菜单FAULT HISTORY 可以见到故障和故障详细信息。
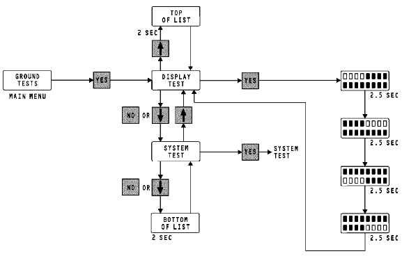
地面测试
GROUND TEST 有两个子菜单:
· 显示测试
· 系统测试
显示测试对 LED 显示进行测试系统测试对座舱增压系统进行测试。
系统状态
系统状态有以下子菜单:
· 当前状态
· 系统构型(SYSTEM FONFIG)
当前状态显示增压控制盒的所有当前输入。
系统构型显示系统的构型
系统测试和清除故障历史
此主菜单准备对系统进行测试,并且清除故障历史。
培训信息要点
当你按压 ON/OFF 按钮,控制盒先确认飞机在地面模式。如果飞机不是在地面模式,A/P NOT IN GND 显示两秒。然后 BITE ABORTED 显示两秒。
有两种故障:
· 以前故障(PREV FAULTS)
· 当前故障(EXIST FAULTS)
如果有当前故障,控制盒会在显示面板上显示FAULT。
如果仅仅存在当前故障,会显示 nn EXIST FAULTS 两秒。然后显示 EXISTING FAULTS。
如果仅仅存在历史故障,会显示 nn PREV FAULTS 两秒。然后显示 FAULT HISTORY。
如果存在当前故障和历史故障,nn EXIST FAULTS 和 nn PREV FAULTS 均会显示两秒,然后显示 EXISTING FAULTS。
EXSTING FAULTS 和 FAULT HISTORY 是显示故障。每个故障都有故障详细信息。关于故障和故障的更多信息,可以参阅故障隔离手册。
![图片[9]-737NG-ATA21 空调系统【系统原理】-航修札记](https://www.aeroacm.com/wp-content/uploads/2026/04/20260411235930709-word-image-12631-41.png)
9)CPC-BITE 当前故障
当前故障
EXISTING FAULTS 显示目前存在的故障。在主菜单 EXISTING FAULTS,会有故障和故障详细信息。记录的是主要问题的维护信息,关于故障的更多信息,会有详细资料。
在 EXISTING FAULTS 菜单,按压 YES 按钮。如果没有故障,就会显示 NO FAULTS。要回到主菜单,按压 MENU 按钮。
如果有故障,第一个故障就显示出来。想看下一条故障,按压 NO 或者下箭头。如果没有别的故障,会显示 BOTTOM OF LIST 两秒。
要看一个故障的详细资料,按压 YES 按钮,就会显示此故障的详细信息。如果按压 NO 或者下箭头按钮,会显示此故障的下面一些信息。如果没有更多信息,会显示 BOTTOM OF LIST 两秒。
后续的维修工作需要排除 EXISTING FAULTS 中显示的信息的故障。
![图片[10]-737NG-ATA21 空调系统【系统原理】-航修札记](https://www.aeroacm.com/wp-content/uploads/2026/04/20260411235930412-word-image-12631-42.png)
10)CPC-BITE 故障历史
故障历史
FAULT HISTORY 显示存储器中没有被清除的历史故障。
从 FAULT HISTORY 菜单,按压 YES 按钮,如果没有记录,就会显示 NO FAULT HISTORY。要回到上级菜单,按压 MENU 按钮。如果有故障,回显示 FLIGHT 00。要显示下一航段,按压 NO 或者下箭头按钮。然后就会显示下一航段。如果没有存储的其他航段,就会显示BOTTOM OF LIST 两秒。存储器一共可以存储10 个航段。每个航段都会有故障和故障信息。要显示某个航段的故障,按压 YES,故障就显示,如果按压NO 或者下箭头,就显示下个故障。如果没有其他的故障了,就会显示 BOTTOM OF LIST 两秒。要显示每个故障的详细信息,按压 YES 按钮。如果想看更多的信息,要按压 NO 或者下箭头。如果没有更多信息,会显示 BOTTOM OF LIST 两秒。
故障历史中的信息仅仅供参考,并不需要采取维护工作。
![图片[11]-737NG-ATA21 空调系统【系统原理】-航修札记](https://www.aeroacm.com/wp-content/uploads/2026/04/20260411235930890-word-image-12631-43.png)
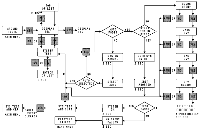
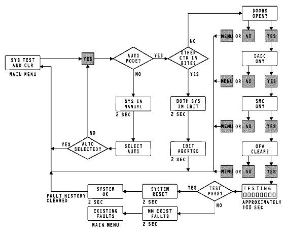
11)CPC-BITE 系统测试
系统测试
系统测试会对增压系统进行测试。
在 GROUND TEST 菜单,按压 YES 按钮。会显示 DISPLAY TEST。如果按压 NO 或者下箭头,会显示 SYSTEM TEST。
按压 YES 按钮,控制盒先检查系统是否处在自动模式。如果系统不在自动模式,会显示 SYS IN MANUAL 两秒。然后显示 SELECT AUTO。
当你按压 YES 按钮时系统在自动模式,系统会检查另外的控制盒是否在 BITE。如果另外的控制盒在 BITE,会显示:
· BOTH SYS IN IBIT 两秒
· IBIT ABORTED 两秒
· SYSTEM TEST
如果另外控制盒不在 BITE,会出现一系列问题。
对每个问题,需要按压 YES 或者 NO 按钮。如果你在问题后面按压了 YES 按钮,就会显示下面一个问题。如果你最后一个问题也按压了 YES,就会显示 TESTING。下部的 8 个每个显示 12 秒,每次显示一个,一共大约 100 秒。
如果测试时没有故障,就会显示 SYSTEM OK。
然后显示 SYSTEM TEST AND CLEAR?如果按压 YES 按钮,所有的故障历史都被清除。如果按压 NO 按钮,显示 SYSTEM TEST。
如果测试时,有故障,就会显示 EXISTING FAULT 两秒。然后显示 EXISTING FAULT 菜单。
如果在测试的时候按压 MENU 按钮,就会显示SYSTEM TEST。
培训信息要点
DADC 是大气数据惯性基准组件的缩写。SMC 是失速管理和偏航阻尼计算机。
![图片[12]-737NG-ATA21 空调系统【系统原理】-航修札记](https://www.aeroacm.com/wp-content/uploads/2026/04/20260411235930106-word-image-12631-44.png)
12)CPC-BITE 显示测试
显示测试
DISPLAY TEST 对 16 个 LED 显示进行测试。
在地面测试菜单,按压 YES,会显示 DISPLAY TEST。如果按压 YES 按钮,测试开始,每四个数字显示点亮 25 秒。测试结束后,显示 DISPLAY TEST。
![图片[13]-737NG-ATA21 空调系统【系统原理】-航修札记](https://www.aeroacm.com/wp-content/uploads/2026/04/20260411235931787-word-image-12631-45.png)
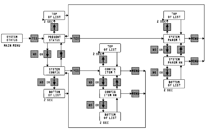
13)CPC-BITE 系统状态菜单
系统状态
系统状态有下面两个子菜单:
· PRESENT STATUS 当前状态
· SYSTEM CONFIGURATION(系统构型)
PRESENT STATUS
当前状态显示系统参数。从 SYSTEM STATUS 菜单,按压YES按钮,就会显示PRESENT STATUS。
如果按压 YES 按钮,就会显示第一系统参数。要看更多参数,按压 NO 或者下箭头按钮。如果没有更多参数,就会显示 BOTTOM OF LIST 两秒。
下表显示参数和含义:
![图片[14]-737NG-ATA21 空调系统【系统原理】-航修札记](https://www.aeroacm.com/wp-content/uploads/2026/04/20260411235931169-word-image-12631-46.png)
系统构型
SYSTEM CONFIG 显示系统构型。从 SYSTEM STATUS菜单按压YES按钮,就会显示PRESENT STATUS。按压 NO 或者下箭头按钮,就会显示SYSTEM CONFIG。如果按压 YES 按钮,就会显示第一构型项。如果要看更多的构型项,按压NO 或者下箭头按钮。如果没有更多的构型项,就会显示 BOTTOM OF LIST 两秒。
构型项
下表显示构型项和相关含义:
![图片[15]-737NG-ATA21 空调系统【系统原理】-航修札记](https://www.aeroacm.com/wp-content/uploads/2026/04/20260411235931578-word-image-12631-47.png)
![图片[16]-737NG-ATA21 空调系统【系统原理】-航修札记](https://www.aeroacm.com/wp-content/uploads/2026/04/20260411235931715-word-image-12631-48.png)
这张表格显示了 ROD SEL1 和 2 的输入
![图片[17]-737NG-ATA21 空调系统【系统原理】-航修札记](https://www.aeroacm.com/wp-content/uploads/2026/04/20260411235931459-word-image-12631-49.png)
培训信息要点
货舱加温活门指的是设备冷却的机外排气活门。
更多信息可以参考机外排气活门。(SECTION 21-27)
![图片[18]-737NG-ATA21 空调系统【系统原理】-航修札记](https://www.aeroacm.com/wp-content/uploads/2026/04/20260411235932676-word-image-12631-50.png)
14)CPC-BITE 系统测试和记录清除
系统测试和记录清除
系统测试和记录清除进行系统测试并且自动清除故障历史。
当按压 YES 按钮,控制盒先检查系统是否处在自动模式。如果系统不是在自动模式,就会显示SYS IN MANUAL 两秒。然后显示 SELECT AUTO。
如果按压 YES 按钮,,并且系统处在自动模式,控制盒先检查另外控制盒是否在 BITE。如果是,就显示如下:
· BOTH SYS IN IBIT 两秒
· IBIT ABORTED 两秒
· SYS TEST AND CLR
对每个问题,必须按压 YES 或者 NO 按钮。如果你每个问题都按压 YES 按钮,就会显示下面一个问题,如果直到最后一个问题,都是按压 YES,就会显示 TESTING。下部的 8 个数字显示 12 秒,每个一次。一共大概 100 秒。
如果测试没有故障,就会显示SYSTEM OK两秒。
然后显示 SYS TEST AND CLR。
如果测试中发现错误,就会显示 EXIST FAULTS 两秒。然后显示 EXISTING FAULTS 菜单。
培训信息要点
DADC 是大气数据惯性基准组件的缩写。
SMC 是失速管理和偏航阻尼计算机的缩写。
![图片[19]-737NG-ATA21 空调系统【系统原理】-航修札记](https://www.aeroacm.com/wp-content/uploads/2026/04/20260411235932808-word-image-12631-51.png)
15)后排气活门
目的
后排气活门控制空气从飞机机身下部流出。
位置
活门在后服务门下方机身上。
物理描述
后排气活门有以下部件:
· 两片门
· 作动器组件和连杆
· 位置传感器
· 两个自动方式马达和一个人工方式马达
· 两个电作动器。
功能描述
活门是一个排气回复,双门式活门。活门有两个28VDC 的马达和一个 48VDC 的马达。任一时间只有一个马达驱动。三个马达使用同一套作动机构。
活门上每个电子马达有一个失效安全气压电门。
如果座舱高度到达 14500 尺,电门使活门全关。
此功能可以超控正常的自动控制方式。不会超控活门的人工控制方式。
活门上的位置传感器可以在所有方式下,向 P5 板的位置指示器提供信号。
传感器同时向两个控制盒提供信号。这可以为控制盒在正常和备用情况下的控制提供反馈。
培训信息要点
活门上的安装接头让你可以机身外部拆卸或者安装。
![图片[20]-737NG-ATA21 空调系统【系统原理】-航修札记](https://www.aeroacm.com/wp-content/uploads/2026/04/20260411235932239-word-image-12631-52.png)
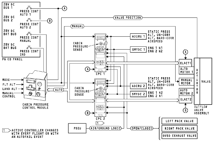
16)自动方式功能描述
目的
增压控制的自动方式在飞行的所有阶段保持飞行的增压。
功能描述
自动模式电路有以下部分:
· 有余度的 28VDC 电源
· P5 板处的座舱压力控制面板
· 两个座舱压力控制盒(CPC)
· 后排气活门上的两个自动模式直流马达及电子作动器
· 线路和插头
当面板上的模式选择电门选择在 AUTO 位的时候,增压控制工作在自动方式。
自动控制系统是双余度的。两个 CPC 是一样的。
设备架插钉区别它们是 CPC1 和 CPC2。
任何时候只有一个 CPC 控制后排气活门。另外的CPC 是一个备份。系统得电时,CPC1 是当前控制器。系统每个航段都会改变当前控制器。这可以使驱动机构上两套系统同样磨损。
CPC 使用下列系统的参数来判断飞行阶段:
· 两台大气数据惯性基准组件(ADIRU)
· 两台失速管理和偏航阻尼计算机(SMYDC)
· 临近电门电子组件(PSEU)
CPC 根据飞行阶段和控制面板上的输入计算目标座舱压力。
CPC 将目标压力和它感受口的压力进行比较。如果存在差别,CPC 就会送一个开或者关的信号到后排气活门上的电子作动器。作动器操纵它的马达。马达通过机构驱动。当前的控制盒调节后排气活门来控制座舱压力和压力变化速率。
后排气活门送往 CPC 的位置反馈确认活门的作动。
空调组件活门和机外排气活门也将位置信号送往 CPC。
两个控制盒都连续的进行自测试。如果当前 CPC 失效,另外的控制盒自动接替控制。
![图片[21]-737NG-ATA21 空调系统【系统原理】-航修札记](https://www.aeroacm.com/wp-content/uploads/2026/04/20260411235932440-word-image-12631-53.png)
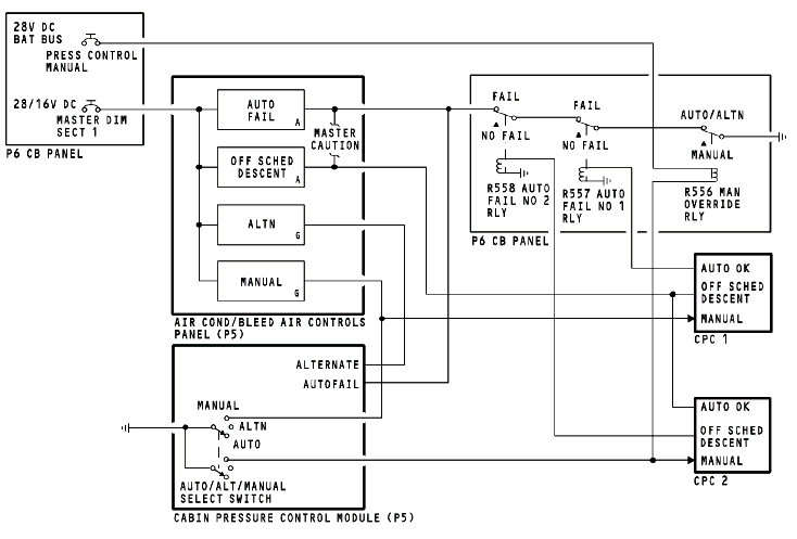
17)自动失效
目的
琥珀色 AUTO FAIL 灯提醒机组一个或者两个自动通道都失效了。
一般描述
增压自动控制系统是双余度的。一个 CPC 是当前的,控制增压,另外的是备份。
如果当前 CPC 失效,系统就会切换到备份 CPC。
两个 CPC 会自动的进行得电自测试和连续的自测试。测试在 LRU 级监控系统。当前 CPC 探测到故障或者失效时,就会切换到备份 CPC。
以下都会引起自动失效:
· 失电
· 座舱速率变化过快(大于 2000 尺每分)
· 座舱高度过高(大于 15800 尺)
· 线路故障
· 后排气活门部件失效
· CPC 失效
· 座舱压差过大(大于 8.75psi)
单通道失效
如果当前控制器失效,系统自动切换到备份CPC。
如果自动失效事件发生,并且系统在自动模式,以下灯会点亮:
· 琥珀色 AUTO FAIL 灯
· 主警告灯和 AIR COND 信号牌灯
· 绿色 ALTN 灯
ALTN 灯表明系统已经切换到备用系统。当模式选择电门选择到 ALTN 时,AUTO FAIL 灯熄灭。
双通道失效
下面是两个 CPC 都失效的指示:
AUTO FAIL 和主警告灯点亮
飞行高度和着陆高度显示五条短线(—–)
如果两个 CPC 都失效,ALTN 灯不会点亮。表明系统无法切换到备用自动控制器。
培训信息要点
下表显示如何由指示灯和模式选择电门的位置来判断自动系统的状态。
![图片[22]-737NG-ATA21 空调系统【系统原理】-航修札记](https://www.aeroacm.com/wp-content/uploads/2026/04/20260411235933885-word-image-12631-54.png)
![图片[23]-737NG-ATA21 空调系统【系统原理】-航修札记](https://www.aeroacm.com/wp-content/uploads/2026/04/20260411235933967-word-image-12631-55.png)
18)指示功能描述
综述
增压控制系统有以下指示:
· AUTO FAIL
· OFF SCHED DESCENT
· ALTN
· MANUAL
AUTO FAIL 灯
AUTO FAIL 灯一般有座舱压力控制面板控制。如果压力控制面板失效,此灯由R556,R557和R558控制。
OFF SCHED DESCENT 灯
OFF SCHED DESCENT 灯由以下部件控制:
· CPC1
· CPC2
当 CPC 探测到非程序下降,就会点亮此灯。
ALTN 灯
ALTN 灯由座舱压力控制面板控制。
当备份 CPC 切入系统,面板就会点亮 ALTN 灯。
MANUAL 灯
MANUAL 灯由座舱压力控制面板控制。
当选择电门在 MANUAL 位,CPC 被旁通,MANUAL 灯就会点亮。
![图片[24]-737NG-ATA21 空调系统【系统原理】-航修札记](https://www.aeroacm.com/wp-content/uploads/2026/04/20260411235933346-word-image-12631-56.png)
19)OFF SCHED DESCENT 灯
一般描述
非程序下降只发生在自动或者备用模式。人工模式不存在。
如果起飞后,需要立即着陆,系统控制着陆过程的增压。非程序下降指的就是这个过程。警告灯提示你,座舱压力将会回到起飞场压。
当飞机没有按照程序下降(在没有到达巡航高度之前),就是非程序下降。
功能描述
如果飞机在没有到达面板上设定的飞行高度,就开始下降,会发生下列事情:
· OFF SCHED DESCENT 灯点亮
· 主警告和 AIR COND 信号牌
· 控制系统将控制座舱压力回到起飞场压。
OFF SCHED DESCENT 灯在以下任一条件发生时,就会熄灭:
· 飞机又开始爬升
· 飞行高度被重新设定在目前高度
· 机组选定人工模式
· 飞机着陆
如果飞机没有返回起飞机场,机组必须做以下工作来对控制器复位:
· 将飞行高度设定在当前高度
· 将着陆高度设定在准备着陆的海拔高度
当飞机到达控制面板设定的飞行高度,控制系统就不会在有非程序下降。
![图片[25]-737NG-ATA21 空调系统【系统原理】-航修札记](https://www.aeroacm.com/wp-content/uploads/2026/04/20260411235933382-word-image-12631-57.png)
20)人工模式一般描述
目的
人工模式让机组直接控制后排气活门。
总体描述
人工模式有以下部分:
· 28VDC 电瓶汇流条电源
· 座舱压力控制面板
· 后排气活门上的人工模式马达
· 线路和插头
当模式选择电门在人工位时,会发生下面:
· 系统的自动控制被解除
· 控制面板上的后排气活门电门准备
· 绿色的 MANUAL 灯点亮
后排气活门电门是一个三位的拨动电门。下面是它的三个位置:
· 关闭
· 中立
· 打开
电门是弹簧保持在中立位的。
后排气活门电门的信号直接送到后排气活门上的人工马达。当电门在关闭位的时候,马达关闭活门,当电门在打开位的时候马达打开活门。
活门上的位置传感器将活门位置信号传送给活门位置指示器。
在人工方式下,可以使用以下设备和标牌来参考,以控制座舱高度:
· 座舱高度和压差指示器
· 座舱速率表
· 压力限制标牌
· 座舱/飞行高度转换标牌
![图片[26]-737NG-ATA21 空调系统【系统原理】-航修札记](https://www.aeroacm.com/wp-content/uploads/2026/04/20260411235934648-word-image-12631-58.png)
21)人工模式功能描述
总体介绍
后排气活门可以工作在人工方式。首先需要将模式选择电门放在 MANUAL 位。活门可以通过后排气活门电门来打开或者关闭。增压模式选择电门和后排气活门电门在 P5 顶板处。
功能描述
当增压模式选择电门在 MANUAL 位的时候,会发生下列事情:
· 绿色的 MANUAL 灯点亮
· CPC1 和 CPC2 停止自动和备用模式下的活门操纵
当后排气活门电门在开或者关位时,有以下事情:
· 人工马达调压器将 28VDC 转换成 48VDC,供活门马达作动
· 调压器的电被送往活门人工马达
活门的方向控制是通过电门控制电源的方向改变来实现的。
培训信息要点
可以通过人工方式的作动来检查活门的工作。
警告:后排气活门是马达作动的。不要将手或者工具放置在后排气活门的出口处,否则会对设备或者人员造成伤害。
![图片[27]-737NG-ATA21 空调系统【系统原理】-航修札记](https://www.aeroacm.com/wp-content/uploads/2026/04/20260411235934452-word-image-12631-59.png)
22)正释压活门
目的
正释压活门防止压差过大损坏飞机结构。
位置
一共有两个正释压活门。它们在后下部机身。在后排气活门的两侧各有一个。
总体描述
正释压活门是失效安全装置,可以在后排气活门失效在关闭位的时候释放机内过大的压力。
正释压活门是机械装置,自动工作,独立于其他机构,不需要机组的作动。
正释压活门是由座舱/环境压差气动作动的。它们把机内外压差控制在 8.95PSI。
当压差过大,活门打开。打开的活门放掉空气,降低座舱压力。当压差在安全范围之内的时候,活门关闭。
活门上装有气滤。气滤可以清洁内部伺服机构和作动器机构使用的空气。
它们通过垫片和卡环安装在基座上。
培训信息要点
在安装的时候需要确认正释压活门和垫片安装良好。不正确的安装会堵塞活门伺服机构上的压力感受孔。
保持伺服机构的干燥。机构内的水分会结冰,使活门无法作动。
![图片[28]-737NG-ATA21 空调系统【系统原理】-航修札记](https://www.aeroacm.com/wp-content/uploads/2026/04/20260411235934675-word-image-12631-60.png)
23)负释压活门
目的
负释压活门防止负压(内部真空)对飞机结构造成损坏。这可以防止快速下降中出现结构损坏。
位置
负释压活门在后下部机身,在左侧,后服务门附近。
活门从后货舱接近。
一般描述
负释压活门是一个机械装置,独立工作。于飞机增压系统其他部分没有联系,不需要机组作动。
负释压活门是一个蝶式活门。活门通过铰链铰接在上部,往内部打开。铰链上的弹簧使活门保持在关闭位。
负压会打开活门。机外压力大于内部 1.0PSI 时,活门打开。
![图片[29]-737NG-ATA21 空调系统【系统原理】-航修札记](https://www.aeroacm.com/wp-content/uploads/2026/04/20260411235934881-word-image-12631-61.png)
24)货舱平衡盖板
目的
货舱平衡盖板在突然释压的时候可以防止飞机结构损坏。
物理描述
顶部平衡盖板有以下部分:
· 平衡盖板
· 外框
· 边条
侧壁平衡盖板有以下部分:
· 平衡盖板
· 外框
· 边条
· 隔栅
位置
货舱平衡盖板在以下部位:
· 货舱天花板
· 货舱侧壁
功能描述:
在紧急释压的时候,压差使盖板从外框上脱落。
盖板脱落后,上下部压力就得到平衡,可以防止飞机结构的损坏。
1.0psid 的压差就会使盖板脱落。
货舱侧壁上的盖板安装有隔栅,可以防止货物碰到。
培训信息要点
如果后货舱门无法从外侧打开,可以从客舱由顶部平衡盖板进入货舱。如果前货舱门无法从外部打开,也可以由客舱进入。
关于前货舱的接近盖板可以参阅仪表和设备章节。(SECTION25-50)
![图片[30]-737NG-ATA21 空调系统【系统原理】-航修札记](https://www.aeroacm.com/wp-content/uploads/2026/04/20260411235934426-word-image-12631-62.png)
25)压力平衡活门
目的
压力平衡活门让空气从货舱里流入或者流出。可以使货舱压力和座舱压力一致。
物理描述
货舱压力平衡活门有两个弹簧保持在关闭位的摆式活门。一个活门向货舱外部,另一个活门向货舱内部。
位置
前货舱在后壁板处有一个压力平衡活门。
后货舱在真空马桶前部有一个压力平衡活门。
功能描述
一个活门在飞机压力升高的时候允许空气进入货舱,另一个活门在飞机压力降低的时候允许空气流出货舱。
培训信息要点
货舱是由防火胶带密封的。胶带把货舱同空调系统隔离开。对于货舱防火,这非常重要。
压力平衡活门把货舱同空调系统隔离开的同时,允许货舱压力改变。
![图片[31]-737NG-ATA21 空调系统【系统原理】-航修札记](https://www.aeroacm.com/wp-content/uploads/2026/04/20260411235935251-word-image-12631-63.png)
26)座舱高度警告电门
目的
当座舱高度很高的时候,座舱高度警告电门给机组提供警告。
位置
座舱高度警告电门位于前 EE 舱天花板处。
一般描述
座舱高度警告电门是一个气动警告电门。当座舱高度达到海平面以上 10000 尺的时候,电门闭合。
闭合警告电路,引起音响警告组件发出间断的警告。
ALT HORN CUTOUT 按压电门让机组切断警告,直到下次警告。
![图片[32]-737NG-ATA21 空调系统【系统原理】-航修札记](https://www.aeroacm.com/wp-content/uploads/2026/04/20260411235935943-word-image-12631-64.png)
27)座舱高度警告电门功能描述
功能描述
当 10000 尺座舱高度警告电门闭合时,有下列事情:
· 电门为喇叭电路提供接地,系统激励。
· 音响警告系统发出间断的声音警告。
当你按压 ALT HORN CUTOUT 电门时,有下列事情:
· K1 激励
· 音响警告喇叭关断
· K1 通过压力电门锁定。
当座舱高度低于 10000 尺时,电门断开,有下列
事情:
· K1 不再激励
· 警告电路被重置,为下次警告准备。
![图片[33]-737NG-ATA21 空调系统【系统原理】-航修札记](https://www.aeroacm.com/wp-content/uploads/2026/04/20260411235935954-word-image-12631-65.png)













暂无评论内容