1)介绍
目的
下面是制冷系统的功能:
· 控制气源系统进入组件的流量
· 散去进入组件的空气的热量
· 控制组件出口的温度和湿度
缩写
· A/C 空气调节
· ACAU 空调控制组件
· ACM 空气循环机
· APU 辅助动力组件
· C 摄氏
· F 华氏
· FCSOV 流量控制和关断活门
· FMCS 飞行管理计算机
· GND 地
· NORM 正常
· OVHT 过热
· SW 电门
· VLV 活门
![图片[1]-737NG-ATA21 空调系统【系统原理】-航修札记](https://www.aeroacm.com/wp-content/uploads/2026/04/20260411235936965-word-image-12631-70.png)
2)一般描述
综述
制冷系统使用系列部件和系统冷却引气:
· 空调/引气面板
· 流量控制活门
· 热交换器
· 空气循环机
· 冲压空气系统
· 低限系统(35F)
· 水分离器
空调/引气面板
空调/引气面板提供制冷系统的控制和指示。下面是制冷系统的控制和指示:
· RAM DOOR FULL OPEN 灯
· L/R PACK 灯
· PACK TRIP OFF 灯
· TRIP RESET 电门
流量控制活门
气源系统将引气送到流量控制活门。活门控制组件的空气流量。在空气流经组件活门后,到达主散热器。
主散热器
主散热器接受来自组件活门的空气。当空气流过散热器,冲压空气带走热量。冷却过的空气进入压气机和空气循环机。
空气循环机
空气循环机是一个三轮的空气轴承的。
冷却的空气进入主散热器,被压缩。压缩过的空气进入次级散热器,然后回到空气循环机。空气迅速的膨胀,然后进入水分离器。
次级散热器
次级散热器接受来自空气循环机的压缩空气。当空气进入散热器,冲压空气带走热量。空经过水分离器回到空气循环机。
冲压空气系统
冲压空气系统控制外界经过散热器的冷却空气的流量。
低限(35F)系统
低限系统保持进入水分离齐的空气温度在 35F。
水分离器
水分离器在空调空气进入分配系统之前,收集其中的水分将其排除。
![图片[2]-737NG-ATA21 空调系统【系统原理】-航修札记](https://www.aeroacm.com/wp-content/uploads/2026/04/20260411235937944-word-image-12631-71.png)
3)部件位置
部件位置
空调制冷系统的部件在飞机的下列位置
· 驾驶舱
· EE 舱
· 分配舱
· 空调舱和机翼机身结合处。
驾驶舱
空调面板在 P5 面板。
EE 舱
空调附件盒(ACAU)在 E4-1 架。
分配舱
空调空气单向活门在分配舱
空调舱和机翼机身结合部
空调组件在空调舱。冲压空气系统在机翼机身结合部。这就是空调舱的前部和后部区域。
![图片[3]-737NG-ATA21 空调系统【系统原理】-航修札记](https://www.aeroacm.com/wp-content/uploads/2026/04/20260411235937927-word-image-12631-72.png)
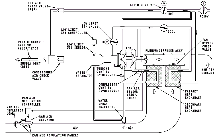
4)功能描述
功能描述
流量控制活门(FCSOV)从气源总管引来热气。
FCSOV 控制到初级热交换器和混合活门热端的流量。FCSOV 下游的连接管将热气送往涡轮。
可以防止涡轮机匣节冰。
冲压空气系统控制初级和次级热交换器的气流量。下面是冲压空气系统的部件:
· 冲压空气温度传感器
· 冲压空气进口控制器
· 冲压空气进气作动器
· 冲压空气折流门冲压空气调节板
· 冲压叶轮风扇
· 风扇旁通活门
当引气进入初级热交换器的时候,冲压空气带走热量。混合活门冷端的空气得到初步冷却。
混合活门中初步冷却的空气进入空气循环机的压气机。压气机增加了空气的压力和温度。压缩后的空气进入次级热交换器。
当压缩后的空气进入次级散热器,冲压空气进一步带走热量。空气进入空气循环机的涡轮部分。
空气在涡轮中迅速膨胀降低了温度。冷却了空气进入水分离器。
当冷却的空气进入水分离器后,水分被过滤掉。
水进入水隐射口,被喷射到冲压空气管路中。
如果水分离器中的温度下降到 35F 时,低限系统引入部分冷却的空气进入水分离器,热气会防止水分离器的节冰。
离开水分离器,冷却的空气进入混合总管。混合总管中混合活门热端的热气与之混合。
过热保护
组件有过热保护部件,可以自动停止组件的工作。下面是过热保护部件:
· 压气机出口过热电门 390F(199C)
· 涡轮进口过热电门 210F(99C)
· 组件出口过热电门 250F(121C)
![图片[4]-737NG-ATA21 空调系统【系统原理】-航修札记](https://www.aeroacm.com/wp-content/uploads/2026/04/20260411235937509-word-image-12631-73.png)
5)空调附件盒
目的
空调附件盒是空气系统和操作逻辑的界面。
位置
ACAU 在 EE 舱的 E4-1 架。
界面
空调附件盒和以下系统有关联:
· 飞行控制(襟翼未收上电门)
· 起落架(空/地)
· 发动机启动
· 空调
· 气源/引气系统
· 飞行管理计算机(FMC)
ACAU 接受以下飞机部件的信号:
· 发动机启动活门
· 襟翼控制组件
· 空地继电器
· 组件控制和关断活门
· 冲压空气/控制器
· 组件过热电门
· 空气混合活门
· 座舱温度控制器
· 发动机引气电门
· 管道过热电门
· 气源系统活门
· 空调/引气面板
· 座舱温度控制面板
· 后排气活门
· 再循环风扇
· 机外排气活门
· 气源系统过热/过压电门
· FMC
ACAU 向以下部件提供信号:
· 空调/引气控制面板
· 座舱温度控制面板
· 引气调节器
· 发动机启动活门
· 组件活门
· 冲压空气作动器
· 冲压空气控制器
· 座舱温度控制盒
· 空气混合活门
· 后排气活门
· 再循环风扇
· EE 冷却风扇
· FMC
培训信息要点
在更换 ACAU 之后必须进行调节/测试。
![图片[5]-737NG-ATA21 空调系统【系统原理】-航修札记](https://www.aeroacm.com/wp-content/uploads/2026/04/20260411235937975-word-image-12631-74.png)
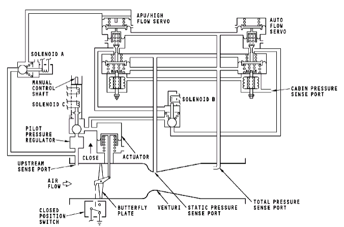
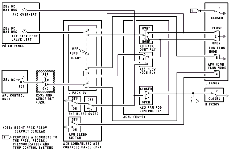
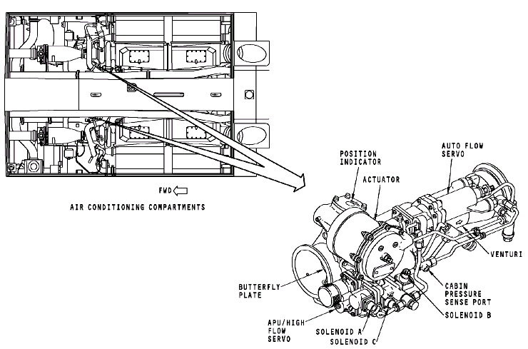
6)流量控制活门
目的
流量控制活门控制组件的气流。
位置
流量控制活门在空调舱。靠近龙骨梁和空气循环机。
物理描述
流量控制活门是电控气动的。它由弹簧保持在关闭位。下面是流量控制活门的部件:
· 蝶状阀门
· 位置指示器
· 作动器
· 自动流量伺服
· 文氏管
· 座舱压力感受口
· A 线圈(APU/高流量)
· B 线圈(自动流量)
· C 线圈(开关)
· APU/高流量伺服
它有四个电插头和一个座舱压力感受管路。
培训信息要点
位置指示器可以在排故中检查活门。
![图片[6]-737NG-ATA21 空调系统【系统原理】-航修札记](https://www.aeroacm.com/wp-content/uploads/2026/04/20260411235938312-word-image-12631-75.png)
7)流量控制活门机械功能描述
功能描述
流量控制活门是电控气动的。它由弹簧加载在关闭位。气动作动器作动蝶状阀门来操作活门。当组件电门在关闭位置,28VDC 激励 C 线圈到关闭位置。会作动球状活门到关闭位置,就卸掉了作动器内的气压。活门就关闭。
当组件电门在 AUTO 或者 HIGH 位时,C 线圈的开线圈得电,空气进入作动器,压迫弹簧打开蝶状阀门。当活门打开,空气进入静压感受孔和下游(总压)感受孔。
静压和总压感受孔平衡作动器打开自动和高流量伺服的压力。这些感受孔感受文氏管中的压差,判断气流速度。
B 线圈在控制正常流量和高流量。当组件电门在AUTO 位时,线圈激励。空气进入自动流量伺服(正常流量模式)。自动流量伺服根据座舱空气对内部气球进行偏置,来控制流量。这就可以根据座舱高度控制气流速度正常模式的流量大约是 55 磅每分(PPM)当组件电门在 HIGH 位时,线圈 B 失电(高流量模式)。作动空气进入 APU/HIGH 伺服。高流量
伺服有一个关的强偏置。可以使更大的压力进入活门作动器。就增加了气流。高力量大约 80PPM。
在巡航中,如果一个组件由于过热或者电门 OFF而关闭,B 线圈就失电。就会使工作的组件进入高流量。
APU 高流量模式激励 A 线圈。APU/高流量伺服有一个比高流量更强的作动活塞。提供了更大的偏置关闭伺服。就使得更多压力进入活门作动器。APU/高流量大约是 100PPM。
培训信息要点
C 线圈上人工控制轴可以人工控制线圈。
![图片[7]-737NG-ATA21 空调系统【系统原理】-航修札记](https://www.aeroacm.com/wp-content/uploads/2026/04/20260411235938525-word-image-12631-76.png)
8)流量控制活门电气功能描述
组件电门 OFF
当组件电门在 OFF 位时,28VDC(电瓶汇流条)激励 C 线圈的关线圈。当关线圈激励时,流量控制活门关闭。
组件电门 AUTO
当组件电门在 AUTO 位时,28VDC 电激励 C 线圈的开线圈。当线圈激励时,活门开。同时活门的位置电门也断开。给以下系统提供一个离散信号:
· 飞行管理计算机系统
· 通用显示系统
· 增压系统
· 温度控制系统
· 再循环系统
当一个或者两个发动机引气电门在 ON 位时,28VDC 通过左流量模式继电器 K18 激励 B 线圈。
当 B 线圈激励时,活门工作在低流量模式。
当左流量模式继电器激励时,B 线圈失电。当双发引气电门在 OFF 位时,K18 激励。
当 B 线圈失电时,活门工作在高流量模式。
当飞机在空中并且襟翼收上,左冲压控制继电器K23 闭合。如果右活门闭合,左低流量模式继电器 K18 激励。会使 B 线圈失电。
组件电门 HIGH
当电门在 HIHG 位时,B 线圈失电,活门工作在高流量模式。
下列条件都满足时 A 线圈激励:
· 组件电门在 HIGH 位
· APU 引气电门在 ON 位
· APU 转速在 95%以上
· 飞机在地面
当 A 线圈激励时,活门工作在 APU 高流量模式。
![图片[8]-737NG-ATA21 空调系统【系统原理】-航修札记](https://www.aeroacm.com/wp-content/uploads/2026/04/20260411235938689-word-image-12631-77.png)
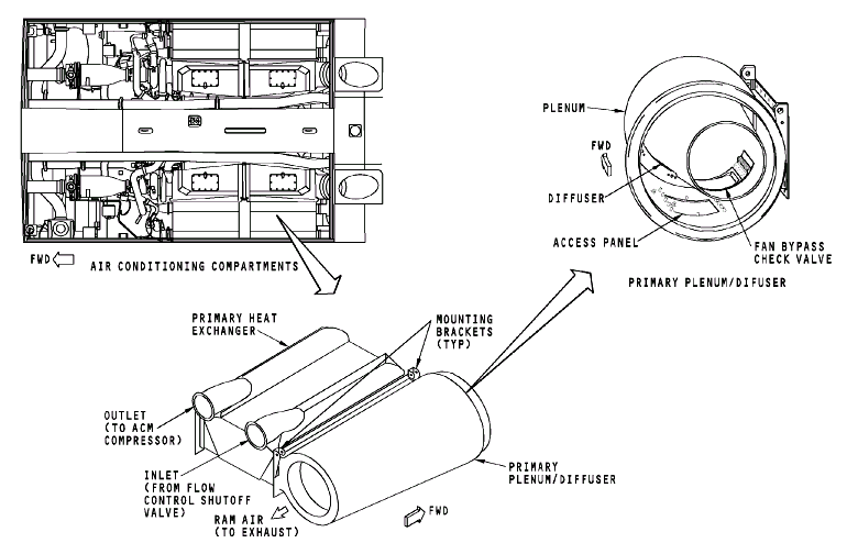
9)主散热器和高压扩散组件
目的
主散热器为进入空气循环机压气机的引气散热。
主高压扩散器让冲压空气流经主散热器,从冲压空气出口排出。
位置
主散热器和高压扩散器在空调舱的后外侧。
物理描述
主空气散热器是气气冷却、折翅式热交换器。两股独立的气流从空气通道中流过。外部通道是高压,内部是扩散。内部通道有一风扇旁通单向活门。风扇旁通活门在扩散器的后下部。
功能描述
空气由流量控制活门进入主散热器。在进入ACM之前由交叉的冲压空气带走热量。
当飞机在地面,ACM 叶轮风扇形成一个低压区域。抽吸空气进入散热器到高压器,再到叶轮风扇。然后叶轮风扇将空气送往扩散器。扩散器中的压力保持单向活门在关闭位。
当飞机在空中,冲压空气打开风扇旁通活门。
培训信息要点
散热器会由于表面积存的灰尘和杂物而降低效率。RAM DOOR FULL OPEN 灯一直保持亮,可以作为一个散热器变脏的指示。
散热器高压有一个接近盖板,可以用来检查和清洁。
![图片[9]-737NG-ATA21 空调系统【系统原理】-航修札记](https://www.aeroacm.com/wp-content/uploads/2026/04/20260411235938832-word-image-12631-78.png)
10)冲压空气管道
综述
每个组件有两套冲压空气管道:
· 冲压空气进口
· 冲压空气出口
目的
冲压空气进口管道让冲压冷却空气从冲压空气进口进入散热器。冲压空气出口管道让冷却空气从散热器排出机外。
位置
冲压空气进口管道在空调舱外侧。向前延伸到机翼/机身结合部。
冲压空气出口管道在空调舱后部。可以通过空调舱接近排气管道。
物理描述
进口管道分为两段,前段和后段。前段是由增强玻璃纤维做成。后段是由克复拉做成。前段在冲压空气进口前部安装在结构上。由柔性管道和带状卡箍和后段相连。在前后段相连的地方,有连接螺杆将管道与结构连接。后段管道在散热器外部有珐蓝片连接。在后段管道后部有一个检查盖板。排气管道连接着高压器。在后部有柔性管道和带状卡箍与飞机结构相连。
培训信息要点
在进气管道有一个热交换器的检查/清洁盖板。由此可以接近初级和次级散热器。盖板在管道的后下部区域,紧靠着热交换器的外侧。可以由机翼机身整流罩接近冲压空气进气管道。就在空调舱门的外侧。
当热交换器脏的时候,可以使用一种特殊的工具。
当管道开裂或者漏气时,可以进行修复。
![图片[10]-737NG-ATA21 空调系统【系统原理】-航修札记](https://www.aeroacm.com/wp-content/uploads/2026/04/20260411235939631-word-image-12631-79.png)
11)冲压空气进口作动器
目的
冲压空气进口作动器作动折流门,和冲压空气进口调节盖板。
位置
作动器在机翼机身整流罩内部,空调舱前部。安装在管道支撑组件上。可以从下部机身通过一块盖板接近作动器。左右组件各有一个作动器。
物理描述
作动器是一个 115VAC 的马达作动线性作动器。
有以下部分:
· 马达
· 极限电门
· 丝杠
· 电插头
界面
作动器接受空调附件盒(ACAU)来的信号。内部的极限电门作动马达的控制信号。马达作动一个线性丝杠。丝杠通过机械装置作动冲压空气进口调节板和折流门。
![图片[11]-737NG-ATA21 空调系统【系统原理】-航修札记](https://www.aeroacm.com/wp-content/uploads/2026/04/20260411235939836-word-image-12631-80.png)
12)冲压进气门组件
目的
冲压进气门组件控制热交换器中冷却气流量。
位置
冲压进气门组件在空调舱前部机翼/机身整流罩处。调节板在进气管道的进口。
冲压进气门组件有以下主要组件:
· 冲压进气调节板
· 冲压进气折流门
冲压进气调节板
冲压进气调节板有两部分。两部分铰接在一起。
前板在前部通过铰链与飞机结构相连。后板后部是滑轨中的一个滚轮。在后板上,中部连接处有U 形接头,在上表面通过连杆与轴组件相连。
功能描述
冲压进气调节板和轴组件调节进入系统的冷却空气量。进气作动器提供作动。
进气作动器作动调节板。作动器的线性摇臂把运动转化为轴组件的调节。轴组件作动连杆提升或者降低两块调节板。调节板和折流门是机械连接的。
冲压空气进口折流门
折流门确保冰、岩石和其他杂物不会进入冲压进气道。
轴组件作动折流门。
位置
折流门和轴组件在空调舱前部的机翼/机身整流罩内。折流门在冲压进气组件的前部。可以通过冲压进气道接近折流门。
物理描述
折流门是弹簧加载在关闭位的平板。轴组件是一扭力管,有两个连接螺杆和加载弹簧。连接螺杆与折流门上的 U 形接头相连。
功能描述
进气作动器通过连接螺杆和摇臂来驱动。轴组件驱动折流门。
折流门有两个位置。飞机在地面时,折流门打开提供保护。飞机在空中时,折流门收回。
![图片[12]-737NG-ATA21 空调系统【系统原理】-航修札记](https://www.aeroacm.com/wp-content/uploads/2026/04/20260411235939862-word-image-12631-81.png)
13)冲压进气控制器和温度传感器
目的
冲压空气控制传感器提供温度信号给冲压空气控制器。
位置
温度传感器在空调舱。在连接 ACM 压气机和次级散热器的管道上。
冲压进气控制器在空调舱里,水分离器边上。
物理描述
温度传感器有一个不锈钢探头外罩。外罩与电插头相连,是密封的。
外罩有外部端头,底座是六角的。
功能描述
温度传感器是一个热敏电阻。其阻值随温度的改变而改变。
控制器把传感器的阻值作为一个控制电桥的一部分。当温度高于或者低于 230F(110C)时, 控制器连续的调节冲压进气口作动器。当温度在大约 230F 时,控制器不发出指令信号。
培训信息要点
在管道上安装传感器时,需要使用新的 O 型封圈。
警告:安装或者拆卸传感器的时候,要使用两把扳手。这样可以防止损坏管道。
![图片[13]-737NG-ATA21 空调系统【系统原理】-航修札记](https://www.aeroacm.com/wp-content/uploads/2026/04/20260411235939570-word-image-12631-82.png)
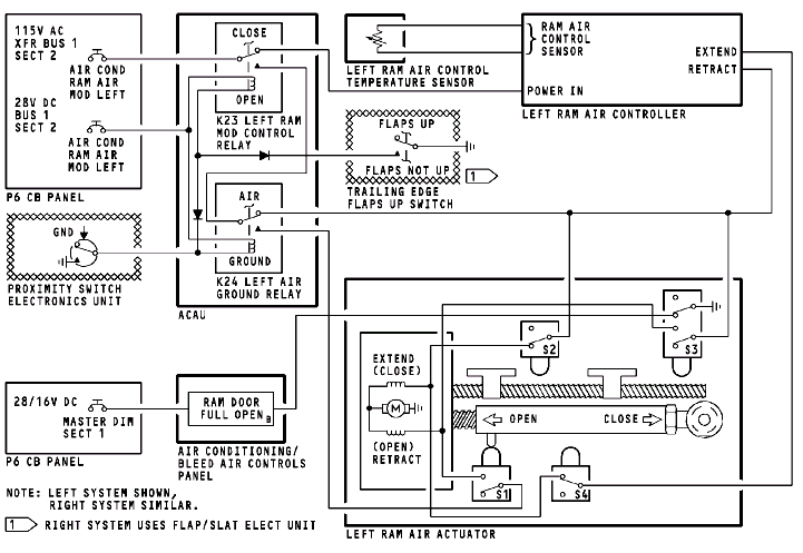
14)冲压空气系统功能描述
概述
冲压空气系统控制通过初级和次级散热器的冷
却空气量。下面是冲压空气系统部件:
· 冲压空气控制器
· 冲压空气进气作动器
· 冲压空气温度传感器
· 冲压空气折流门
· 冲压空气进口调节板
· 冲压空气管道
下面是冲压空气系统的三种控制模式:
· 地面
· 飞行(襟翼没有收上)
· 飞行(襟翼收上)
空调附件盒的继电器控制冲压空气控制器和冲压空气作动器的电源。
左、右冲压空气系统使用独立的控制电路。
地面模式
当飞机在地面时,空/地感觉系统提供离散的地信号,极力左空地继电器 K24,和左冲压模式控制继电器 K23。
当 K23 激励时,115VAC 被送往冲压空气作动器。
左作动器有内部电门,可以控制马达的电源。S1 向马达提供电源,直到作动器完全收起来。此时,调节板打开,折流门伸出。当作动器在全伸出时,S1 断开,切断电源。
当作动器轴在 S1 和 S2 之间的位置时,折流门在伸出位置。
作动器内部的 S3 电门将空调/引气面板接地。可以使左 RAM DOOR FULL OPEN 灯点亮。
飞行(襟翼没有收上)
起飞时,空地感觉系统断开 K24 左空地继电器。
襟翼没有收上时,K23 冲压空气模式控制电门从后缘襟翼收上电门得到地,激励。
当 K24 失电时,115VAC 电被送往左冲压空气作动器。在起飞时,电被送往作动器伸出线圈。当作动器在 S2 位置时,折流门让空气通过。
左 RAM DOOR FULL OPEN 灯就会点亮。
飞行(襟翼收上)
飞行中,当襟翼在全收上的时候,K23 激励,115VAC 电被送往左冲压空气作动器。
冲压空气控制器接收冲压空气温度传感器的信号。传感器感受空气循环机(ACM)压气机出口的温度。控制器将传感器信号用在一个控制电桥电路中。电桥将 ACM 压气机温度作为一个误差信号,太冷或者太热。正常控制温度是230F/110C。由 S3 送出收回信号(太热)或者有S4 送出伸出信号(太冷)。作动器内的 S3 和 S4 是巡航模式的控制极限。
如果飞行中一个组件被关断,冲压空气调节板关闭来减小阻力。
培训信息要点
如果飞行中 DOOR FULL OPEN 灯在巡航模式中点亮,可能是由于以下原因:
· 冲压空气系统有堵塞
· 热交换器脏
· 电气失效
![图片[14]-737NG-ATA21 空调系统【系统原理】-航修札记](https://www.aeroacm.com/wp-content/uploads/2026/04/20260411235940876-word-image-12631-83.png)
15)空气循环机
目的
空气循环机(ACM)通过涡轮中的膨胀来降低空气温度。
位置
空气循环机在空调舱。左和右组件各有一个ACM。
物理描述
空气循环机是一个高速旋转组件。它有以下同轴的三个部分:
· 涡轮
· 压气机
· 叶片风扇
一薄层空气轴承支撑着轴。空气轴承可以让ACM在很小的摩擦下高速旋转。
培训信息要点
如果轴的旋转方向错误,会造成损坏。
空气轴承是不需要勤务的。
ACM 是次级组件。有 U 型支架安装在空调舱。
![图片[15]-737NG-ATA21 空调系统【系统原理】-航修札记](https://www.aeroacm.com/wp-content/uploads/2026/04/20260411235940621-word-image-12631-84.png)
16)次级热交换器和高压/扩散组件
目的
次级热交换器将空气循环机(ACM)的压气机部分出来的空气进行散热。
次级高压/扩散组件使冲压空气流经次级热交换器,排出冲压空气排气口。
位置
次级热交换器和高压/扩散组件在初级热交换器和高压/扩散组件的前面。
物理描述
次级热交换器是反向、折翅、气气冷却的。两股独立的空气在狭窄通道中流过,通道由叶片增加面积。
次级散热器有出口管道和进口管道。出口管道是高压器,进口管道是扩散器。
功能描述
空气从 ACM 流经次级散热器。进入 ACM 涡轮之前由交叉的冲压空气带走热量。
当飞机在地面,ACM 的叶轮风扇形成一个低压区域。就会抽吸空气进入热交换器,再经过高压器和叶轮风扇。然后叶轮风扇将空气送往扩散器由排气口排出。
培训信息要点
次级热交换器会因为表面变脏或者有杂物而降低效率。
次级热交换器有接近盖板可以检查和清洁。
![图片[16]-737NG-ATA21 空调系统【系统原理】-航修札记](https://www.aeroacm.com/wp-content/uploads/2026/04/20260411235940480-word-image-12631-85.png)
17)低压水分离器混合外罩
目的
低压水分离器混合外罩是一个腔,此处热空气被掺混到气流中,可以防止水分离器节冰。
位置
水分离器混合外罩在空调舱的前部。在空气循环机(ACM)的下游,在水分离器的上游。
物理描述
低压水分离器有三个珐蓝片和一个混合腔。在混合腔的本体外表面有一个箭头表示气流方向。
在混合腔的侧壁有一个小口,热气由 ACM 涡轮机匣进入。
低压水分离器外罩有一个 V 型卡箍的珐蓝连接。
![图片[17]-737NG-ATA21 空调系统【系统原理】-航修札记](https://www.aeroacm.com/wp-content/uploads/2026/04/20260411235940780-word-image-12631-86.png)
18)水分离器
目的
从空气循环机来的空气会喊有水分。(原子级的水雾)。水分离器在空调空气进入分配系统之前,除去水分。
位置
水分离器在空调舱,在空气循环机的下游。
物理描述
水分离器是一个上游带有锥度的圆筒。有一个进口和一个出口外壳。一起组成一个组件。组件含有以下部分:
· 进口外壳
· 水布袋
· 布袋位置指示器
· 出口外壳
· 35F 温度传感器安装座
· 收集腔
· 外部排水口
· 布袋支撑
· 旁通活门组件
布袋是的确良聚脂材料,是锥形。套在支撑上。
功能描述
空气由水分离器进口进入布袋。布袋收集空气中的水分。空气中的水分变成水滴。布袋支撑上有槽,带有水分的空气在里面旋转,进入收集室。
收集室是积聚水和空气的档板。会把较重的水滴分离出来,而较轻的空气自由的流出。
外部排水口连接着空调舱门的排水接头。排水口有一个口,可以通过隐射作用将水分引向热交换器。
旁通活门是弹簧加载在关闭位的。当由于堵塞或者水分节冰而使得空气无法通过的时候,它就会打开。当空气压力大于弹簧力的时候,活门打开。
指示
当脏物和杂物积聚在布袋上,气流通过的速度就会降低。当空气不能通过布袋时,压力就会上升。
压力会超过弹簧力,会使指示器进入红色区域。
当必须更换布袋的时候,指示器就会有指示。当组件工作在高力量模式,并且混合活门在全冷位的时候,观察指示器,如果在红色区域中,就需要更换布袋。
培训信息要点
更换布袋的时候,需要小心的拆卸和安装内壳,防止损坏 O 型垫片。可以使用布袋头部的弹簧和弹簧链子来安装新布袋。
布袋可以用水和一般织物清洗剂在洗衣机中清洗。
![图片[18]-737NG-ATA21 空调系统【系统原理】-航修札记](https://www.aeroacm.com/wp-content/uploads/2026/04/20260411235941120-word-image-12631-87.png)
19)水隐射口
目的
水隐射口将水引入冲压空气系统中,会增加热交换器的效率。
位置
水隐射口在空调舱。在冲压空气进口管道的内壁上,热交换器的外部和前部。
物理描述
水隐射口是一个 T 型接头,带有三个端头。
共有两个水隐射口,每个组件一个。
功能描述
ACM 涡轮中的空气流过水分离器接头。水分离器中的水分通过文氏效应垂直的流入。抽吸水分进入气流。当水和空气混合后,水分形成小颗粒,雾化的水分进入热交换器的管道中。
![图片[19]-737NG-ATA21 空调系统【系统原理】-航修札记](https://www.aeroacm.com/wp-content/uploads/2026/04/20260411235941315-word-image-12631-88.png)
20)低限(35F)温度传感器
目的
低限(35F)温度传感器将温度信号送往低限控制器。
位置
低限(35F)温度传感器在空调舱。在水分离器的前下部。
物理描述
低限(35F)温度传感器有系列部分:
· 探头本体
· 电插头
培训信息要点
安装低限(35F)温度传感器的时候,使用两把扳手。这样可以防止损坏水水分离器。
![图片[20]-737NG-ATA21 空调系统【系统原理】-航修札记](https://www.aeroacm.com/wp-content/uploads/2026/04/20260411235941692-word-image-12631-89.png)
21)低限(35F)控制器
目的
低限 35F)控制器控制低限(35F)活门。
位置
低限(35F)控制器在空调舱的外梁上。
每个组件有一个控制器。
物理描述
低限(35F)控制器有一个盖板和外壳组件。外壳组件含有下列电路的印刷线路板:
· 电源
· 控制
· BITE
下列是低限(35F)的外部元件:
· 六位的旋转电门
· BITE 标牌
· 安装座
· 电插头
· NO GO 指示灯(红色的-可以按压测试)
· GO 指示灯(绿色的-可以按压测试)
![图片[21]-737NG-ATA21 空调系统【系统原理】-航修札记](https://www.aeroacm.com/wp-content/uploads/2026/04/20260411235941415-word-image-12631-90.png)
22)低限(35F)活门
目的
低限活门调节进入水分离器中的热气梁。
位置
低限(35F)活门在空调舱。安装在水分离器上部的管道上。
左和右组件各有一个低限(35F)活门。
物理描述
低限(35F)活门是 115VAC,单相马达作动的蝶型活门。活门有以下部分:
· 位置指示器
· 电作动器
· 活门本体
· 活门片
· 电插头
活门体上有一个箭头指明气流方向。
![图片[22]-737NG-ATA21 空调系统【系统原理】-航修札记](https://www.aeroacm.com/wp-content/uploads/2026/04/20260411235942927-word-image-12631-91.png)
23)低限(35F)控制器功能描述
综述
低限(35F)部件监控和调节水分离器中的温度,防止出现节冰。
低限(35F)系统有以下部件:
z 温度传感器
z 控制器
z 活门
功能描述
低限控制器选择电门有六个位置。FLIGHT 位是正常位置。其他位置是留给 BITE 测试使用的。
FLIGHT 位允许控制和调节电路操作活门,使水分离器中的温度保持在 35F(1.7C)。
温度传感器是一个有外壳的热敏电阻。根据水分离器中的温度改变,而改变阻值。
低限控制器使用 115CAC 单相电。它将温度传感器的阻值作为电桥的一部分。通过调节水分离器中的温度维持电桥的平衡。
当温度低于 34F(1.1C)时,控制器送开信号到活门。当温度高于 36F(2.2C)时,控制器送关信号到活门。当温度在 34F(1.1C)到 36F(2.2C)之间时,控制器不发出指令。
![图片[23]-737NG-ATA21 空调系统【系统原理】-航修札记](https://www.aeroacm.com/wp-content/uploads/2026/04/20260411235942984-word-image-12631-92.png)
24)低限(35F)控制器 BITE
目的
低限(35F)BITE 对下列系统部件进行测试:
· 控制器
· 活门
· 温度传感器
操作
低限(35F)控制器有一个六位选择电门;
· FLIGHT
· 位置 1
· 位置 2
· 位置 3
· 位置 4
· 位置 5
外壳上的标牌给出测试步骤。绿色的 GO 灯和红色的 NO GO 灯可以按压测试。每个电门位置时,GO 灯点亮表明工作正常,NO GO 灯点亮表明系统失效,标牌给出了需要更换的部件。
电门是弹簧保持在 FLIGHT 位的。当电门选择到任何其他位置时,就允许 BITE。
位置 1 对直流供电电源系统进行测试。测试确保BITE 功能的基本故障探测电路工作。
位置 2 对低限活门的打开电路进行测试。可以监控活门向打开方向运动。
位置 3 对温度范围的死区进行测试。控制器确认当模拟死区的时候,活门不会作动。
位置 4 对低限活门的关闭电路进行测试。可以监控活门向关闭方向运动。
位置 5 对传感器进行测试。确认传感器没有开路或者短路。
BITE 测试结束后,必须将电门扳回到 FLIGHT 位。
![图片[24]-737NG-ATA21 空调系统【系统原理】-航修札记](https://www.aeroacm.com/wp-content/uploads/2026/04/20260411235942135-word-image-12631-93.png)
25)空调空气单向活门
目的
空调空气单向活门允许空气从组件向主分配总管单向流动。
组件将有压力的空调空气通过单向活门供给分配系统。单向活门防止空气从有压力的分配系统流向没有增压的空调舱。这在单空调工作或者一个组件管道泄漏起作用。
位置
空调空气单向活门在分配舱,后壁板前面。
物理描述
空调空气单向活门是一个折叠的活门。活门的外部的箭头标明了气流方向。
每个组件有一个空调空气单向活门。
培训信息要点
单向活门连接空调舱和分配舱之间的管路。前端连接混合室。活门用 V 型卡箍与管道和混合室相连。
![图片[25]-737NG-ATA21 空调系统【系统原理】-航修札记](https://www.aeroacm.com/wp-content/uploads/2026/04/20260411235942545-word-image-12631-94.png)
26)压气机出口和涡轮进口过热电门
目的
压气机出口过热电门和涡轮进口过热电门对组件进行监控防止过热。
位置
每个空调舱有一个压气机出口过热电门和涡轮进口过热电门。
压气机出口过热电门在压气机和次级散热器之间的管道上。涡轮进口过热电门在次级散热器和涡轮之间的管道上。
物理描述
过热电门有以下部分:
· 电插头
· 电门外壳
· 探头
电门看起来很相似。压气机过热电门在390F/199C 时闭合,涡轮进口过热电门在210F/99C 是闭合。
电插头是密封的。
外壳上有螺纹,和安装座。
培训信息要点
警告:拆卸/安装电门的时候需要使用两把扳手。这可以防止损坏管道。
![图片[26]-737NG-ATA21 空调系统【系统原理】-航修札记](https://www.aeroacm.com/wp-content/uploads/2026/04/20260411235943971-word-image-12631-95.png)
27)组件出口过热电门
目的
组件出口过热电门监控供气管道的温度防止过热。
位置
左组件出口过热电门在驾驶舱供气管道上。通过EE 舱 E2 架外侧的左侧壁板接近。
右组件过热电门在客舱顶部分配管路上。
物理描述
过热电门有以下部分:
· 电插头
· 电门外壳
· 探头
电插头是密封的。
培训信息要点
警告:拆卸/安装电门的时候需要使用两把扳手。这可以防止损坏管道。
![图片[27]-737NG-ATA21 空调系统【系统原理】-航修札记](https://www.aeroacm.com/wp-content/uploads/2026/04/20260411235943209-word-image-12631-96.png)
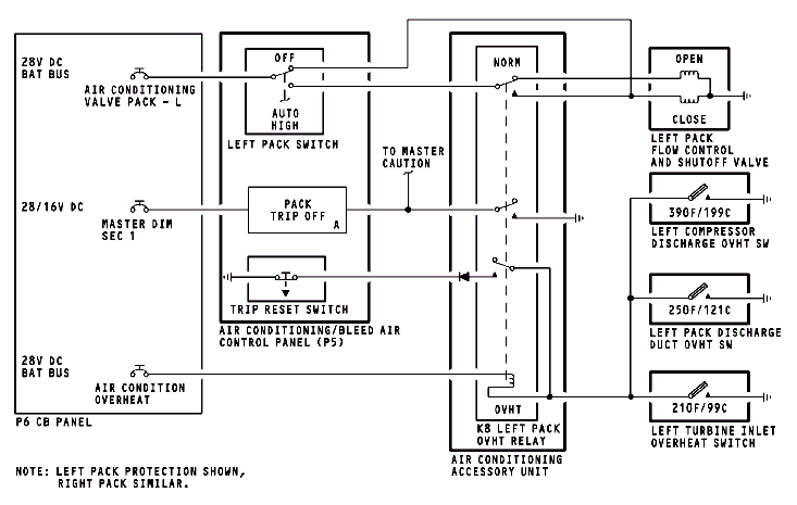
28)组件保护功能描述
目的
组件保护电路停止组件工作,以防止空气循环机的损坏或者使旅客感觉不舒适。
正常工作
组件活门从电瓶汇流条得到 28VDC 直流电。当组件电门在 AUTO 或者 HIGH 位的时候,活门开线圈通过没有激励的组件过热继电器得到28VDC 电。组件活门就会运动到开位。
组件跳开
组件保护在下面电门作动的时候起作用:
· 压气机出口过热电门
· 涡轮进口过热电门
· 组件出口管道过热电门
这些电门是正常断开的。当过热存在的时候,过热电门闭合,就会激励组件过热继电器。当过热继电器激励的时候,电就会送到组件活门的关闭线圈。
指示
组件跳开的时候有下列指示:
· PACK TRIP OFF 琥珀色灯点亮
· 主警告灯和 AIR COND 警告牌灯点亮
组件复位
过热继电器会锁定在过热位。当引起组件跳开的情况消失后,按压 P5-10 板上的 TRIP REST 电门来断开过热继电器。
![图片[28]-737NG-ATA21 空调系统【系统原理】-航修札记](https://www.aeroacm.com/wp-content/uploads/2026/04/20260411235943810-word-image-12631-97.png)













暂无评论内容