15.补充加热 ![图片[1]-737NG-ATA21 空调系统【系统原理】-航修札记](https://www.aeroacm.com/wp-content/uploads/2026/04/20260411235936951-word-image-12631-67.png)
![图片[2]-737NG-ATA21 空调系统【系统原理】-航修札记](https://www.aeroacm.com/wp-content/uploads/2026/04/20260411235936693-word-image-12631-68.png)
![图片[3]-737NG-ATA21 空调系统【系统原理】-航修札记](https://www.aeroacm.com/wp-content/uploads/2026/04/20260411235936579-word-image-12631-69.png)
1)功能描述
综述
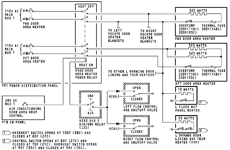
空调系统控制门加热器的作动。
门加热器的工作取决于空地信号和空调组件活门的位置。
功能描述
门加热器继电器(R560)控制加热器的电源。当飞机在空中,并且一个空调组件活门在开位,继电器激励。当继电器激励的时候,1 号主汇流条的 115VAC 电送到加热器。
门区域加热器
门区域加热器使用相相电源。每个加热单元是325 瓦。内部控制控制温度在范围之内。过热电门在 230F 时打开在 200F 时闭合。过热保险丝在300F 时断开。
翼上应急门加热器
应急门是由装饰条和推拉盖板后部的加热器来加热的。
推拉盖板后的加热器是 10 瓦的。过热电门控制温度在范围之内。过热电门在 100F 时断开,在80F 时闭合。
门装饰条加热器是 50 瓦的,内部的温度控制部件使温度在范围之内。温度控制电门在 80F 时断开,在 70F 时闭合。温度过热电门在 95F 时断开,在 50F 时闭合。
![图片[1]-737NG-ATA21 空调系统【系统原理】-航修札记](https://www.aeroacm.com/wp-content/uploads/2026/04/20260411235936951-word-image-12631-67.png)
2)门区域加热器
目的
门区域加热器可以防止门附近形成较冷区域。
位置
前门加热器在前轮舱左外侧。可以通过前轮舱左后侧盖板来接近。
后门加热器在后部客舱天花板正中。
物理描述
门加热器是装在圆柱形筒内的电加热器。外筒上有一个电插头。柔性软管将空调空气供往门加热器,还有软管将加热器出口空气供往门框附近的接头。
前门加热器使用驾驶舱的空调空气。
后门加热器的空气来自后客舱空气分配管路。
![图片[2]-737NG-ATA21 空调系统【系统原理】-航修札记](https://www.aeroacm.com/wp-content/uploads/2026/04/20260411235936693-word-image-12631-68.png)
3)紧急出口加热垫
目的
在紧急出口附近有另外的加热。是由电热加热垫提供的。
位置
加热垫在每个门的装饰条后部。
紧急出口加热垫
应急门是由装饰条和推拉盖板后部的加热垫来加热的。
有两种应急门加热垫:
· 10 瓦(一个加热垫)
· 50 瓦(四个加热垫)
10 瓦的推拉盖板后部的加热垫是在应急门下方。
50 瓦的加热垫是在门装饰条后部。
![图片[3]-737NG-ATA21 空调系统【系统原理】-航修札记](https://www.aeroacm.com/wp-content/uploads/2026/04/20260411235936579-word-image-12631-69.png)
© 版权声明
本站名称:
航修札记
本站网址:
https://www.aeroacm.com
期待与您碰撞思想、交流心得,微信:zhangqun-x。
所有素材均来自公开网络平台(含闲鱼、机务在线、民航相关网站等),不提供资料下载。
本站内容仅作为学习参考,不代表本站立场,亦不表示本站赞同其观点和对其真实性负责。
本站严禁发布、转载违法信息,如发现相关内容,请向站长举报。涉及侵权,请联系删除。
THE END












暂无评论内容