首页
部件
维修知识
CMM
部件介绍
经验总结-部件
系统
AIRBUS
BOEING
C9*9
经验总结-系统
标准
SOPM
Honeywell SPM20-00-02/70-00-01
FAA-H-8083-30
Miscellaneous
技能
HANDBOOK
MSDS
工具量具
机械应用
航空知识
工程
工程基础
适航指令
关于
随机文章
发布文章
登录
注册
首页
部件
维修知识
CMM
部件介绍
经验总结-部件
系统
AIRBUS
BOEING
C9*9
经验总结-系统
标准
SOPM
Honeywell SPM20-00-02/70-00-01
FAA-H-8083-30
Miscellaneous
技能
HANDBOOK
MSDS
工具量具
机械应用
航空知识
工程
工程基础
适航指令
关于
开通会员 尊享会员权益
登录
注册
找回密码
快速登录
微信登录
最新发布
第4页
常用工具介绍【转】
工具量具
9月1日
20
0
SPM 20-90-01波音氧气系统部件清洁工艺(Cobham)
SPM 20-90-01(Cobham)
8月30日
45
0
SECTION III – INSPECTION 1. Standard Inspection Practices -O.设备和材料
Honeywell SPM20-00-02/70-00-01
8月29日
11
0
107494 REVERSE FLOW CHECK CONTROL VALVE(RFCC)
部件介绍
8月27日
21
0
SECTION III – INSPECTION 1. Standard Inspection Practices -N.复合材料部件
Honeywell SPM20-00-02/70-00-01
8月20日
15
0
SECTION III – INSPECTION 1. Standard Inspection Practices -M.用于电子设备校准和检查的热电偶模拟器
Honeywell SPM20-00-02/70-00-01
8月19日
12
0
SECTION III – INSPECTION 1. Standard Inspection Practices -L.压降检查:清洁的金属滤芯
Honeywell SPM20-00-02/70-00-01
8月18日
63
0
SECTION III – INSPECTION 1. Standard Inspection Practices -K.过滤器气泡点检查
Honeywell SPM20-00-02/70-00-01
8月18日
28
0
1.3 Aircraft Nomenclature
HANDBOOK
8月13日
30
0
SECTION III – INSPECTION 1. Standard Inspection Practices -I.Curvic Coupling Inspection弧形联轴器检查
Honeywell SPM20-00-02/70-00-01
8月11日
25
0
766A0000PNEUMATIC TEMPERATURE SENSOR
部件介绍
8月11日
29
0
964A(F)漏气
经验总结-部件
8月11日
33
0
4404B-测试发现NGS蓝灯亮,需更换过温关断活门
经验总结-部件
8月11日
27
0
4404B-维护码:47-30025
经验总结-部件
8月11日
23
0
6764B低压故障信息;PRESS REG-V E1-4001HA SOL 7HA1 SENSE LINE
经验总结-部件
8月11日
25
0
6777ACMS信息:RIGHT BLEED FAULT HPV2 FAIL OPEN
经验总结-部件
8月11日
23
0
6777A空中引气降级BAS LEFT BLEED LOW PRESS-HPV1 FAIL CLOSED
经验总结-部件
8月11日
25
0
力矩扳手简单介绍
工具量具
8月10日
29
0
上一页
1
2
3
4
5
6
…
17
下一页
跳转
最近更新
最新发布
猜你喜欢
C919 防冰除雨系统
飞机维修工程管理-波音737NG飞机持续适航文件介绍(二)
ANTI ICE ENG1(2) VALVE CLSD故障分析-CFM56
飞机维修工程管理-持续适航文件
飞机维修工程管理-波音737NG飞机持续适航文件介绍(一)
内径百分表的使用方法
SECTION III – INSPECTION 1. Standard Inspection Practices -I.Curvic Coupling Inspection弧形联轴器检查
SECTION III – INSPECTION 1. Standard Inspection Practices -H. Electrical Component Inspection电气组件检查
SECTION III – INSPECTION 1. Standard Inspection Practices -E. Bearing Inspection轴承检查
SECTION III – INSPECTION 检查 1. Standard Inspection Practices 标准检查施工
HOEYWELL SECTION II – CLEANING 3. Standard Cleaning Methods 标准清洁方法
CMM讲解介绍
SOPM目录【标准大修施工手册】
C919 气源系统
C919 氧气系统
加载更多
部件介绍
部件原理、功能等
更多
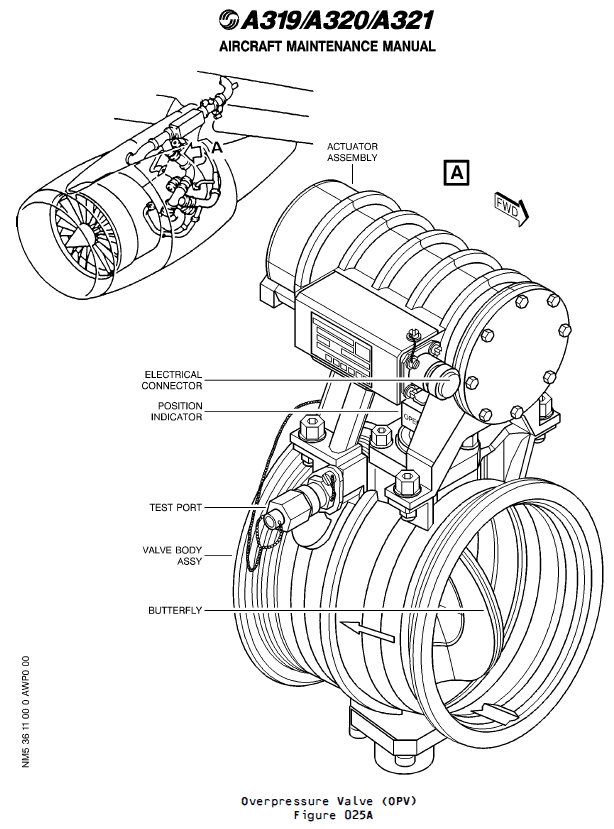
6740B OVERPRESSURE VALVE
2290B/2293B CHECK VALVE
964A/F FLOW CONTROL VALVE(FCV)
107494 REVERSE FLOW CHECK CONTROL VALVE(RFCC)
766A0000PNEUMATIC TEMPERATURE SENSOR
341F SOLENOID THERMOSTAT
341E030000 SOLENOID THERMOSTAT
3215394 Modulating shutoff valve (MSOV)
810204 FLOW CONTROL AND SHUTOFF VALVE (FCSOV)
6774G BLEED VALVE(PRV)
3215618 NOSE COWLANTI-ICE VALVE
2790583 COWL ANTI-ICE 3 1/2 INCH CONTROL VALVE ASSEMBLY
2780537 WING THERMAL ANTI-ICE PRESSURE REGULATING AND SHUTOFF VALVE ASSEMBLY
802170 HIGH PRESSURE SHUTOFF VALVE
773289HPC(HIGH PRESSURE CONTROLLER)
SOPM
中英双语[翻译]
更多
SOPM目录【标准大修施工手册】
SOPM20-70-01飞机部件的保护、储存和处理
SOPM20-60-04杂项材料
SOPM20-60-03润滑油
SOPM20-60-02表面处理材料
SOPM20-60-01清洁材料
SOPM20-50-26如何应用防篡改腻子
SOPM20-50-25如何在卡箍上安装螺栓固定件
SOPM20-50-24垫片、填充物的粘合辅助和详情
SOPM20-50-23如何制作和安装可塑塑料垫片
SOPM20-50-22如何安装钢丝螺套
SOPM20-50-21如何安装铭牌绑带和密封件
SOPM20-50-20如何制作和安装树脂粘合层叠垫片和固体填充物
SOPM20-50-19通用密封
SOPM20-50-18复合材料结构中的紧固件安装
部件维修
更多
LVDT的工作原理
6740B OVERPRESSURE VALVE
2290B/2293B CHECK VALVE
964A/F FLOW CONTROL VALVE(FCV)
773289 HEAL THY CHECK NOT PASSSED
65E63 电插头底座松动
107494 REVERSE FLOW CHECK CONTROL VALVE(RFCC)
766A0000PNEUMATIC TEMPERATURE SENSOR
964A(F)漏气
4404B-测试发现NGS蓝灯亮,需更换过温关断活门
4404B-维护码:47-30025
6764B低压故障信息;PRESS REG-V E1-4001HA SOL 7HA1 SENSE LINE
6777ACMS信息:RIGHT BLEED FAULT HPV2 FAIL OPEN
6777A空中引气降级BAS LEFT BLEED LOW PRESS-HPV1 FAIL CLOSED
FE240长度未满足
飞机系统
更多
ANTI ICE ENG1(2) VALVE CLSD故障分析-CFM56
C919 氧气系统
C919 气源系统
C919 防冰除雨系统
C919 空调系统
A320-浅谈发动机引气压力波动
6773F EWAIR ENG 2 HP VALVE FAULT
B737NG标准力矩值查询指南【转】
关于件号为6740G010000的OPV的维修提示
737NG发动机引气系统健康检查
C909 舱门系统【转】
C909 氧气系统【转】
737NG-36气源【系统原理】
A320-36引气系统部件照片
空客A320飞机引气系统可靠性的提高
航空标准
更多
航空开关知识和相关术语,switch,Microswitches,Relays
SECTION IV – REPAIR 5.清除钢制零件上的损伤-C.Method No. 405C: 使用玻璃珠喷丸修复密封直径(唇形密封面)
SECTION IV – REPAIR 5.清除钢制零件上的损伤-B.Method No. 405B:去除严重腐蚀、硬碳、油漆和氧化皮
SECTION IV – REPAIR 5.清除钢制零件上的损伤-A.Method No. 405A:微小表面缺陷修复
SECTION IV – REPAIR 4. 修理铝制零件-E.Method No. 404E:轻微腐蚀修复
SECTION IV – REPAIR 4. 修理铝制零件-D.Method No. 404D:燃油和滑油泵铝制壳体表面修复
SECTION IV – REPAIR 4. 修理铝制零件-C.Method No. 404C:沟槽和划痕修复
SECTION IV – REPAIR 4. 修理铝制零件-B.Method No. 404B: 去除严重腐蚀、硬质碳、油漆和水垢
SECTION IV – REPAIR 4.修理铝制零件-A.Method No. 404A:轻微表面缺陷修复
SECTION IV – REPAIR 3. 防护涂料及电镀的修复与应用-O. Method No. 403O:镁的化学膜修补
SECTION IV – REPAIR 3. 防护涂料及电镀的修复与应用-N.Method No. 403N: 铝的化学膜修补
SECTION IV – REPAIR 3. 防护涂料及电镀的修复与应用-M.Method No. 403M:修复因底漆和面漆损坏而暴露裸露铝的油漆涂层-环氧胺体系
SECTION IV – REPAIR 3. 防护涂料及电镀的修复与应用-L.Method No. 403L: Method No. 403L:修复因底漆和面漆损坏而暴露裸露镁的油漆涂层-环氧胺体系
SECTION IV – REPAIR 3. 防护涂料及电镀的修复与应用-K.Method No. 403K:修复受损的油漆涂层-环氧胺体系
SECTION IV – REPAIR 3.防护涂料及电镀的修复与应用-J.Method No. 403J: 选择性电镀
专业技能
更多
表面处理的作用及注意事项
内径百分表的使用方法
深度尺的读数及使用方法
高度游标卡尺读数及使用方法
常用工具介绍【转】
1.3 Aircraft Nomenclature
力矩扳手简单介绍
千分尺读数及使用方法
游标卡尺的使用方法
1.2 Conversions换算
1.1 Fraction, Decimal, and Metric Equivalents
空调和增压系统(Air conditioning and Pressurization System)【转】
航空发动机的种类-活塞式和喷气式发动机 Types of Aero-Engine-Piston and Jet Engines【转】
飞机排雨方法 Aircraft Rain Drainage Method【转】
座舱增压控制的原理(Principle of Cabin Pressurization Control)【转】
工程技术
更多
飞机维修工程管理-维修思想
飞机维修工程管理-波音737NG飞机持续适航文件介绍(二)
飞机维修工程管理-波音737NG飞机持续适航文件介绍(一)
飞机维修工程管理-持续适航文件
飞机维修工程管理-工程技术管理
飞机维修工程管理-维修系统
飞机维修工程管理-规章符合性
飞机维修工程管理-适航性责任
飞机维修工程管理-适航性管理
本月发布
上月发布
文章总数
运行天数
error:
Content is protected !!
在手机上浏览此页面
登录
没有账号?立即注册
手机号或邮箱
验证码
发送验证码
记住登录
账号密码登录
登录
用户名/手机号/邮箱
登录密码
记住登录
找回密码
|
免密登录
登录
社交账号登录
微信登录
使用社交账号登录即表示同意
用户协议
、
隐私声明
注册
已有账号,立即登录
设置用户名
手机号
验证码
发送验证码
设置密码
重复密码
注册
已阅读并同意
用户协议
、
隐私声明
扫码登录
使用
其它方式登录
或
注册
扫码登录
扫码登录即表示同意
用户协议
、
隐私声明